本文介绍一款由三个扬声器组成的二分频音箱。
扬声器选择
该款音箱的扬声器均选用上海银笛领先音响仪器有限公司生产的银笛牌扬声器。中低音单元选用该厂生产的8英寸羊毛盆扬声器,型号为YD220-332X;高音采用音色清秀的双磁路丝绢膜球顶高音扬声器,型号为QG5-20。扬声器技术指标如表1所示。

箱 体 结 构
箱体尺寸分别为21.5cm(宽)×28.5cm(深)×89.5cm。高音扬声器采用镜像排列方式,前面板示意图如图1、图2所示。侧面视图和倒相管长度如图3所示。倒相管用直径5cm的PVC工程塑料管截取所需要的长度即可。由于该音箱采用了独特的三单元二分频方式,音箱中的两个低音扬声器将工作在并联状态,若分频点处理不好,它们发出的声音就会互相干扰,影响音质。若能够将它们工作的低频下限错开,以上问题就会迎刃而解。所以笔者在设计箱体时采用一块隔板将箱体分隔成两个独立的箱体,这样就可以利用箱体容积的不同来调整两个低音扬声器的低频下限。上部的高音扬声器和一个8英寸的低音扬声器工作在一个容积较小的密封箱内,而下面的低音扬声器则单独工作在一个容积较大的倒相箱内,这样一来不仅可以使上面的低音扬声器避免工作于低频频段,而且还可以减少低音单元与中高音单元在一起工作引起的调制失真,使音箱发出的声音更清晰。



分频器的制作
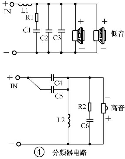
有的发烧友说:“分频器是整个音箱的大脑”,这一点也不为过,因为分频器设计制作水平的高低将直接影响音箱的客观指标和听觉感受。图4是该音箱分频器电路图,根据所用扬声器的特点(据笔者的测试,YD220-332X的Q值为0.36,与厂家给出的标准值0.34有些出入),笔者将分频点选在3.2kHz(-12dB/oct)。R1、C1组成的阻容网络对低音扬声器在高频下的阻抗增加起补偿作用。由于本音箱所用的两个低音扬声器工作在并联状态,如此一来,低音所输出的声压将比使用单个扬声器单元高3dB,为了平衡高低音的声压,高音扬声器选用了灵敏度高达91dB的QG5-20。该分频器采用了双线分音方式,这样能够最大限度地降低高低音共地引起的相互干扰,因此应选用具有4只接线柱(4P)的音箱接线板。电感需自制,L1用Φ1.2mm的高强度漆包线在内径为20mm的“工”字形绝缘骨架上绕86匝;L2用Φ1.2mm的高强度漆包线在内径为16mm的“工”字形绝缘骨架上绕103匝(为了精确起见,电感绕好后最好用数字电感表校准一下)。分频器所用元器件的参数如表2所示。

外 观 装 饰
长期以来,由于外观的原因,自制音箱一直是难登大雅之堂的。其实,只要肯动手对音箱的外观进行一番装饰,自己制作的音箱也是可以成为一件艺术品的。外观装饰,用一种时髦的叫法也称“包装”,通过这一步操作可以将自己的杰作打扮得更漂亮些。音箱的装饰方法通常有喷漆法、贴木纹贴面、贴木皮、植绒等方法。由于这些方法在业余自制时对经验不足者有较大的施工难度,在此笔者简单介绍一下它们的施工方法。
1. 贴木纹贴面法
就施工难度来说,这种方法是最简单的装饰法,是业余自制最常用的方法。音箱贴面的材料有纸质和PVC塑料两种,它们的贴法大同小异,在此,笔者以PVC塑料贴面的粘贴方法为例,简单介绍一下粘贴时的注意事项。在粘贴贴面前要将箱体表面用细砂纸打磨光洁(尤其是棱角要分明)。粘贴工作最好由两人配合进行,基本操作方法是:先将贴面的宽度按需要的宽度裁好(应略大于需要尺寸),然后将箱体的一面涂上一层万能胶(一对音箱需要约500g),理顺贴面,使之与音箱边缘平行(切记!否则往后会越贴越歪),随后,一人拉住贴皮,并稍稍抬高,另外一人一手按住贴皮缓缓向前移动,并用另一手捏毛巾搓抚贴皮,使之慢慢地绕音箱一周平整地贴于箱板上(通常情况下笔者都不贴前后面板,只贴上、下、左、右面),最后将边缘的余量(约2cm)往前、后面板方向压贴好,转折处剪成45度的角并对接平整即可。粘贴工作要一次成功,若撕起再贴,就会起疙瘩,影响效果。如果中间出现气泡,赶不走时,用针刺之再抚平即可。有的朋友买的可能是带衬纸的自粘贴面,它的贴法与普通PVC贴面是一样的(只是少了一道涂抹粘胶的工序)。
2. 喷漆法
这种方法就是用喷枪在音箱表面喷涂一层色漆使音箱外表色彩与周围环境更和谐。从现在常见油漆的视觉效果来看,聚氨脂闪光漆的视觉效果最佳,因此,若对音箱进行喷漆装饰时,聚氨脂闪光漆是首选漆种,而且家具中使用的油漆通常也是该漆,这样也方便音箱颜色与家具进行搭配。为了与室内家具色彩达到和谐统一的效果,可采用与家具色调相同或相近的颜色,至于喷涂工具,可以根据个人条件选择。若要使自制的音箱成为一件喷出光彩照人的艺术品,喷涂前的打底工作一定要做得细致,打磨音箱表面的砂纸标号至少应在400#以上(粗磨时可以选择200~300#的砂纸以提高打磨速度)。需要注意的是打磨时不能用手直接按在沙纸上进行打磨,而要将沙纸套在一块平整的方木上进行,只有这样才能打磨出光滑如镜的表面。将音箱表面打磨光洁后,就可以刮上腻子了,腻子至少要刮两道,一道干了,打磨平整后再刮一道,以表面无明显孔隙为好!待腻子干后,再用打磨箱体的方法将腻子打磨光洁后就可以喷漆了。如果自己疏于此道,也可请一名技术娴熟的油漆工代劳。
3. 贴木皮法
贴木皮常用于音箱厂家生产的中、高档音箱的装饰,这种方法装饰的音箱较华丽,但难度较大,无经验者不易做好。粘贴前箱体一般也要进行打底磨光处理。粘贴要逐面进行,基本操作是:先裁好木皮(尺寸稍大即可),给待贴面涂上粘胶,然后把木皮对直、贴上(四周要稍微留有余量),再用沙袋压住,待其干燥后把四周的余量刨平,然后进行其他面的粘贴。粘贴一般可按上→下→左→右→前→后的顺序进行。为了使音箱的各个侧面看起来是浑然一体的,这就要求左右侧与顶板的木纹一定要对齐。全部粘贴好后,再将边角磨平,并在整个箱体表面喷一层透明漆(增加亮度)即可。透明漆可选用醇酸清漆和聚氨酯清漆等,后者亮度、硬度均较前者大,可根据个人喜好及实际条件选择。
4. 植绒法
这种装饰法就是在音箱表面粘上一层绒布,常用于大型音箱的装饰,个人较少使用,限于篇幅,在此就不再介绍了。
(科林)