杜比定向逻辑环绕声(Dolby Pro Log-ic,以下简称“Pro .logic”,定向或专业逻辑)是美国杜比公司开发的环绕声系统。它是将四声道立体声在录制时通过特定的编码手段合成为两声道,将原来的左声道(L)、右声道(R)、中置声道(C)、环绕声道(S)4个信号,经编码后合成为LT、RT复合双声道信号,重放时通过解码器将已编码的LT和RT双声道复合信号还原为左、右、中、环绕四个互不干犹的独立信号,经放大后分别推动左音箱、右音箱、中置音箱和环绕音箱进行放音。
为了放音对称起见,环绕声道音箱采用了左环绕和右环绕两只音箱,所以,商业上也把杜比定向逻辑环绕声系统称为五声道AV系统,但因左、右环绕声音箱接在一个声道上,输出的是相同的环绕声道信息,故实质上仍旧是四声道。商业上也有称为六声道或七声道的杜比定向逻辑环绕声AV放大器。所谓六声道是将中置声道用两个功率放大器输出,分别接在左、右两个中置音箱上,但左、右中置音箱所重放的仍旧是同一个中置声道的信号,故实质上也是四声道。七声道则是将环绕声声道分成四个通道输出,即左后置环绕声、右后置环绕声,左前置环绕声、右前置环绕声,分别采用四个环绕音箱,这就成了七声道输出;但是七声道输出的4个环绕音箱都接在一个环绕声道上,因此,也只能算四声道输出。由此可见,带杜比定向逻辑解码器的AV放大器不管是五声道输出、六声道输出或七声道输出,实质上都是四声道。杜比定向逻辑环绕声的左、中、右三个声道的频率范围能达到20~20000Hz,即可满足全音域放音的要求。环绕声声道的频率范围比较窄,在100~7000Hz。由于“Pro.1ogic”环绕声解码电路能够对编码后的信号进行解码,再现逼真的现场效果,因此目前很多AV功放机都采用了这种解码方式。本文以天逸AD-5100型AV功放机中的电路为例,介绍“Pro.1ogic”环绕声解码电路的具体工作原理,以飨读者。
解码电路工作原理
“Pro.logic”环绕声解码器原理框图如图1所示。其中的自适应矩阵可以完成C、S(中置、环绕)声道的分离任务。逆爱立埃斯(Anti-Alias)滤波器(也称防混淆滤波器)可以滤除25kHz以上的高频噪声,防止其进入下一级电路。延迟电路(又名延时电路)把前级“Anti-Alias”电路输出的环绕声信号先进行A/D变换,并延时20ms,以获得声场的定位,然后再经D/A转换为模拟信号输往下一级电路。7kHz低通滤波器用来滤除7kHz以上的高频分量。杜比B型降噪电路用于对环绕声信号进行反降噪处理,以消除前级A/D、D/A转换带来的数码噪声。

对于中置声道,“Pro.logic”解码器主要有四种控制模式:幻像(Phantom)模式、普通(Normal)模式、宽带(Wide)模式、中置声道关闭(OFF)模式。
幻像模式即指中置声道不工作,其内容经分解后加至L、R主声道信号中,并依靠方向性增强使中置声道的声像得到稳定可靠的定位。在这种模式下可以节省一个中置音箱,但对听音位置要求较严(在两个音箱中轴线上最佳),L、R声道音箱性能一致性要好,且L、R声道音箱摆放距离也应近一些,如果两个音箱相对距离较大时(大于2m),对于声像移动方向感很强的场面声音(如枪战中的炮弹声或者汽车行驶声),则会觉得中部声音欠缺,真实感够强。这种方式只适用于小房间(小于或等于22m\(^{2}\))放音。
普通模式是目前AV系统中最常用的一种模式。在这种模式下,中置声道只放送高于100Hz的信号,低于100Hz的信号则经高通滤波后均匀地分配在L、R声道。由于这种模式下中置音箱的体积可以做得很小,故适合大多数听音房间面积不大(<25m\(^{2}\))的环境,故而又称为标准模式。这种模式人物对白声像定位十分准确,没有图像与环绕声飘散的现象,但这种模式在房间面积较大(大于30m\(^{2}\))时,则会使声像融合度也不是太好,使人觉得环绕声飘散。
宽带模式则指中置声道音箱处于“全频带”状态,中置声道信号既不进行高、低通滤波,也不分配到其他声道中。这几种模式只有这种模式听音效果最好,尤其是在房间面积大于30m\(^{2}\)时,环绕声效果更比其他几种明显,但要求中置声道音箱有较宽的频响,尤其是要能完美地重放100Hz以下的低频信号,并要求中置音箱与左、右声道的音箱的输出功率基本一致。
中置声道关闭(OFF)模式(即Hi-Fi模式)则指中置声道信号全部关闭,只留下L、R声道信号。这种模式一般在播放CD唱片等Hi-Fi音源时使用。
目前经过杜比(Dolby)公司认证的Dolby Pro logic解码芯片主要有:M69032P、CP55、CP66等芯片,其中以三菱公司的M69032P效果最好。
M69032P内部包含有“Pro.logic”解码电路所必需的全部单元电路,外部只需加接延时电路(通常与M65830或者M65831配接),即可完成整个AV系统中的“Pro.logic”解码与环绕声延时等全部工作。M69032P内部原理图如图2所示。
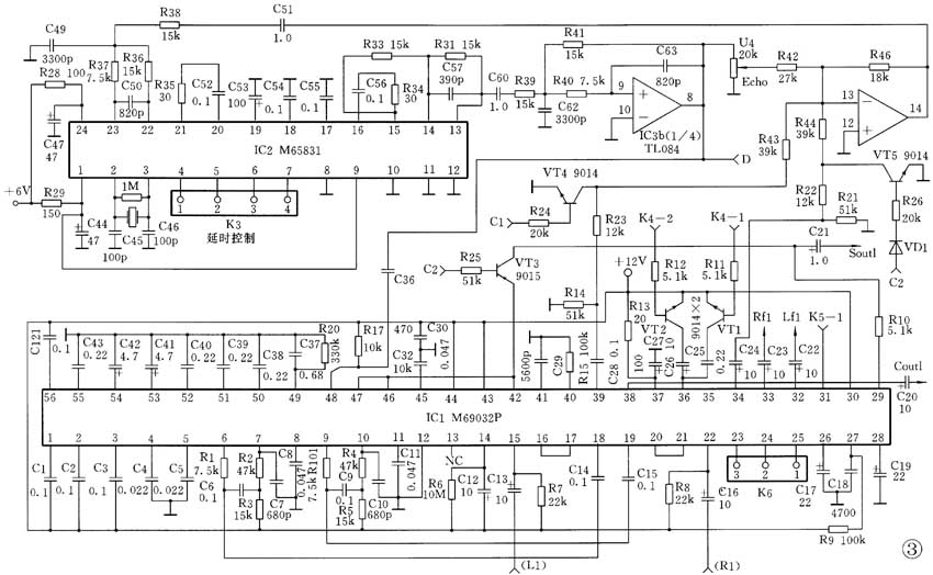
图3是M69032P在天逸AD-5100型AV功放机中的应用电路。

图3中含有编码数据的L、R声道信号分别经C13、C16进入M69032P的,经自动平衡放大后从输出,然后直接从进入带通滤波电路,同时芯片内部的红色噪声序列发声器便开始工作,自动调整L、R声道信号的电平,使L、R声道信号保持平衡。经过带通滤波并调整平衡后的信号从输出后各分为两路:一路进入⑦脚(L+R)、⑩脚(L-R)矩阵电路和两组全波整流电路;另一路经⑥、⑨脚到另外两组全波整流电路,整流后进入对数差分放大(⑦、⑩脚)和左右优势分量检测(⑥、⑨脚)电路进行比较、判断后,检测出L、R、C、S四声道信号的瞬时方向趋势和声压差并经过6dB声压差阀值门限开关后进入双时间常数选择(一个为30ms,另一个是1 s)逻辑矩阵电路。对于那些声压差较大的移动声场信号,自动选择时间常数为30ms的矩阵电路,以适应优势分量信号,突出声场的声音动态性和方向性。对于变化较慢的移动声场信号,则自动选择为时间常数1s(秒)的矩阵电路,而后又经两组极性分离电路分离出ELL-ESR等8个控制电压(从优势强度信号中分解出来),8个控制电压分别控制8个压控放大器对各个信号进行加权处理并改变其电平值后在四组组合网络中进行加、减运算,输出高度隔离的L、R、C、S四路信号。
在杜比环绕声模式下,L、R声道(前方主声道)信号分别从输出,从输出中置声道信号。解码后的环绕声信号从输出,经C28、R14、R23、R43、IC3(a)进行缓冲放大后,送入延迟(DSP)电路M6583l,延迟20ms的环绕声信号从M65831输出,经C60、R39送入IC3(b)进行7kHz低通滤波后由C36送入M69032P的内部的杜比B型降噪电路以及中置模式控制电路。降噪处理后的环绕声信号从输出到后级的功率放大电路。
控制电路工作原理
M69032P为环绕声ON/OFF控制端,当该脚接高电平(或者接V\(_{REF}\),V\(_{REF}\)为参考电平,由提供)、悬空、接地时,对应的工作状态分别为杜比四声道、杜比三声道、二声道(C、S无输出,其信号混入L、R声道中)。M69032P为中置声道模式控制端,该脚采用脉冲控制方式,串接的电容越大,脉冲宽度也就越大,工作方式也随之改变,该脚通过0.22μF电容接V\(_{REF}\)(V\(_{REF}\)为参考电平,由提供)、悬空和通过10μF电容接V\(_{REF}\)时,对应的工作模式分别为普通、宽带、幻像三种模式。M69032P为中置声道开/闭控制端,当该脚接高电平或V\(_{REF}\)时,中置声道开通,该脚接地或者接低电平时,中置声道关闭。
M69032P为噪声测试控制端(噪声测试即指通过Pro .logic解码器芯片内部的噪声发生器来调整L、R、S、C四个声道使之达到平衡)。 当M69032P为高电平时,芯片工作在正常解码状态,当为低电平时,电路为噪声测量状态,由的逻辑电平来控制测试4个声道的噪声,各脚电平与控制声道关系如附表所示。

图4为中置声道模式选择电路。该电路是由触发器CD40174接成3位锁存器形式(具体工作原理见音源选择电路)。当开机或按下S6时,电路复位,CD40174输出低电平使VT1l(PNP)导通,LED6点亮,指示机器工作在普通模式,同时K4-1输出高电平使图3中的VT1导通,C25与V\(_{REF}\)接通,中置声道工作在普通模式。当按下S7时,CD40174②脚输出高电平使VT8导通,LED7点亮指示机器工作在宽带模式,同时K4-2输出高电平,使图3中的VT2导通,将C26与V\(_{REF}\)接通,中置声道处于宽带模式。当按下S8时,CD40174⑤脚输出高电平使VT9导通,LED8点亮,指示机器处于幻像模式,同时K4-1、K4-2均为低电平,使图3中的VTl、VT2均截止,C25、C26与V\(_{REF}\)断开,悬空,中置声道转为幻像模式。
图5为工作模式选择控制电路。此电路也是触发器CD40174接成的5位锁存器。开机时,CD40174复位,输出低电平,VT170导通,LEDll发光,指示机器工作在2CH(2声道)状态,此时S、C声道无声,其信号分配在L、R声道中。当按下S12时,VT140导通、LEDl2点亮,指示机器工作在环绕声解码模式,同时K5-1输出高电平,使M69032P为高电平而工作在环绕声解码状态,K5-1的高电平又经图6中反相器ICl2(a)反相使C1端为低电平,保持图3中VT4截止,M69032P输出的S声道信号顺利进入DSP电路,K5-1的高电平又经图6中IC7(b)反相使C5端为低电平,于是,图7中VT17、VT18截止,切断未经解码的L、R信号(即直通信号)进入后级电路的通路,VT16、VT19导通,将解码后的L、R声道信号接入后级电路。当按下S13时,VT150导通,LEDl3发光,指示机器工作于DSPl模式(关闭S声道),同时K5-2为高电平,图6中ICl2(b)反相后使C2端为低电平,此时,由于C6端为高电平,使得C1、C2端电平都为高电平,图3中VT3截止,把输出的S声道信号与杜比降噪信号输入端的通路断开,VT4、VT5导通,将输出的(L-R)、(L+R)信号短路到地,中置声道信号停止输出。当按下S14时,VT160导通,LEDl4发光,指示机器工作于DSP2模式,同时K5-3端输出电平为高电平,经过图6中IC12(b)反相后,C2端为低电平,图3中VT3导通,将环绕声信号混入左右声道中,同时K5-3的高电平又通过图6中IC12(d)的作用使C3端为高电平,C3端的高电平控制图7中的VT9、VT10导通,将延时20ms的中置声道信号混入L、R声道信号中。当按下S9时,IC5(CD40174)⑩脚输出高电平,使图4中VT10导通,LED9发光指示机器工作于Hi-Fi模式,同时K4-3端输出高电平,K5-1为低电平,控制相关电路,使其转换到Hi-Fi模式,同时,C5端输出高电平,VT17、VT18导通,将未经过解码的L、R声道信号直接送到后级电路。


图8为噪声测试控制电路。该电路实际上就是由一块自带振荡器的二进制计数器CD4060接成的两路定时输出逻辑电平发生器。当按下S10时,使M69032P为低电平,于是M69032P工作在噪声测试状态,同时K6-1、K6-2依次输出不同的逻辑电平,控制M69032P内部噪声序列发生器使L、C、R、S声道依次发出噪声,在完成一个周期后,噪声测试自动停止。
(赵广林)