JA-88C是广东台山恒东音响科技公司推出的一款合并式甲类超值功放,整机采用全平衡传输技术,噪声低,抗干扰能力强。音色上除了秉承钟神产品一贯的厚实外,又突出了中高频部分的圆润与悠扬。图1为其电路原理。

平衡/不平衡输入级
平衡/不平衡输入级由运放皇JRC5532组成,平衡输入时绕过该级经转换开关后送入后面的电压放大级,不平衡输入则由该级进行转换。该级采用并联稳压电源供电。
平衡传输放大是音响中要求最高的技术之一,它要求信号输入后分解成两个幅度相等、相位相反的信号,然后由两个完全相同的放大器把这两个相位相反的信号放大到足够的功率,最后在负载上(扬声器)合成跟原来输入一样的信号。虽然从制造及成本上看,花费昂贵,但这样可得到极大的动态范围、理想的信噪比以及极小的失真,还有极佳的音色。故目前只有高级的Hi-Fi及Hi-End功放才采用这种技术设计。
电压放大级及输出级
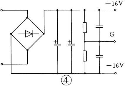
经音量电位器调控后的信号送入电压放大级。C945/A733组成上下对称互补的输入电路,这种电路将负反馈分别加到两个输入管的发射极上,特点是输入管不易混入噪声,信噪比高,工作稳定。A1013/C2383组成主电压放大器,元件均经严格筛选,对称性良好,工作稳定可靠,动态范围大。C4883/A1859为推动级电路。C5200、A1419为末输出级,静态电流高达400mA,处甲类工作状态,音色非常甜美。电压放大及推动级的工作电压高达±40V,而输出级因桥式(BTL)连接负载,其工作电压只有±16V,这样高低压式搭配,使本机的动态范围、瞬态响应极为优良。
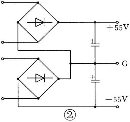
电 源 电 路
电压放大级及推动级采用甲类并联型稳压电源供电(图2、3),具有极低的内阻与优秀的动态响应能力,为本机的高速低噪起到重要的辅助作用。输出级使用了低压(±16V)大电流的变压器绕组,滤波电容总容量达10000μF×2(图4)。电源变压器为300VA的优质环形变压器,功率充足,漏磁极小。



其 它
JA-88C的整体布局也十分合理,机内左侧中央安有300VA大型环型变压器,前后的空间利于散热。右旁纵列着大功率管的大型散热器。右侧为全机的整块电路板。
外观上,镜面不锈钢的面板上,左上角印着红色篆体“钟神”两字,右旁是红色的放大器型号。下方为电源拨动开关,右侧排列着输入信号转换开关及音量电位器。
主要性能指标
输出功率:50W×2(8Ω,RMS,甲类状态)
谐波失真:<0.08%(1kHz,C型)
信噪比:>100dB(A计权)
频率响应:20Hz~20kHz(-0.05dB)
输入阻抗:100kΩ
输出阻抗:4~8Ω
(周兴华)