利用电话作门铃既可节约购门铃的开支,也不需交直流电,更不受停电或直流电源用完的影响。
在电话机中有四大电路:发话、收话、发号、收铃。收铃电路如附图所示。

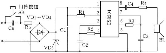
电话收铃电路由CS8204等组成,外线有电话打进时,输入一个交流90V的铃流信号,经C5、R5、桥式整流、VD5稳压及C1滤波后,一个稳定的直流电压加至CS8204的①、⑤脚,CS8204即进入工作状态,振铃信号从⑧脚输出,通过C4、R4由扬声器发出电话振铃声响。电话门铃巧妙地利用电话机的收铃电路,借用电话线路上馈电电压。C5是隔直流电容,C5开路时电话门铃不响,C5短路时电话门铃长响。只需把C5两端引出两根线接至门铃按钮SB上,按一下SB,C5就被短路直通,使-48V馈电进入R5,桥式整流、稳压、滤波,一个恒定直流电源加至CS8204的①、⑤脚,电话铃就响了,按的时间长短,就是电话铃声的长短,正常电话铃声是1∶4断续振铃信号,因此,电话门铃与正常电话铃声是有区别的。若电话在正常通话下仍出现振铃声,说明有人按动门铃按钮。如果电话连续长时间的振铃,应检查门铃按钮是否复位。
电话门铃声与电话铃声的强弱,可改变R4的大小进行调节,R4为限流电阻,音调可调整R2、C2(为低频振荡器)或调整R3、C3(为双音调振荡器),通过调整得到自己满意的音调。
(朱声平)