晶闸管的简易测试
测试电路如图1所示,电源用6V叠层电池,指示灯用6.3V鱼眼灯珠。测试时,先将晶闸管的A、K极接在对应电路的A、K接线柱上,若指示灯亮,说明晶闸管是坏的;若指示灯不亮,将晶闸管的G极瞬间接触一下电路中的G接线柱,如指示灯一直正常发亮,则晶闸管是好的,若指示灯不亮,或接上G极指示灯才亮都说明被测晶闸管是坏的。此外,从指示灯的发光强弱还可以反映被测晶闸管正向特性的好坏。

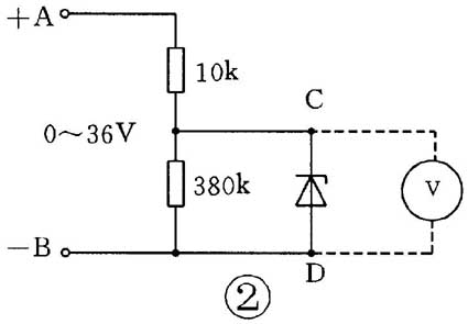
稳压管的简易测试
如图2所示电路中,将稳压电源从0V起调,同时观察电压表,直到电压值稳定时,此电压表指针所指示的读数即为图中所连接的被测稳压管的稳压值。

(倪耀成)