用于安全防范的报警装置,有人体热辐射的远红外探测、空间微波场分布变化的探测、红外线遮挡探测、玻璃破碎和断线探测等多种方式。当窃贼进入防范区域后,上述探测装置检测到异常信号后,有的装置可声光报警,有的装置可在发出声光报警的同时,自动启动监控系统前端的摄像机和监控室的录像机,对防范区出事地点进行录像。有的装置不仅能录像,而且还能自动循环监听和录音。本文给出了一种16路自动循环报警监听电路。
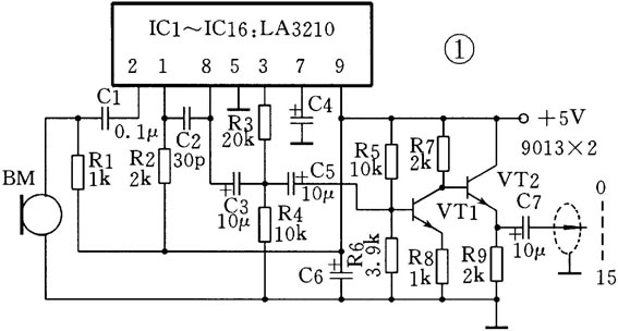
图1为监听探头,用于检测防范区的声音信息,BM为驻极式话筒,它产生的微弱电信号经自动增益的前置放大集成电路LA3210和三极管VT1放大后,由射极随器VT2输出。

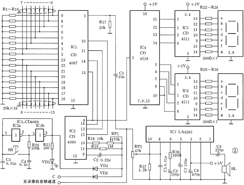
图2为16路自动循环报警监听电路。IC1为16选1集成模拟开关电路,0~15为16个输入端,16个监听探头经双芯屏蔽线(其中有一根线给监听探头供+5V电源)与此相接。①脚为输出端,在4位二进制地址码A0~A3(⑩~)的控制下,①脚与相应的通道相接通。IC2是带振荡器的14位二进制串行计数器,由它产生4位(在此只用了Q7~Q10 四个输出端)二进制地址码。地址码的变化快慢由振荡器的外围元件R18、RP1和C2确定,RP1为可变电阻,用于调整振荡器的振荡频率,即调整各个通道监听的时间。IC3是六反相器集成电路,在此用其中的IC3a、IC3b两个反相器构成单键控制的双稳态电路。当接通电源的瞬间,因电容C3两端的电压不能突变,所以IC3a的输入端①脚瞬间为低电平,于是输出端②脚呈现为高电平,又因IC3b与IC3a构成正反馈电路,因此,IC3b的输出端④脚输出低电平,指示灯VD3不亮。此时二极管VD1导通,IC2不起振,IC1的A0~A3(⑩~)的地址码为0000,于是开机时被锁定在0通道。与此同时C4经R20充电后成为高电平,当轻触开关SB被轻轻按动一下时,C4给C3快速充电,IC3的①脚成为高电平,则IC3的④脚输出高电平,指示灯VD3被点亮,VD1反偏截止,IC2起振,4位二进制地址码从0000~1111按顺序周而复始地不断变化,则IC1的0~15个通道也按顺序周而复始地与输出端①脚接通,监听探头的音频信号经IC7音频功率放大集成电路,推动扬声器发出声音,实现了对各个防范区的自动循环监听。当窃贼进入某防范区时,报警探头检测到有人进入防范区后,在自动启动摄像机和录像机的同时,报警控制器输出低电平至图2的C(未进入报警状态时C端为高电平)端,二极管VD2导通,IC2停振,则IC1被锁定在窃贼所进入防范区的监听通道,即实现了自动录象,又实现了录音和监听的多功能报警。当该防范区报警解除后,C端恢复为原来的高电平,报警监听电路又进入自动循环监听状态。IC4为双4位十进制计数器,它对IC2⑥脚的方波进行计数,由IC5和IC6译码,然后驱动两个LED共阴数码管显示0~15所对应的监听通道。

(苏永道)