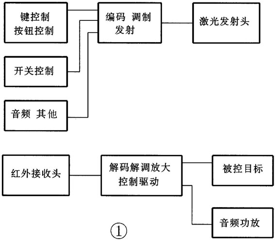
在各种简单的控制技术中,各种控制方式都存在一些局限和不足。例如,简单的红外线遥控,便宜、可靠、制作维修简单,可是控制距离较小,一般仅几米到十几米,再远则费用大增,可靠性也随之降低。同时遥控器与被控目标间只能直线传递,因而较大地限制了其应用范围。再如无线电遥控有很好的控制性能,又有足够远的控制距离。可是存在着制作调试复杂、应用时有受环境电波干扰的弊病。现有激光发射与红外遥控的装置可消除上述弊病,其构成方框图如图1所示。

本电路主要由一只玩具激光笔和一套红外遥控器组成。其余部分可根据所要达到的目的不同来选用。可使由原来的红外控制的几米、十几米增长到几十米、几百米,只要激光能量保证,就足以满足多种场合控制对距离的要求。这种电路组合还解决了红外控制只能直线控制,控制中穿透玻璃等介质的能力低的不足。精确的激光束很容易通过光学平镜实现任意角度的折射,实现特殊角度目标的控制。穿透玻璃等介质的能力也极大增强。各种红外遥控器都有自己极其可靠的编码方式,不同的红外器件又对应不同的编解码方式,这些成就了本电路的可靠性。如果自己设计激光发射的编码电路,那么这种电路将能轻而易举地满足各种繁杂的控制系统,实现最佳控制。由于利用准确精细的激光束,加入信息码来构成发射和接收端的桥梁,实现控制的功能和信息声音的传递功能,而当外来因素切断这种联系,破坏了桥梁就又构成了报警侦测的另一种应用。如用多组激光束组成的三维立体结构网,不但可保护立体空间,一旦有侵入,立即报警,而且由于三维多束激光组合可根据被挡的三维激光束迅速知道入侵者的位置甚至大小。本电路还有电路的防火功能,由于激光束在通过烟雾时能量损失较大,可通过接收端对激光能量的定格调试,一旦检测到的值明显变小,则进行烟雾报警、喷水等。而户外对雨雾的预报原理相同。此外,本电路制作简单,调试容易,器件范围宽,也是其不可忽略的优点。
综上所述,本电路是一种适用范围较宽、功能较好的电路方式,也是爱好者易做易得的一种小制作。
下面以SZ9148、SZ9149、SZ9150为例具体说明本应用电路。
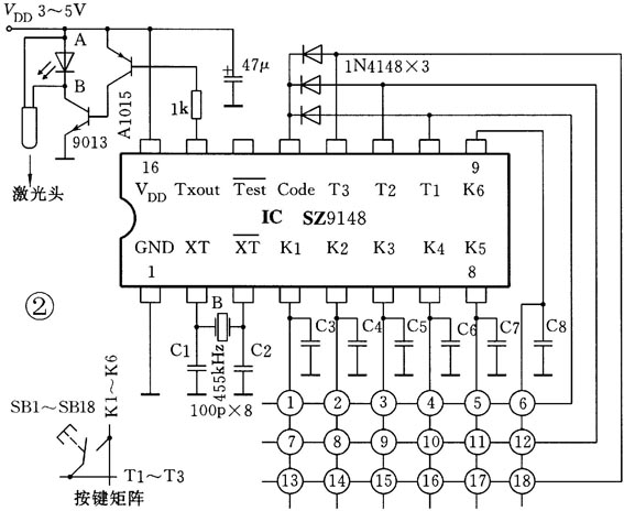
(1) 遥控器:SZ9148是红外遥控电路发射部分的核心IC,见图2。通过不同键与线的组合,可实现18种不同特点的遥控输出,如点动方式、开关方式、无锁按钮方式等,使用十分便利。改做激光遥控电路时,只要将激光发射头接在原发射管的两端即可(A点为正、B点为负)。电源3~5V,这时按下控制按钮,激光头即可发送激光束。根据键位的不同,激光束分别为短暂点动的和连续的。接收部分采用红外接收头与SZ9150组成的红外接收电路(见图3),可根据需要装配它的执行端,这里驱动的是带常开、常闭点的小型继电器,以便适合不同被控目标的要求。图4是图2、图3的方框图。联机调试时,发射头将发射固定不变的激光束,只要将激光束的光斑落在接收头上固定好,通过不同的控制键就可准确地控制SZ9150的不同输出,进而控制不同的目标。也可多键同时控制多个动作。

对不同角度或不能直接控制的目标,则需增加光学镜片,来完成激光束的折射、转弯等。增加光学镜片折射时,将对激光能量产生衰减和发散,从而影响控制距离。本控制系统距离可在几十米至几百米的范围。要求激光能量高、光学镜片优良,控制距离远,否则距离将缩短。
(2) 报警器:见图5,本电路的报警功能是利用其激光光路被遮断来实现的,因此工作时总要有编码的激光束发出,并被接收而维持报警电路的静态。一旦有人侵入,激光束被挡,接收电路收不到编码信号而转变为动态,即报警状态,直至解除。本电路做为报警电路时,键控组合部分改由开关组合替代。不同开关的接通将产生不同的识别码,有利于报警电路的保密性。而本电路的测烟防火、户外测雨雪等功能与此类似,不再多述。

(3) 本电路又一功能是通讯,见图6。此时激光束是含有受声音调制波形的激光束,当接收端解调后,再将声音信号放大便实现了中远距离的通讯,如需进行折角通讯,就要加装光学系统来辅助,这有利于减少特殊环境中的电波污染,不干扰其他设施,又避免了许多工程性施工布线,省去大量线材,可实现特殊定向的联络等等。

元器件选择:激光头(630~680)的玩具激光头,取出头芯,焊上二根电源导线即可。
三极管:9013、9015。
IC:9148、9150(9149也可)。控制量和控制范围大时,可选用多种编解码红外IC。
接收头:一般红外接收头均可。
光学镜片:最好用光学平镜的镀层一面,用普通镜片应越薄越好,因为不纯的玻璃介质将严重影响激光束的准直性。
印板制作:可根据数量多少采用不同方法印刷,数量少时,建议采用多用孔板直接焊接。
大批量时,可制作印制板,为输入控制信号和输出执行信号的方便,采用插针和多针插座,大家可根据要求安置插线。如果追求简单,可直接焊线。
小型万向云台的制作:由于激光发射和红外接收需方便的调节,在进行防盗布控时各折射平镜也需方便地调整角度,因此需一种小巧方便的万向云台。结构见图7。图8为激光头的结构示意图。


整机调试:本电路只要正确安装,几乎不需调试,但整体调试时需注意以下内容:
① 激光头工作电流25~30mA左右比较合适。
② 光学镜片应该使用镀膜面,最好高质镀铝镜片。
③ 控制用时,可根据需要选择开关按钮的多少及不同的控制方式,如开关点动或调整方式(无锁按钮)。
激光发射的精细与否,直接影响接收质量。从而影响控制灵敏度和距离,所以挑选激光头十分重要。挑选时让激光束射在10m左右的白纸靶上,红色光斑应均匀,亮度高,大小越集中越好。如偏差较多,可微调压盖,反复多次的细微调整,方可达到上述要求。如果偏差较大,只能另选或作为近距离遥控使用,调好后可用少量硅胶固定。
(郭林)