150mW立体声音频功率放大器TPA6111A2
TPA6111A2是德州仪器公司的150mW立体声音频功率放大器,可用3.3V及5V单电源工作,也可在2.5V低电压下工作;开机、关机噪声抑制;内部有V\(_{DD}\)/2偏置电路;增益由外设R\(_{f}\)及R\(_{i}\)确定;有过热保护及短路保护;可以与TPA122、LM4880及LM4881(SOIC)互换,其管脚兼容;8管脚SOIC式MOSP封装。
器件参数:16Ω负载时输出功率为150mW;在0~20dB增益内无需加补偿电路;THD+N在1kHz、5V供电、16Ω负载时为0.03%;在20Hz~20kHz音频带宽内交叉干扰小于1%;负载32Ω、1kHz时THD+N可降低到0.02%。
应用电路如图1所示。C\(_{(S)}\)为电压输入端旁路电容,一般取0.1~1μF;R\(_{f}\)与R\(_{i}\)的比值决定放大器的增益,R\(_{i}\)决定放大器的输入阻抗,C\(_{i}\)、C\(_{(C)}\)与放大器的低频响应有关[(C\(_{i}\)=1/2πf\(_{C}\)R\(_{i}\)),C\(_{(C)}\)=1/2πf\(_{C}\)R\(_{L}\)]。式中f\(_{C}\)是最低输入频率或输出频率,R\(_{L}\)为负载电阻。

查询网址:
www_s.ti.com/sc/ds/tpa6111a2.pdf。@
高精度、超低静态电流、输出1.5A的低压差线性稳压器ADP3339
ADP3339是ADI公司推出的一种高精度、超低静态电流、输出1.5A的低压差线性稳压器。该器件主要特点是:在负载电流1.5A范围内及工作电压范围内,输出电压精度高,在25℃时为±0.9%,在工作温度范围内(-40℃~+85℃)为±1.5%;低压差,在1.5A输出时压差典型值为230mV;输出电容容量小,仅需1.0μF即可保证工作稳定性,因此可采用小尺寸贴片式陶瓷电容或其他任何电容;内部有输出电流限制及过热限制;低噪声;工作电压2.8V~6V;小尺寸SOT-223封装。
该器件组成的电源仅需外接两个电容器,如图4所示。

该器件主要应用于笔记本电脑、SCSI终端、电池供电的电子设备、PCMCIA用的稳压器、电子照相机等。
查询网址:
www.analog.com/product Selection/pdf/ADP3339-0.pdf。@
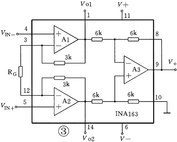
低噪声、低失真仪器放大器INA163
INA163是德州仪器公司的低噪声、低失真单片仪器放大器。它的电流反馈电路有很宽的带宽,且在一个宽的增益内有极好的动态响应。特点:低噪声,在1kHz时为1nV/\(\sqrt{Hz}\);在1kHz、G=100时 ,THD+N为0.002%;宽的带宽,在G=100时为800kHz;宽的工作电压:±(4.5V~1.8V);增益由外设电阻R\(_{G}\)确定:G=1+6000/R\(_{G}\);贴片式SO-14封装;工作温度-40℃~+85℃。
由于它噪声低、失真小,频带宽,非常适合于医疗仪器方面的应用、尤指前置放大器。另外,它用于动圈式变换器的放大器、差动接收器及桥式变换器的放大器等。
典型应用电路如图3所示。

查询网址:
www_s.ti.com/sc/ds/ina163.pdf。@
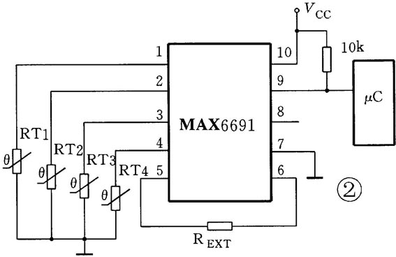
四通道热敏电阻温度/脉冲宽度变换器MAX6691
MAX6691是MAXIM公司的一种将四通道热敏电阻温度变换成脉冲宽度的变换器,输出直接与μC接口。特点是:单线接口;最多可测4个温度值;低的平均热敏电阻电流可减小自热引起的温度误差;内部的基准电压源与热敏电阻隔离以减小噪声;适应任何热敏电阻的测温范围;工作温度-55℃~+125℃;10μMAX封装。
该器件主要应用于通风采暖系统、家用电器及医疗仪器等。
应用电路如图2所示。RT1~RT4为热敏电阻,每一个与外接电阻REXT组成分压器,由内部基准电压源供电,并将温度值转换成脉冲宽度(脉冲宽度正比于测量温度)。脉冲信号由I/O口输出,I/O口为开漏结构,需外接上拉电阻(10kΩ)。在两次变换的中间时间自动进入睡眠模式,耗电仅10μA(max)。

查询网址:
pdfserv.www.maxim-ic.com/arpdf/MAX6691. pdf。