微波探测器模块DZ9861采用平面天线技术,有极高频率稳定性及很好的性价比。DZ9862是针对DZ9861而开发出的微波红外双鉴报警探测器专用控制芯片。
1. DZ9861(见图1)主要功能如下:

脉冲输入:占空比1∶35,频率2kHz,幅度4.5~5V,平均电流≤2mA;输出幅度:0~3.5V(电源脉冲幅度+5V,R\(_{L}\)=∞),0~20mV(电源脉冲幅度+5V,R\(_{L}\)=330k);微波中心频率:10.525GHz±330kHz;测距:6~8米。
2. DZ9862简介
(1) 主要性能:
工作电压:5V±0.5V,适用温度:0℃~80℃,工作频率:3.58MHz,功耗:小于1.5mA(V\(_{DD}\)=5V),工作温度:0℃~70℃,储藏温度:-65℃~150℃,输入电压:-0.3V~+6.0V,输出电压:-0.3V~+6.0V。
(3) 模式选择见表2。

该芯片只有后缀为C或D,才具有外接存储器功能。此时,必须接上外接存储器(93C46);如果后缀为A或B时,外接存储器引脚均悬空。
(4) DZ9862直流电气特性:(Ta=0℃~70℃,V\(_{DD}\)=+5V,V\(_{SS}\)=0V)
图3为系统主电路,其核心元件为DZ9862××。红外信号、微波分别由③、④脚输入。①和②脚分别驱动LED1、LED2和LED3,DZ9862根据③和④脚输入信号的大小或变化量使LED1、LED2和LED3点亮。在使用中LED2可不接,这时将由LED1和LED3来指示。当小信号输入时,LED1点亮;当为大信号时LED3点亮,报警状态LED1和LED2均亮。当DZ9862处于报警状态时,输出高电平使继电器动作。

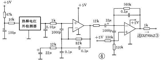
图4为红外检测单元的电原理图,热释电红外探测器接收物体移动信号,经两级放大后送给DZ9862的③脚。图5为微波检测单元的电原理图。DZ9862的输出脉冲信号经三极管VT1和VT2放大整形,供给DZ9861作为电源。当接收到物体移动时,DZ9861输出一个多普勒效应信号,经检测放大后送DZ9862④处理。有关本文的供货信息,请参见本期第67页广告。

(黄传明)

