手机的开机维持信号用来控制电源电路保持输出。开机维持信号通常是由中央处理单元输出的。
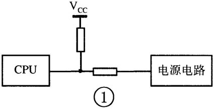
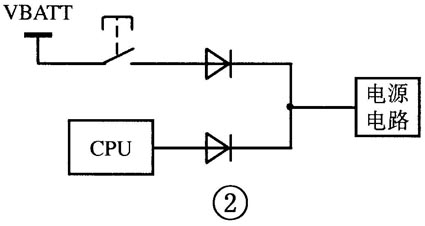
摩托罗拉的和开机维持信号线路是最典型的,如图1所示。三星手机的开机维持信号线路如图2所示。NOKIA手机的开机维持信号通常是CPU输出,直接连接到电源模块。


开机维持信号通常都是一个高电平信号,该信号使电源电路中电压调节器保持输出。若该信号不正常,会导致手机不能开机。
检测开机维持信号线路时,可结合电压检测法与电阻法进行。检测开机维持信号时,可参照图3、图4所示用示波器或万用表进行。同时,可用万用表跟踪信号线路。


对于图3所示的类似电路,若测试点处无高电平信号,应检查逻辑电路;若有高电平信号,但电源电路不能保持输出,应检查电源电路。
对于高电平触发开机的手机,在开机维持信号线路的检修方面,假如只是CPU没有开机维持信号输出,其他方面都基本正常,则通常会出现电源键被按下并保持时手机能开机,放开电源键手机就关机。
有一个应急的修理方法,如图5所示。

将开机维持信号线与CPU之间断开,然后从逻辑电压调节器的输出端引一个高电平到图所示的位置(爱立信788手机就经常采用这种方法进行处理)。
当然,不同的手机应根据具体电路做一些更改。
(钟云)