彩电的小信号处理电路(如中放通道电路、色解码电路和电调高频头电路等)均采用+12V电源电压供电。本人在家电维修工作中遇见十几例故障,从故障表面现象上看,似与12V电源电压无关,但却被12V电源不良所蒙骗,走了不少弯路,几经周折,最后把12V电源电路修复后,机器才恢复正常工作。下面用二个维修实例,以示说明。
例1:
康佳T2106彩电自动(半自动)搜台不记忆。
彩电自动搜台记忆应具备两个条件:一是CPU电路IC601的必须得到正确的S形AFT信号;二是IC601的应收到正确的电视信号识别电压。
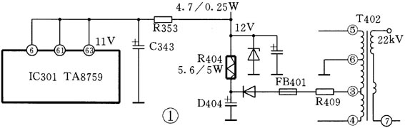
根据该机故障现象分析,本着先易后难的原则,先检查易损元器件:中放通道的图像中频线圈T004和AFT调谐线圈T003,卸下T004和T003后,发现内附电容器氧化变质发黑。分别换上同型号的T004和T003后,开机试之故障依旧。再检查电视信号识别电压是否送入IC601的,用万用表电压挡测IC601的电视信号识别电压为4.2V(图标1.4V),显然高于标称值。再检查电视信号识别电路,查Q304、Q305等器件未发现异常。测IC301(TA8759)的行消隐输入端电压为0.5V(图标值1.57V),显然低于标称值。既然电压不对,应检测IC601的供电电压,测IC601的电压为5.2V基本正常,再检测IC301⑥、紜{6}、紞{6}脚的Vcc电压为9.2V(图标值11V),显然低于标称值,如图1所示。最后检查12V供电电路,发现R404电阻值为18Ω(图标值为5.6Ω),换上同阻值新电阻后,开机一切正常。

例2:
黄山AH5353彩电出现一条水平亮线故障。
根据故障现象分析,首先检测场输出集成块N401(LA7830)的供电电压为26V,正常,测N401的②脚(场输出中点)电压几乎为0V(正常电压为13V左右),怀疑此集成块损坏,拆下N401测②脚对地脚电阻值为10Ω左右,说明此集成块已击穿损坏。换上新的N401,通电测②脚电压为20V左右,明显比正常电压值(13V)高出7V。由于屏幕光栅较暗不便观察,稍调高加速极电压后,观看光栅,有整帧光栅,屏幕上半部分线性失真(折叠压缩),屏幕下半部分基本正常。检查N401的外围元件无异常。因场输出集成块N401和N201(μPC1423)形成场闭合反馈电路,检查N201和其外围元件也无问题。
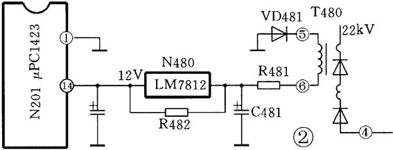
从图2所示电路可知,通过VD481整流、C481滤波输出电压为15V,再经N480(LM7812)稳压输出12V电压向N401和N201供电。实测N480输出端电压为15V,明显高出正常值3V,说明N480有问题,卸下N480后,用万用表检测,已损坏。更换N480后,测其稳压输出为12V正常,故障排除。

(赵淮北)