一台凯歌牌4B23型数字式电脑选台调幅、调频立体声收音,自动循环放音高级汽车音响,无论是收音还是放音,右(R)声道声音正常,而左(L)声道声音严重失真,且关机后,左声道扬声器中还出现“嚓嚓”声,此声音持续约2秒钟左右才消失。
凯歌牌4B23是一种新型高级汽车音响,其收音电路采用数字调谐、数字显示方式,电路结构较为复杂,主要由14块集成电路为主构成,采用电子调谐器收音方式。其中:
1IC1(D1140)为FM收音中放集成电路;1IC2(D3370)为FM立体声解码集成电路;2IC1(μPC1215V)为AM波段收音信号处理集成电路;5IC5(μPC1701C-011)为选台用微电脑;4IC2(D7240AP)为功率放大集成电路。
该机无论是收音还是放音,都是右声道正常,左声道异常,说明问题出在左声道收、放音的共用电路上。检修时,要先找到这部分电路,然后由此处入手查起。为了便于查找故障,首先简介FM、AM收音及放音的信号流程。
FM波段收音电路信号流程
FM波段电子调谐器4TX8④脚输出的FM中频信号经1VT2管预放大→1LB2选频滤波→1IC1①脚,经中频放大电路放大,鉴频后得到的立体声复合信号从⑧脚输出→1IC2的②脚输入,经立体声解调以后,从⑤、⑥脚输出,再经去加重电路→1VD6、1VD7隔离二极管加至4C1、4C2耦合电容的负极端。
AM波段收音电路信号流程
AM波段收音电路由2VT1、2VT2管及2IC1为主构成。经电子调谐选出的信号经检波后得到的音频信号从μPC1215V的输出,经R213电阻→2C22电容耦合→2VD4、2VD5隔离二极管也加到4C1、4C2耦合电容的负极端。
放音电路信号流程
磁带放音电路由3IC1(D7784P)集成电路为主构成。磁头拾取的音频信号经磁带(左、右声道)转换开关直接加到3IC1的⑦、,经均衡补偿和放大以后,从②、输出,经3VD1、3VD2隔离二极管后,同样也加到4C1、4C2耦合电容的负极端。
由上述介绍看出,各路信号都是由4C1、4C2电容耦合加到直流音调控制、音量控制、音量平衡控制集成电路4IC1②、,经各种功能的调整以后从⑥脚输出,经电容4C15、4C16、4C17、4C18耦合加到4IC2①、⑥脚并输入,经功率放大以后从⑧、输出,经电容4C28、4C29耦合,去推动扬声器发声。
由此可见,电容4C1、4C2及其以后的电路为收音和放音的共用部分。而4C2电容以后的电路即为L声道收、放音的共用电路。这部分电路主要包括:直流音量、音调、音量平衡控制电路以及功率放大电路两部分。检修时,可采用断开功放电路输入信号耦合电容的方法,来确定故障出在哪一部分。以下介绍其检修方法。
1. 判断故障的大致部位
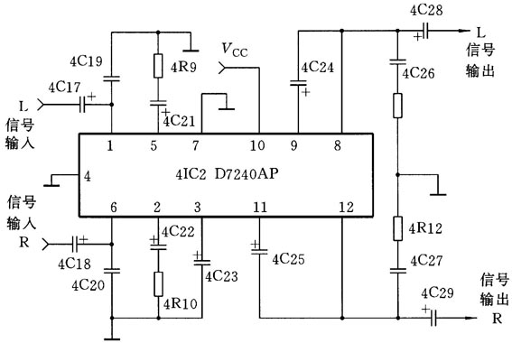
先焊下4C17、4C18电容的正极端引线,再将4C18电容正极引脚改焊到4IC2的①脚(相关电路见附图)后试机,左声道放出的声音依然失真。由此说明,故障出在功率放大电路。

2. 检查音频功率放大电路
(1) 该机音频功率放大电路由4IC2集成电路为主构成。对比测得4IC2的⑥、⑤、⑨、⑧脚与①、②、脚上的电压基本相同,且均在正常值范围内。由此说明,音频功放电路的直流通路是正常的,问题出在其交流信号通路中。
(2) 对音频功放电路交流信号通路进行检查,主要应检查各电容是否正常。用电容并联法寻找失效的电容,当用一只1000pF的瓷片电容并接在4C19的两端时,左声道失真有所减小,焊下4C19电容测得其漏电阻约为350kΩ(用MF-47型万用电表R×10kΩ挡测得),显然已损坏。用一只新的1000pF电容焊上后,故障排除。
小结:4C19连接在功放集成电路4IC2的①脚与地间,是左声道音频功率放大电路信号输入端的高频旁路电容。由于其严重漏电,使前级输入的信号在此处旁路到地一部分;同时,由于4C19并接在4IC2的①脚与地间,其漏电阻的作用,相当于在①脚与地间加接了一只约为350kΩ的固定电阻,由于该电阻的分压作用,也使4IC2①脚内电路的工作点发生了变化,从而引起了上述故障。
另外,4C20为右(R)声道音频功率放大电路信号端入端的高频旁路电容,当其漏电时,将会导致右声道收、放音声音失真故障。其检修方法与分析思路与左声道基本相同。
本例检修的第一步是很重要的,它是区分故障是在音频功率放大电路还是在直流音量、音调、音量平衡控制电路的关键一步。如对调4C17、4C18耦合电容的引脚后,故障出在另一声道,则说明故障出在后者电路,应进一步重点对直流音量、音调、音量平衡控制集成电路4IC1进行检查。
(吴鸣山 孙余凯)