北京 桂旭:我们几个同学自己组装MF110型万用表,有的同学一装就好,有的同学装好后却不能使用,仔细核对电阻的位置也都没错,不知为什么?
这个问题很有代表性,初学者自装万用表时,也常常遇到这两个问题。为什么电阻都装对了,有的同学的万用表就不能使用呢?要害就在于选挡开关上的弹簧片安装位置不对。正确的方法是:(1) 把选挡开关正面的标记线(一般为白色的)对在电阻挡上(如R×100),见图1。(2) 让选挡开关反面的弹簧片的三个接触点对准印制电路板电阻挡的铜皮,分别见图2(a)、(b)。找出电路板电阻挡的铜皮方法有两种:一是电阻挡的印制铜皮从里往外有三层,其他各挡只有两层,见图2(b),这也是为什么把选挡开关开始定位在电阻挡的理由所在;二是从原理图中找出电阻挡的阻值,然后再找出这个电阻对应的印制铜皮(因万用表中给出的大多都是五环电阻,且颜色标识也不太清楚,因此对初学者有一定难度),如果从颜色上不好辨别,可另找一块万用表测量。


找好弹簧接触片的位置后,安上弹簧片下边的滚珠,用自攻螺丝把弹簧片拧紧在选挡开关上即可。
(沈长生)@
山东 李山山:在购买电阻时经常听到“系列值”这个词,请问是什么意思?
“系列值”就是“标称阻值系列”,工厂生产的电阻都是按照系列值来生产的。附表列出了普通电阻的“标称阻值系列”。
举例说明:例如,对于误差为±5%的电阻,只生产标称值(标在电阻上的数值)为1.0、1.1、1.2、1.3……9.1的电阻或以这个数值(系数)乘以10、100、1000……的电阻。具体来讲附表中1.3这个标称值,可以是1.3Ω、13Ω、130Ω、1.3k、13k、130k、1.3M(工厂生产的电阻范围一般是1Ω至10MΩ)。如果你需要一只29Ω的电阻,就不能在电阻的系列值里直接找到,也就是市场上没有29Ω这样的产品。你可以多买一些30Ω的电阻(标称值系列),然后用仪表测出你需要的29Ω电阻,因为30Ω的-5%就包含29Ω。当然也可按照用几只电阻串、并联的方法获得。

(沈长生)
北京 刘春:有的书上说区分发光二极管正、负极时,可以看发光管内部的管芯,管芯面积小的一边引线为正极,管芯面积大的一边引线为负极,这种说法对不对?
大多数发光二极管内部管芯小的一边引线为正极,管芯面积大的一边引线为负极,但有些发光二极管(大多是进口管芯)却正好相反。所以在没有十分把握的情况下,最好用万用表电阻挡(大于1.5V的挡位)测量其正、反向电阻来判断正、负极。
(沈长生)@
网友 陈浩南:我手头有一个电源变压器,由于没有标识,所以不知哪端为220V交流输入端,变比又是多少?
只要用万用表电阻挡测出阻值最大的那个绕组就是接220V的输入端绕组。知道了输入端绕组,就可以用电源线把找到的输入端接在电源插座上,然后用万用表交流电压挡,分别测出另外的绕组输出电压的数值,则变压器的变比也就可以算出来了。
(沈征)@
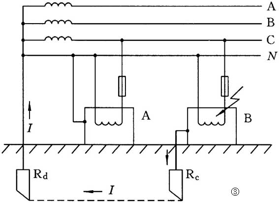
山西 魏鹏举:本刊今年第4期“安全用电”一文中谈到,在同一供电系统中保护接地与保护接零不能混用,这是为什么呢?两者都用不是更加安全吗?
我们可用图3所示的情况进行分析。图中电器A采用保护接零,电器B采用保护接地。假定采用保护接地的电器发生漏电(火线碰壳),由于故障电流较小,往往不足以使熔断器断开,电流就会经电器B的接地电阻R c流入大地,并通过大地流向变压器中性点接地装置,返回中性点,这就导致零线电位升高,并有可能升高到安全电压以上,这时人体触及正常的采用保护接零的所有电器外壳时,都有发生触电的危险。所以,保护接地与保护接零混用,不是更加安全,而是加大了触电的危险性。

(向群)@
武汉 陈雄华:独石电容器与CBB电容器各有什么特点?它们适用于什么场合?
独石电容器是瓷介电容器的一种,但它的制作工艺与一般瓷介电容器有所不同。它采用以钛酸钡为主的陶瓷材料,制成若干片厚度为几十微米的陶瓷薄膜,预先印制上电极,然后压叠在一起烧结而成。它的特点是电容量大、体积小、耐高温、可靠性高,成本低廉。缺点是稳定性较差,损耗较大。一般在电子电路中用作交流旁路、滤波和耦合等。
CBB电容器是聚丙烯薄膜电容器,是无极性有机介质电容器中的优质品种之一。它的特点是高频特性好,耐温性能优良。主要用于电视机、仪器仪表中作积分电容,也可用在其他交流电路中。
(沈征)