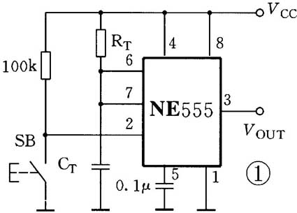
由NE555组成的定时器,实质上是一种单稳电路(图1)。

按下SB时,②脚(触发端)为低电平(≤1/3V\(_{CC}\)),③脚跳变为高电平。定时电容C\(_{T}\)由V\(_{CC}\)经R\(_{T}\)充电至2/3VCC时,内部触发器翻转,③脚变为低电平,定时结束,波形如图2所示。该电路的优点是电路简单,定时时间与电源电压V\(_{CC}\)无关,仅与R\(_{T}\)、C\(_{T}\)有关。其缺点是当C\(_{T}\)的容量较大时,定时精度较差,并且不适合作长时间定时器。

定时时间的计算
图1的定时时间为:T≈1.1R\(_{T}\)C\(_{T}\),R\(_{T}\)的单位为MΩ、C\(_{T}\)的单位为μF时,则T的单位为秒(\(_{s}\))。
从上公式来看,要求较长时间的定时(如几十分钟),只要取大的R\(_{T}\)及C\(_{T}\)值即可。例如,如果取R\(_{T}\)=10MΩ,C\(_{T}\)=100μF,按上公式计算定时时间T≈1100秒,约18.4分钟。
大容量的电容器一般采用铝电解电容器,可做到上千微法拉,因此,设计成几十分钟的长时间定时器似乎没有什么问题。但是铝电解电容器(包括钽电解电容器)有一个漏电流I\(_{O}\)问题,它使定时器精度变坏,并且会使定时器不能正常工作。
电容漏电流I\(_{0}\)
电容漏电流I\(_{O}\)的大小与制造电容器的材料有关,并且与工作电压U\(_{R}\)及电容容量C\(_{R}\)有关,普通铝电解电容器有I\(_{O}\)≤(0.01~0.03)U\(_{R}\)C\(_{R}\)(μA),式中0.01~0.03为系数,不同型号、规格的品种系数有不同值。低漏电铝电解电容器的I\(_{O}\)为
I\(_{O}\)≤(0.002~0.004)U\(_{R}\)C\(_{R}\)
例如,U\(_{R}\)=5V,C\(_{R}\)=100μF,普通铝电解电容器的漏电流为
I\(_{O}\)≤(0.01~0.03)U\(_{R}\)·C\(_{R}\)=(0.01~0.03)5×100,则最大值I\(_{Omax}\)=5~15μA。而低漏电型I\(_{O}\)为
I\(_{O}\)≤(0.002~0.004)U\(_{R}\)C\(_{R}\)
最大值I\(_{Omax}\)=(0.002~0.004)5×100=1~2μA。
另外,漏电流大小与工作温度有关。
定时器电路分析
从图2中可知,定时器开始定时时C\(_{T}\)开始充电,其最大充电电流I\(_{C}\)为
I\(_{Cmax}\)=V\(_{CC}\)/R\(_{T}\)
如果R\(_{T}\)=10MΩ,V\(_{CC}\)=5V,则最大充电电流I\(_{C}\)为
I\(_{Cmax}\)=5V/10MΩ=0.5μA
随着电容器充电,电容器上电压不断提高,其充电电流不断减小。
以上的情况是未考虑电容器C\(_{T}\)的漏电。实际上在电容器充电的同时,电容器也在漏电。如果在开始充电时,充电电流I\(_{C}\)大于漏电电流I\(_{O}\),并且充电到2/3V\(_{CC}\)时仍保持I\(_{C}\)>I\(_{O}\),则定时时可以正常工作,只是定时的时间较1.1R\(_{T}\)C\(_{T}\)计算时间长一些;如果充电开始时I\(_{C}\)>I\(_{O}\),随着充电过程中I\(_{C}\)减小,一旦I\(_{C}\)=I\(_{O}\)时,电容器充电结束,则定时器失效。
例如,I\(_{Cmax}\)=0.5μA,即使采用低漏电流的品种,其漏电流也可能比0.5μA大,则这电路是无法工作的。
计算举例
如果按图1电路,R\(_{T}\)=1MΩ,C\(_{T}\)=100μF,则定时时间T≈110秒(1.8分钟左右)。因为电解电容器好的允差为±20%,而一般的允差为+50%,-10%,所以计算仅是个估算。
若V\(_{CC}\)=5V,则最大充电电流I\(_{C}\)为
I\(_{Cmax}\)=5V/1MΩ=5μA
若采用较好铝电解电容,其漏电流I\(_{O}\)为(1~1.5)μA,则充电充到2/3V\(_{CC}\)时,充电电流I\(_{C}\)为
I\(_{C}\)=(5V-5V·2/3)/1MΩ=1.67μA
此时,I\(_{C}\)仍大于I\(_{O}\),所以该定时器能正常工作。如果电容器漏电达到2μA,则定时器会失效。所以最好采用钽电解电容器,它的漏电流一般小于1μA。
(戴维德)