[1] 晶体三极管通常简称为晶体管或三极管,是一种具有两个PN结的半导体器件。晶体三极管是电子电路中的核心器件之一,在各种电子电路中的应用十分广泛。

[2] 晶体三极管的文字符号为“VT”,图形符号如图所示。

[3] 电流放大系数β是晶体三极管的主要参数之一,是指集电极电流I\(_{c}\)的变化量与基极电流Ib的变化量之比,反映了三极管的放大能力。如图所示,当I\(_{b}\)从40μA上升到60μA时,相应的I\(_{c}\)从6mA上升到9mA,其β=(9-6)×10\(^{3}\)/(60-40)=150。

[4] 特征频率fT是晶体三极管的另一主要参数。当工作频率超过一定值时,三极管的β值开始下降。β值下降到1时所对应的频率即为特征频率f\(_{T}\)。

[5] 晶体三极管具有三根管脚,分别是:基极b、发射极e和集电极c,使用中应识别清楚。

[6] 晶体三极管的基本工作原理如图示(以NPN型管为例)。当给基极(输入端)输入一个较小的基极电流Ib时,其集电极(输出端)将按比例产生一个较大的集电极电流I\(_{c}\),这个比例就是三极管的电流放大系数β,即I\(_{c}\)=βIb。集电极电流和发射极电流受基极电流的控制,所以晶体三极管是电流控制型器件。

[7] 检测晶体三极管时,万用表置于“R×1k”挡。先用黑表笔接某一管脚,红表笔分别接另外两管脚,测得两个电阻值。再将黑表笔换接另一管脚,重复以上步骤,直至测得两个电阻值都很小(NPN管)或都很大(PNP管),这时黑表笔所接的是基极b。

[8] 接着,对于NPN管,用红表笔接基极以外的一管脚,左手拇指与中指将黑表笔与基极捏在一起,同时用左手食指触摸余下的管脚,这时表针应向右摆动。将基极以外的两管脚对调后再测一次。两次测量中,表针摆动幅度较大的那一次,黑表笔所接为集电极,红表笔所接为发射极。表针摆动幅度越大,说明被测三极管的β值越大。对于PNP管则对调红、黑表笔测量。

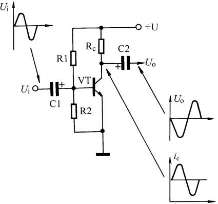
[9] 晶体三极管最基本的作用是放大。图示为晶体三极管放大电路,输入信号U\(_{i}\)经C1加至三极管VT基极,使其集电极电流相应变化,并在集电极负载电阻R\(_{c}\)上产生压降,经C2输出。由于输出电压等于电源电压与R\(_{c}\)上压降的差值,因此输出电压U\(_{o}\)与输入电压U\(_{i}\)相位相反。R1、R2为VT的基极偏置电阻。

[10] 晶体三极管具有开关作用。图示为驱动发光二极管的电子开关电路,开关管VT的基极由脉冲信号CP控制,当CP=“1”时,VT导通,发光二极管VD发光;当CP=“0”时,VT截止,发光二极管VD熄灭。R为限流电阻。
[11] 复合管是由两个或更多三极管按一定规律组合在一起而成。达林顿管即为一种复合管,图示为两个NPN型三极管构成的达林顿管,等效为一个高β值的晶体三极管,β=β1·β2。达林顿管也可由两个PNP管,或一个PNP管和一个NPN管构成。
[12] 带阻三极管是一种内部包含有一个或几个电阻的晶体三极管,近年来在家用电器和音像设备中应用较多。图示为较常见的两种带阻三极管内部电路结构。
[13] 场效应晶体管通常简称为场效应管,是一种利用场效应原理工作的半导体器件。和普通双极型晶体管相比较,场效应管具有输入阻抗高、噪声低、动态范围大、功耗小、易于集成等特点,得到了越来越广泛的应用。场效应管的文字符号也为“VT”,图形符号如图所示。
[14] 场效应管一般具有3个极(双栅管有4个极):栅极G、源极S和漏极D,它们的功能分别对应于双极型晶体管的基极b、发射极e和集电极c。由于场效应管的源极S和漏极D是对称的,实际使用中可以互换。
[15] 场效应管的基本工作原理如图示(以结型N沟道管为例)。由于栅极G接有负偏压U\(_{G}\),在G附近形成耗尽层。当负偏压U\(_{G}\)增大时,耗尽层增大,沟道减小,漏极电流I\(_{D}\)减小;当负偏压U\(_{G}\)减小时,耗尽层减小,沟道增大,漏极电流I\(_{D}\)增大。漏极电流I\(_{D}\)受栅极电压的控制,所以场效应管是电压控制器件。
[16] 检测结型场效应管时,万用表置于“R×1k”挡,用两表笔分别测量每两个管脚间的正、反向电阻。当某两个管脚间的正、反向电阻相等,均为数kΩ时,则这两个管脚为漏极D和源极S(可互换),余下的一个管脚即为栅极G。
[17] 估测结型场效应管的放大能力:万用表置于“R×100”挡,两表笔分别接漏极D和源极S,然后用手捏住栅极G(注入人体感应电压),表针应向左或向右摆动。表针摆动幅度越大说明场效应管的放大能力越大。如果表针不动,说明该管已坏。
[18] 场效应管很高的输入阻抗非常适合作阻抗变换。图示为场效应管源极输出器,其特点是输入阻抗Z\(_{i}\)很高、输出阻抗Z\(_{o}\)较低,常用于多级放大器的输入级作阻抗变换。
[19] 场效应管可以用作可变电阻。图示为录音机自动电平控制电路,当输入信号U\(_{i}\)增大导致U\(_{o}\)增大时,由U\(_{o}\)经VD负向整流后形成的栅极偏压-U\(_{G}\)的绝对值也增大,使场效应管VT的等效电阻增大,R1与其的分压比减小,使进入放大器的信号电压减小,最终使U\(_{o}\)保持基本不变。

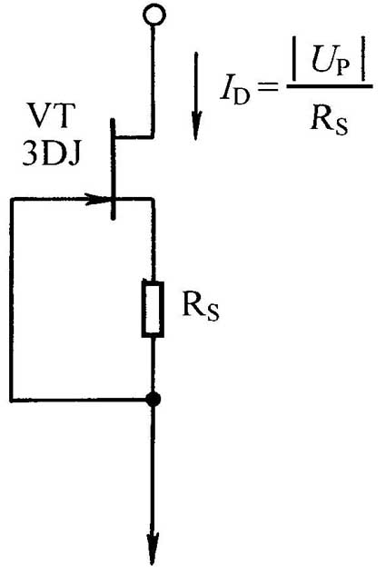
[20] 场效应管可以方便地用作恒流源,如图所示,如果漏极电流I\(_{D}\)因故增大,源极电阻R\(_{S}\)上形成的负栅压也随之增大,迫使I\(_{D}\)回落,反之亦然,使I\(_{D}\)保持恒定。恒定电流I\(_{D}\)=|U\(_{P}\)|/R\(_{S}\),式中,U\(_{P}\)为场效应管夹断电压。

(莫恩)