本文介绍的环境噪声电平显示器,采用8只发光二极管直观显示环境噪声的强度。当噪声较大时,发光二极管点亮的个数就多;当噪声较小时,发光二极管点亮的个数就少。
工作原理
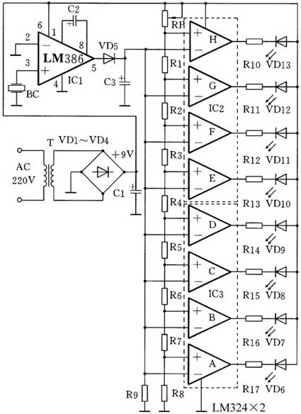
220V交流电经变压器降压,VD1~VD4整流,C1滤波,获得+9V直流电压(附图)。IC1为音频功率放大电路LM386,由它放大压电陶瓷片BC检拾的噪声信号,从⑤脚输出。此信号变换为电容C3所充端电压的大小。IC2、IC3为两片四运放LM324,标为A~H作比较器用。R1~R8及RP为分压电阻,用于从低到高偏置8个运放A~H的同相端电位。当作用于BC的环境噪声较小时,C3所充电压略低于电源电压的一半,此电压低于8个比较器所设定的同相端偏置电压,所以8个比较器均输出高电平,VD6~VD13不亮。当作用于BC的噪声较大时,C3所充电压较高,排在前面(按A~H顺序)的一个或数个比较器将被触发翻转并输出低电平,点亮相对应的发光二极管。当噪声足够大时,C3能充到接近电源电压,使8个比较器全部翻转,VD6~VD13全部点亮,显示噪声的强度最高。对噪声灵敏度可以通过RP来调节。

元器件选择
VD1~VD4为1N4001,VD5为2AP9,IC1为LM386,IC2、IC3为两片LM324,C1=220μF,C2=10μF,C3=100μF,R1~R8=1kΩ,R9=100kΩ,R10~R17=200Ω,RP=220kΩ,VD6~VD13为红色发光二极管,BC为带助声腔的压电陶瓷片。
上期试题答案
1. EL断路。2. 39Ω,1.5kΩ,6.8Ω,2.51MΩ。3.甲。4. 集肤,Q。5. 电流放大倍数降为1,ΔIc,ΔIb。6. 共阴极,共阳极。7. 饱和,小。8. 提高中频放大器的增益,减小镜像干扰。9. 不能。10. 525~1605kHz,88~108MHz。11. 反馈电压的极性和幅度。12. 涤沦。
三、 问答题
1.答:用一段漆包线在铁芯空隙处穿绕10圈(或更多圈),然后测出10圈两端的电压,从而能得出每伏圈数,然后再按每伏圈数×3倍,得到一个3V的电压,再与6V线圈串联,用万用表测出串联后的线圈两端电压为9V为止。
2.答:以温度升高为例:温度↑→Ic↑→Ie↑→URe↑→Ube↓→Ib↓→Ic↓
3.答:分别用万用表测量两个变压器的两引线一边的电阻值,阻值小的是输出变压器。
4.答:调整磁性天线上电感线圈的位置使低端统调。调整双连输入连上的微调电容使高端统调(实际上三点统调,一般只要做两点统调即可)。中波段的统调点通常取600kHz、1000kHz、1500kHz。
(李诗海)



