1. 应急灯电路
图1使用电容器(C1、C2)降压、VD1~VD4桥式整流、C3滤波,对GB进行浮充备用。GB为两节5号镍镉电池,可以连续使小灯泡EL点亮2小时。如果220V交流断电,SA闭合时,EL会自动点亮。

电路中除R2为2W外,其余电阻器均为0.5W。所有元器件参数已标在图1中。不过在连接220V交流电时,“L”端应接火线,“N”端接零线。
此电路还可以作镍镉电池的充电器,VD5作指示用。由于电路没有变压器隔离,操作时应防触电危险!
2. 头戴电话
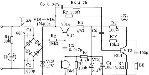
图2所示的头戴电话电路,因无拨号电路,所以只能接入。电路所用的元器件没有什么特殊的要求,BM是小型驻极体话筒。指示灯H用氖管,有振铃信号时才会发光。注意接听电话时要合上开关SA。

3. 小型直流逆变电源
图3的左边部分是充电电路。CD4047是一块CMOS多谐振荡器集成电路,RP可以调节振荡器的工作频率,使它与交流电的频率相同。CD4047的⑩、个相位相反的输出端分别推动两只场效应管VT1、VT2,通过变压器T2升压,输出一个220V的交流电压。

电路中的T1为30W电源变压器,次级输出为12V;T2为30W双9V电源变压器,220V一端作输出。12V的蓄电池应不低于4Ah,也可采用两块6V的蓄电池串联。两只场效应管的型号为IRF540;VD8(RDN240/20)是双向击穿二极管,作输出端的保护。如果加大蓄电池的容量和T1、T2的功率,可以把逆变电路的输出功率提高到100W。
4. 数字骰子
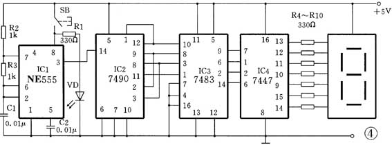
图4所示的电子骰子,可以作为一个电子小游戏来玩。按一下开关SB,数码管就会显示一个数字。电路由555时基电路作振荡器,它的工作频率约为48kHz。由十进制计数器7490和四位二进制全加器7483组成随机信号生成电路,最后由BCD—十进制译码/驱动器7447使数码管显示结果。注意数码管为共阳极。

5. 电话看门狗
图5是一个电话防盗打装置。SA合上时,如果电话线上有盗打者,电路会自动工作,扬声器BL发出鸣叫,同时电路产生的振荡信号将会干扰盗打者,使他不能通话。

电路中稳压二极管的稳压值要符合要求,三极管VT1可用C1008,要求耐压不低于60V,三极管VT2可用9014等。
此电路的静态电流稍大,约为0.4mA,不符合我国电话线路对电话机的要求。如果要改进,可以将电阻器R1增大,同时将VT1换为复合管。
6. 自动开关
图6所示电路简单,可靠性好。在负载不工作时没有能耗。按钮开关SB1和SB2分别对应“关”和“开”。如果电路在“开”的状态下,线路停电,又恢复供电时,这个开关会自动处于“关”的状态,保证了用电的安全。图中的负载是灯泡,也可是其他电器,双向晶闸管VS可根据负载的情况来选择使用型号。
电路中的VT1、VT2组成自锁电路,按下SB2,整流滤波后的直流电压通过电容器C2和电阻器R5使VT2导通,并使VT1也导通,电路自锁为双向可控硅提供了触发电压,负载工作。一旦SB1被按下,VT1截止,VS得不到触发电压而关断。
编者注:在因特网上还有大量的实用电子电路,读者可上网查找:www.epanorama.net。
(周海)