超性能耳机放大器MAX4298
主要特点:在有干扰的数字电源下,20kHz工作时,电源变动抑制率高达93dB;在上电或掉电时无“咔哒”或“嘭”一声;在16Ω负载时输出大于1V\(_{RMS}\),在10kΩ负载时输出大于1.5V\(_{RMS}\),并且THD+N为8×10\(^{-}\)6;单电源4.5V~5.5V工作;内部有产生偏置电压(1/2V\(_{CC}\))、过热关闭及短路保护;放大器增益由外接电阻设定;贴片式10管脚μMAX封装;工作温度-40℃~+85℃。
该器件主要应用于笔记本电脑的音频电路、头戴耳机、MP3播放机及录音机等。MAX4298的静态电流较大:达10.2mA(最大值为17.5mA),输入失调电压±1mV;输入偏置电流0.2nA;开环电压增益87dB;信噪比(R\(_{L}\)=10kΩ,V\(_{OUT}\)=1.06V\(_{RMS}\)\(_{V}\)=-1)为105dB。
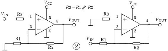
图1中MUTE脚为噪声抑制数字输入端。正常工作时,MUTE接GND;当此端接V\(_{CC}\)时,OUT1及OUT2的噪声被抑制。

查询网址:
pdfserv.maxim-ic.com/arpdf/MAX4298-MAX4299.pdf。@
微功耗满幅值运放MAX4291
主要特点:
工作电压1.8V~5.5V;工作电流100μA;增益带宽积500kHz;开环电压增益(RL=100kΩ)120dB;在1kHz时THD+N为0.017%;输入共模电压接近电源电压;2kΩ负载时,输出电压满幅值(与V\(_{CC}\)差15~40mV,与GND差46~120mV);输入过激励无反相;单位增益稳定(电容负载可达100pF);5管脚SOT-23及SC-70封装;工作温度-40℃~+85℃。失调电压±400mV;偏置电流±15nA;失调电流±1nA;共模抑制比90dB;输出短路电流±20mA。用于便携式电子产品、便携式仪器、蜂窝电话等,如图2所示。

查询网址:
pdfserv.maxim-ic.com/arpdf/MAX4291-MAX4294.pdf。@
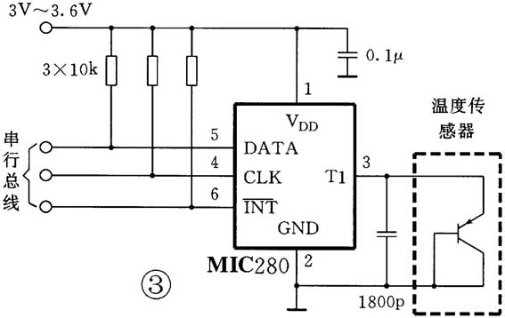
精密热管理器MIC280
它能测量本地(器件所在地)及远地温度(遥测)。用PN结温度传感器(用三极管接成)或这种PN结就在某些器件之中(如计算机的CPU)。遥测时,在60℃~100℃范围内,测温精度达±1℃;抗干扰性强;遥测时温度分辨率为9位到12位;高低温及超温阈值可编程;两线制串口(SMBus)与μP接口;开漏输出中断信号(去μP);工作电压3.0~3.6V;6管脚SOT-23封装。
MIC280的典型应用电路如图3所示。

查询网址:
www.micrel.com/-PDF/mic280.pdf。@
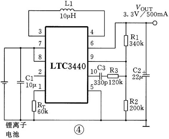
微功耗DC/DC变换器LTC3440
主要特点:
输入电压可以低于、高于或等于输出电压,都能保证输出电压的稳定性;采用同步整流技术,使转换效率高达96%,平均效率为94%,并且无需外接肖特基二极管;有自动升/降压功能,故电池的使用寿命较长。例如一节锂离子电池,输出3.3V电压, 则电池在充满的4.2V一直可用到终止放电的2.5V,充分利用了电池的能量;静态电流小,在脉冲串模式时仅25μA;输出达600mA;有关闭控制,此时耗电小于1μA,输入电压2.5V~5.5V;输出电压2.5V~5.5V(可由两个外接电阻设定输出电压);频率可设定在300kHz~2MHz,振荡器可外同步;内部有两个0.19Ω的N沟道MOS-FET开关管及两个0.22Ω的MOSFET开关管;有软启动、限流过热关闭控制;10管脚MSOP封装。
典型电路如图4所示。R1、R2确定了输出电压V\(_{OUT}\)〔V\(_{OUT}\)=1.22V(1+R1/R2)〕,R\(_{T}\)为决定振荡器频率的电阻。10脚接的C3、R3是误差放大器的频率补偿网络。

查询网址:
www.linear-tech.com/pdf/3440i.pdf。