HT6338是一种CMOS大规模集成电路,专门用于高档电风扇的控制,它除了具有正常风速控制模式外,还具备节律风和睡眠工作模式。每种模式均提供3级不同的速度控制。
HT6338有定时设定和风扇转向功能。其工作状态都由发光二极管LED指示灯作出显示。
主要特性:工作电压为3V~5.5V;具有风速3级可调、定时设定(最大8小时)、3种工作模式(普通、节律和睡眠)、左/右、上/下摇头控制(HT6338A)、LED状态指示灯、32768Hz晶振作系统时钟、报键音输出等功能。
引脚功能和内部结构
HT6338采用16或18脚DIP塑料封装或者20脚SOP塑料封装,由其后缀来区别。引脚排列如图1所示,引脚功能见表1。内引脚内部结构如图2所示。HT6338的内部结构如图3所示。



特性参数
HT6338的极限参数:
电源电压:3.0~5.5V
输入电压:VSS-0.3V~VDD+0.3V
存储温度:-50℃~125℃
工作温度:0℃~75℃
HT6338的电气参数列于表2。

操作过程
用图4所示的框图来描述其操作流程。另外,尚需说明几点:
1. 在“节律”模式下,“速度”分别设置在低、中、高速时,电扇的运行状态如图5所示;2. “摇头”设置一般在“速度”设置之后进行;3. HT6338B只能控制电扇左右摇头;4. 每次关机后,前次设定的各种状态将全部被清除;5. 有键钮操作时,OFF/BZ端就输出0.25秒4kHz的报键音。
应用电路
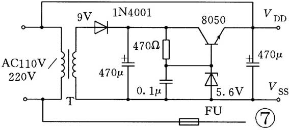
HT6338的应用电路如图6所示。在我国AC220V、50Hz的市电条件下,C1应选用一只1μF/600V的电容。此外,也可以采用变压器降压法,接线方法如图7所示。


编者注:有关HT6338更详细的资料可上网查询:support.tandy.com/sup-port-america/9007540.pdf。
(李学海 鞠文慧)