NC7SP57及NC7SP58是快捷公司(FAIRCHILD)推出的一种超低功耗、通用单二输入端逻辑门。与众不同的是该二输入逻辑门有三个输入端,利用其中某一个输入端接VCC或GND,或与其它一个输入端连接,就能构成各种逻辑门(如与门、或门、与非门等),应用特别灵活。
该器件最低工作电压为0.9V(一般CMOS器件最低工作电压为3V);工作电压范围0.9V~3.6V;最高的输入电压允许到4.6V;工作速度高,传播延迟时间小、输出电流小(见表1);断电后输入及输出呈高阻抗;采用专利的静噪及EMI降低电路;超低动态功耗;工作温度范围-40℃~+85℃;6管脚SC70封装或6管脚Micro Pak封装。

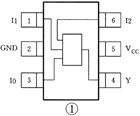
内部结构与管脚排列
内部结构与管脚排列如图1所示。I0、I1、I2是输入端,Y是输出端。它有两种封装:SC70封装的第1脚如图2左图所示,在“AAA”的左下方为第1脚(AAA为型号代码标记),而Micro Pak封装的管脚在器件的底下,如图2右图所示,其缺角的管脚为第1脚。


逻辑门的连接及功能表
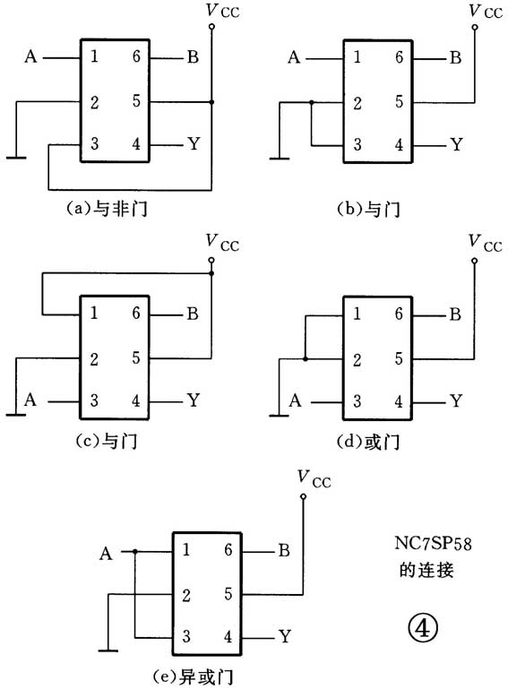
NC7SP57的不同连接所组成的逻辑门如图3所示。NC7SP58的不同连接所组成的逻辑门如图4所示。注意图3与图4相应的连接方法相同,但其输出是不同的。例如图3(a)是与门,而图4(a)的连接与图3(a)相同,但输出是与非门。这一点从这两器件的功能表(表2)中可以看出。它们的关系相当:NC7SP57=NC7SP58+反相器或NC7SP58=NC7SP57+反相器。从图3及图4也可以看出:NC7SP57及NC7SP58都可搭与门或与非门;搭或非门则要用NC7SP57,搭或门则要用NC7SP58;搭异或非门要用NC7SP57,搭异或门则要用NC7SP58。



主要特性
NC7SP57/NC7SP58的主要特性:输入高电平电压大于0.65V\(_{CC}\)。在2.30V≤V\(_{CC}\)≤2.7V时为1.6V,在3.0V≤V\(_{CC}\)≤3.6V时为2.1V;输入低电平电压小于0.35V\(_{CC}\)。在2.30V≤V\(_{CC}\)≤2.7V时为0.7V,在3.0V≤V\(_{CC}\)≤3.6V时为0.9V;高电平输出电压最小值为V\(_{CC}\)-0.1V(输出电流I\(_{OH}\)为-20μA),随着I\(_{OH}\)的增加,输出电压有所降低(例如,3.0V≤V\(_{CC}\)≤3.6V、I\(_{OH}\)=-2.6mA时,输出电压为2.55V);低电平输出电压最大值为0.1V(I\(_{OL}\)=20μA),随着I\(_{OL}\)的增加,输出电压有增加(例如,3.0V≤V\(_{CC}\)≤3.6V,I\(_{OL}\)=+2.6mA时,输出电压为0.33V)。
NC7SP57/NC7SP58有滞后特性,如二输入与门的A端接V\(_{CC}\),B端输入变化的电压,当V\(_{B}\)从0增加到0.65V\(_{CC}\)时,输出Y才从低电平跳变到高电平;在VB下降到0.65V\(_{CC}\)时,输出并不马上变为低电平,而要下降到0.35V\(_{CC}\)时,输出才变为低电平,如图5所示。
编者注:有关NC7SP57/58更详细的原厂资料可上网查询:www.fairchildsemi.com/ds/NC/NC7SP57.pdf。
(方佩敏)