电源电路
一、电源电路

手机中的电源电路大致有两种形式:一种是集成电路的电源电路;另一种是分立元件的电源电路。它们通常提供以下几个部分的电源:
给逻辑电路芯片供电的逻辑电源。
若逻辑电源输出不正常,则手机肯定不能开机。
给射频电路供电的射频电源。
射频电源是指给接收机射频电路和发射机前级电路供电的电源。若射频电源输出不正常,则手机不能进入服务状态。
实时时钟电源。
该电路若工作不正常,会导致手机电池被取下时,时间不能保持。
基准频率时钟电源。
该电路给13MHz(或26MHz)电路供电,若不正常,手机不能开机。
图14所示的是NOKIA3310手机的电源供电分布图,其他手机的电源分布也基本如此。三星及爱立信的部分手机多采用分立元件5端口的电压调节器,如图15所示。

图15所示的两种电压调节器都是通过给控制端一个高电平,控制电压调节器的输出电压。右边的电压调节器比较容易看出其输出的标称电压是多少。“47P“表示输出电压为4.7V;“28P“表示输出电压为2.8V。5端口稳压器电源电路如图16所示。

手机电源电路输出通常有4.75V、3.8V、3.3V、2.75V、1.8V、1.5V等几个标准电压值。
在一些手机中,还有自动调压电路。电池输出的电源首先经调压电路调整,然后输出到电源电路(各电压调节器)。图17所示的就是一个自动调压电路。

手机电路的电源包含逻辑电源与射频电源。逻辑电源主要给手机基带电路——CPU、FLASH、DSP、音频编译码电路等供电;射频电源主要给手机的接收射频、发射射频电路供电。
手机的电源通常用一些英文缩写或一些特殊的标记,可以通过这些标记找到电源电路,也可通过有些标记找到接收机电路或发射机电路。摩托罗拉手机电路中,通常用如下一些符号来表示电源:
L275:这里的“L”是英文Logic的缩写,表示逻辑电源2.75V;
R275:这里的“R”是射频的英文缩写,表示射频电源;
RX275、TX275分别表示接收发射电源。
V1、V2、V3等通常出现在V998以后的摩托罗拉手机的电源电路。“V1”通常是5V电源,给负压电路供电;“V2”是2.75V的逻辑电源,给CPU、FLASH及EEPROM等逻辑器件供电;“V3”是1.8V电源,给CPU供电。
在摩托罗拉手机中,通常我们还可以看到一个V-BOOST电源,该电源是一个5.6V的升压电源,该电源若不正常则手机不能开机。只要找到该电源所在,就可以找到电源模块电路。
在摩托罗拉手机的电源电路中,所有中频处理电路都有两个2.75V的电压调节器。这两个电压调节器受中频模块的控制。一个给射频电路提供电源,另一个则给频率合成环路提供电源。
图18是摩托罗拉V2288手机电源模块电路的一部分,从中我们可以看到以上所述的一些标记。
诺基亚手机电路中的电源通常以“VBB”、“VRX”、“VSYN”、“VXO”等表示。
爱立信手机则通常用“VDIG”、“VRAD”、“VVCO”等表示。“VDIG”是逻辑电源,“VRAD”是射频电源,“VVCO”则是频率合成电源。爱立信手机电路中的电源通常由单个的电压调节器输出,只是到了T28手机以后的电路才将电源电路集成在一起,由一个专门的电源管理模块提供。
松下手机电路中通常用“VSRF”表示射频电源;用“VS-VCO”表示频率合成电源;用“VS-VCXO”表示基准频率时钟电路电源(见图19);用“D18”、“D28”、“D33”等表示逻辑电源。
可用示波器或万用表检查电源电路。将万用表设置在电压挡的20V挡。
将示波器的输入设置为DC输入,幅度调节旋钮调节到“1V”的位置。
电源电路中基本上都是直流信号,可以用电压法、电阻法等进行检查。
集成电路的电源模块,可参照电路图检查各电源端口的电压。若电源电路的供电正常,开机信号线路也正常,而某个电源不正常时,通常是电源模块损坏或脱焊。
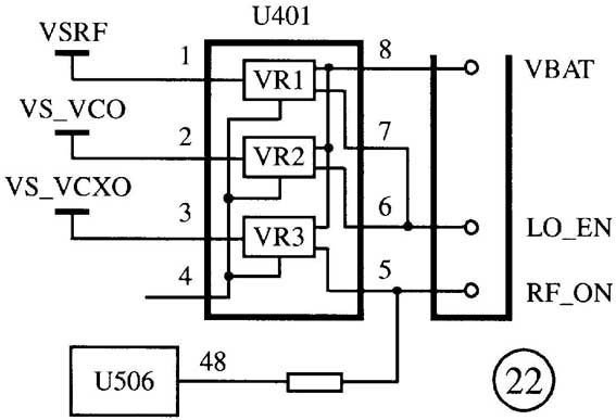
对于某些集成电压调节电路还应注意各电源控制端口的控制信号(注意带ON、EN、CS、SEL等英文缩写端口的信号)。如GD90的U401电源调节电路(图20)。U401的①脚输出的射频电源受信号LO-EN的控制,③脚的基准频率时钟电源受RF-ON信号的控制。这些控制信号都是高电平信号,用示波器、万用表均可检测到。
手机电路中,各种电源名目繁多,它们通常用一些特定的英文缩写来表示。了解这些电源的英文缩写对手机维修是非常有用的。摩托罗拉V998的中频模块如图21所示。
图21中如附表里标注的引脚的外接元件都是重要的故障检修信号测试点。

在以上所述的测试点处都应能检测到相应的电压,否则,应检查其供电电路。其他手机的电源方面也基本如此,或标注在模块的引脚上,或标注在输出线路上。
以GD90的U401电路为例。U401的③脚电源VS-VCXO是给13MHz电路供电的,若该电源不正常,手机不开机。从GD90的电路原理图可知,当U401的⑤脚为高电平时,U401的③脚才有VS-VCXO电源输出。若U401的⑤脚无高电平信号,可以直接从U506模块的经一个电阻引一个高电平信号,如图22所示。
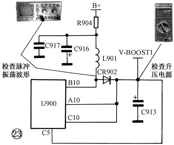
在带升压电路的手机电路,若升压电源不正常,则升压电感处的脉冲振荡波形是一个检测的重点(见图23)。该信号通常是集成电路输出。若没有脉冲波形,则通常应是相应的模块问题。这个脉冲信号通常如图24所示。
(张兴伟)


