无线电小组的同学们通过前一阶段的实验与制作,对集成运算放大器的应用原理有了初步的了解,在这个基础上,老师又指导大家进一步学习了集成运算放大器的简易测试方法。
同学:我们已经知道,集成运算放大器的开环电压放大倍数是在没有外接反馈回路的情况下,输入一个低频信号,测出的输出电压与输入电压之比。可是在测试电路(图1)中为什么又接入一个反馈电阻R4呢?电阻R3的作用又是什么呢?

老师:首先请大家注意,测试电路中有两个大容量的电解电容器C2和C3,它们起隔直流、通交流的作用。C2相当于把反相输入端交流接地,所以运算放大器对交流信号是开环的,R4是一个直流负反馈电阻,利用它稳定静态工作点。R3是为了使两个输入端直流参数对称。C3把R3交流短路,不影响输入信号的传输。
同学:测试时,您要求输入信号的频率不超过100Hz,同时在输出端要接上示波器观察波形,这是为什么呢? 老师:集成运算放大器在开环状态下频带都比较窄,所以输入信号的频率不能太高。又因其开环放大倍数很高,为了保证信号输入后运放工作在线性放大区,避免产生截止失真和饱和失真,所以要用示波器观察波形是不是正弦波。如果发现失真,就要把输入信号调小。在测试时大家已经注意到了,音频信号发生器的输出电压U\(_{S}\)是通过R2、R1组成的电阻分压器分压后作为运放的输入电压U\(_{i}\),也就是U\(_{i}\)=U\(_{S}\)R1/(R2+R1)≈U\(_{S}\)(R1/R2),所以用数字万用表分别测出U\(_{S}\)和U\(_{O}\)就能算出开环电压放大倍数,也就是AO=UO/US·R2/R1。
同学:您再给我们说说输入失调电压U\(_{OS}\)是什么?它对运放性能有什么影响?
老师:一个理想的运算放大器,当它的输入电压为零时,输出电压也为零。可是实际上很难做到这一点,其输出端总会有一个微小的电压。为此,把输入电压为零时测出的输出电压换算到输入端。换句话说,为了能使输出电压为零,可以在输入端外加一个反向的直流电压U\(_{OS}\),这就是输入失调电压U\(_{OS}\),其大小反映着运算放大器的对称程度。U\(_{OS}\)越大,说明电路的对称性越差。U\(_{OS}\)一般在0.1~5mV范围。现在请一位同学分析一下U\(_{OS}\)的测试电路(图2),大家对这个参数的印象也就更深了。

同学:这是一个反相输入负反馈放大电路,只是输入电压为零。我们用数字万用表测出输出电压为U\(_{O}\),根据反相输入负反馈放大电路输出电压与输入电压的关系,也就是A\(_{f}\)=U\(_{o}\)/U\(_{i}\)=R\(_{f}\)/R1+1,求出输入电压U\(_{i}\)=U\(_{o}\)R1/(R1+Rf)≈UoR1/R\(_{f}\),U\(_{i}\)就是输入失调电压U\(_{OS}\)。
老师:分析得很好。为了保持两个输入端参数对称,在同相输入端接上了对等的电阻R2和R3。
同学:输入偏置电流I\(_{B}\)的大小对集成运放的性能有什么影响呢?
老师:输入偏置电流I\(_{B}\)是指输入信号为零时,两个输入端静态基极电流的平均值。大家知道,晶体管的静态集电极电流一定时,管子的β值越大,所需注入的基极电流越小,相应运放的输入电阻R\(_{i}\)也就越大,R\(_{i}\)越大,在输入信号源内阻变化时,所引起的输出电压的变化就越小。从测试电路(图3)可以看出,微安表所指示的是I\(_{B1}\)+I\(_{B2}\),被2除,就是I\(_{B}\)的值。一般IB在0.1~5μA范围。顺便补充一点,根据IB的值,可以用经验公式R\(_{i}\)=80/I\(_{B}\)近似求出运放的输入电阻来。

同学:我们对集成运放的共模抑制比K\(_{CMR}\)的含意还是不太清楚,您所说的差模信号和共模信号也弄不明白,您能再给我们详细讲讲吗?
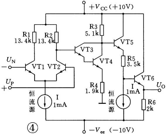
老师:共模抑制比K\(_{CMR}\)是集成运算放大器的一个重要参数,先看图4。VT1、VT2组成的差动放大电路为输入级;VT3、VT4复合共发射极放大电路为中间级;VT5、VT6两级射极跟随器为输出级。我重点讲讲差动放大电路(图5),它有两个输入端,一个是反相输入端UN,另一个是同相输入端UP。当在U\(_{N}\)、U\(_{P}\)间输入信号u\(_{i}\)时,每个管子的b、e间将分得u\(_{i}\)/2,它们大小相等、方向相反,称为差模信号。差模信号被两只管子放大后,在两管的集电极之间取得输出信号u\(_{o}\)。这种双端输入、双端输出的差动放大电路,虽然使用了两个单管放大电路,可是总的电压放大倍数只相当于一个单管放大电路的电压放大倍数。在实际应用时,信号也可以从一端输入,另一端接地,叫单端输入;输出信号也可以从一个管子的集电极输出,叫单端输出。当采用单端输入或单端输出方式时,总的电压放大倍数只相当于单管放大电路电压放大倍数的一半。

同学:照您这么说,差动放大电路并不能提高放大能力,它的优越性在哪儿呢?
老师:大家知道,集成运算放大器是多级直接耦合的高增益放大电路,各级静态工作点存在着相互联系和相互影响。如果由于环境温度的变化或电源电压的波动,使前级的静态工作点有一个微小的变化量时,就相当于给后级加上一个输入信号,经过放大,又直接传送给下一级,这样逐级放大,会使输出端的静态电位产生幅度很大的缓慢变动,这种现象称为“零点漂移”。差动放大电路就是最有效地抑制零点漂移,所以运算放大器都把它作为输入级,只要输入级的静态工作点稳定了,整个运放的零点漂移也就基本上得到了抑制。同学们还记得稳定放大器静态工作点的主要措施是什么吗?
同学:稳定静态工作点主要措施是采用直流负反馈。常在晶体管的发射极串联一个电阻,当静态工作电流变化时,发射极电阻上的电压降也随着变化,用这个变化量去调整基极电流,保持静态工作点稳定不变。
老师:对。发射极电阻取值越大,稳定作用越强。在集成运算放大器中,差动放大电路都是采用晶体管恒流源(图5中的VT3)代替发射极电阻。VT3的集电极电流基本上是恒定的,它对变化量呈现的动态电阻高达几十千欧到几百千欧,而管子的直流压降却只有几伏。同时,VT1、VT2的静态工作电流大小相等、方向相同,同时流过恒流源,相当于把每个晶体管的发射极电阻增大了一倍。这种形式的直流负反馈,可以保持静态工作点基本不变,有效地抑制了零点漂移。
同学:差动放大电路发射极所接的恒流源没有并联旁路电容器,它对交流信号是不是同样会产生强烈的负反馈呢?
老师:问题提得好。大家已经知道,差动放大电路有两个输入端,在放大差模信号时,两个晶体管VT1、VT2的信号电流是大小相等、方向相反的,它们在发射极汇合起来流入晶体管恒流源时将会相互抵消,也就是说恒流源对共模信号相当于短路,所以不会产生负反馈。
同学:我明白了。您再讲讲什么是共模信号吧。
老师:如果在差动放大电路的两个输入端输入的是大小相等、极性相同的信号,就称为共模信号。这时VT1、VT2两管的信号电流方向相同,它们一起流过发射极的恒流源,产生强烈的负反馈,使差动放大电路对共模信号几乎失去放大能力。所以,理想的运算放大器,共模信号的电压放大倍数应该等于零。事实上,输入共模信号是没有任何意义的。我们研究共模信号是因为刚刚谈到的差动放大电路两只管子静态工作点的变动总是大小相等、方向相同的,相当于在两管的输入端输入了共模信号。我们希望运算放大器对差模信号有足够大的放大倍数,而对共模信号(如干扰信号、零点漂移)能够得到有效的抑制,所以定义了共模抑制比K\(_{CMR}\)这个重要参数,K\(_{CMR}\)=差模信号放大倍数/共模信号放大倍数。KCMR越大,运算放大器的零点漂移越小。现在大家明白了吗?
同学:明白了。
老师:好。最后我们请一位同学分析一下K\(_{CMR}\)的测试电路(图6)。
同学:在测试电路中,音频信号通过耦合电容C同时加在运算放大器的两个输入端,所以是共模信号。分别测出输出电压U\(_{o}\)和输入电压U\(_{i}\),取它们的比值,就是共模信号放大倍数。对于差模信号的放大倍数,可以根据负反馈回路的电阻R1和R2确定,也就是A\(_{f}\)=R2/R1。这样,就求出了共模抑制比K\(_{CMR}\)。
(宋东生)