这里介绍几款采用专用集成电路制作的触摸开关。
图1是采用国产专用集成电路YH01制作的触摸开关电路,主回路由VD3~VD6、VS及用电器EL组成。VD1、VD2、R5和C1组成电阻降压半波整流稳压电路,输出6V直流电压为集成块供电。

通电时,由于C3充电使YH01⑥脚即清零输入端R获得正脉冲信号使电路复位,输出端⑤脚输出低电平,VS无触发信号而关断,灯EL不亮。这就保证了每次断电后复电,电灯都是处于熄灭状态。要开灯时,只要摸一下电极片M,人体感应的杂波信号经R1、R2输入到YH01①脚IN端,电路状态发生翻转,⑤脚电平变高,VS开通,灯EL通电发光。YH01③脚为逻辑正输出端Q,其电平高低变化规律正好与⑤脚Q-端相反,即驱动特性正好相反。本电路③脚悬空没有使用,读者可自行开发应用。
HY01还具有延迟功能,如将②脚通过一阻容并联网络再接电源负端,电路就具备了延迟功能,这样每触碰一次M,灯亮,延迟一段时间,灯自行熄灭,延迟时间由②脚外接RC时间常数决定。
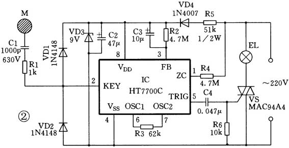
图2是采用我国台湾合泰公司生产的HT7700C型专用触摸调光集成电路制作而成的触摸开关,电路特点是快速短暂触碰(小于0.7\(_{s}\))电极片M时,可实现开关的通断,若摸住M不放(大于0.7\(_{s}\)),灯EL的亮度会按96级平滑减弱后又逐渐变亮循环变化,松手后灯光将保持此亮度不变,再以小于0.7\(_{s}\)触碰一次M,灯即熄灭,因此它非常适宜制作触摸式调光台灯。

HT7700C工作电压为9~12V,C1为安全隔离电容,耐压630V以上,VD1、VD2是为了保护集成块而设置的,R5为金属膜电阻。
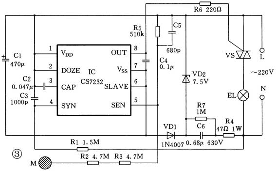
图3是通用型触摸调光集成块CS7232制作的触摸开关。当人手触摸电极片M时间在39\(_{ms}\)~399\(_{ms}\)内,可完成开灯与关灯操作,触摸时间大于399\(_{ms}\)(约0.4\(_{s}\)),可完成开灯或调光,长时间触摸M,灯光亮度自动由暗渐亮又自亮渐暗,至合适亮度时松手,亮度即被锁定。如要关灯,只要短暂触摸M(<0.4\(_{s}\))即可,再短暂触摸(<0.4\(_{s}\))又可开灯,且保持原来调定的亮度。因此它也适宜于制作触摸调光台灯。本开关的电源由市电经阻容降压而得。C6为0.68μ/630V的聚丙烯电容器。R2、R3为高阻值电阻,其目的是确保使用者的安全。本开关电路可用SM7232直接代换。但LS7232不适于此,因它采用PMOS工艺,使用电源电压较高,而前者为CMOS工艺制造,能在3~12V电压下工作。

(陈有卿)