1. 电话测试仪
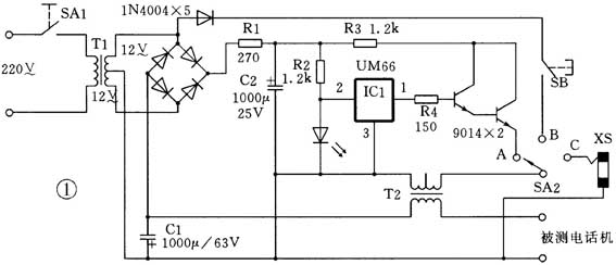
图1是电话测试仪的电原理图。两只变压器T1和T2均为220V/3W电源变压器,次级为双12V(带中心抽头);二极管均为1N4004。IC1为音乐集成电路UM66,它的封装形式与一只普通三极管一样。T1、T2应互相垂直安放。

使用时将被测电话机接好,接通电话测试仪的电源。当开关SA2置于A端时,电话测试仪播出音乐,可以检测电话机的收听电路;当开关SA2置于B端时,再按下开关SB,可以检测电话机的振铃电路;SA2置于C端时,在插座XS中接上耳机,可以检测电话机的送话电路。
2. 四功能报警器
四功能报警器的电原理图见图2所示。IC1为双时基电路,IC2是6V三端稳压器,R2和R3是光敏电阻器,二极管均为1N4001,VT1用9015,VT2为9014,HA是作为报警的有源蜂鸣器,继电器K还可以带动其他报警设备。
本电路有四种报警功能:SB1、SB2为常闭按钮;B、C间的连线可作断线报警;A为触摸报警触点。R2为暗光报警的传感器。R3为亮光报警的传感器。
触摸报警灵敏度由RP3调整;暗光报警灵敏度由RP2调整;亮光报警灵敏度由RP1调整。SB3是复位开关,一旦报警器报警后只有按下SB3,蜂鸣器停止鸣叫。
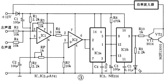
3. 音频自动开关
音频自动开关是为了控制音频功率放大器而设计的,电原理图见图3所示。电路从立体声前置放大器的音频输出中取得控制信号控制功率放大器的工作。在无信号时音频功率放大器不工作,节省了能耗。

电路中IC1和IC2是两块通用运算放大器μA741(F007),分别用作放大和整形。调节RP可以改变控制信号的大小。IC3是双时基电路NE556,它的第二部分组成一个单稳态触发器,时间常数由R8和C3决定。由于单稳态触发器的作用,在音频信号的短暂间隙中,可保证音频功率放大器不间断地工作。
VT2作为音频功率放大器的开关,所以选用大功率管MJE13005(400V、4A、75W),或其他型号的大功率三极管。
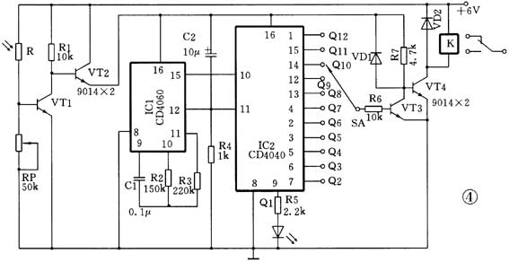
4. 光控自动开关
图4电路由光敏电阻R对环境中光线的强弱进行检测,电位器RP可以对光线强弱的状态进行调整,通过VT1放大,再由VT2来控制集成电路的电源。当光线暗到一定程度时,IC1和IC2开始工作。IC1是带振荡器的14位串行二进制计数器CD4060,它的⑨⑩脚外接C1和R2决定了振荡器的周期(T=2.3×C1×R2)。经过10次(2\(^{1}\)0)分频后的信号由输出,送到IC2⑩脚。IC2是一块12位的串行二进制计数器CD4040,IC2⑨端接发光二极管作为指示,Q2~Q12共11个输出由开关SA进行选择。最后由VT4驱动继电器K,由其触点带动照明灯。

电路中的三极管都可用9014来代替,两只二极管均为1N4001。
(周海)