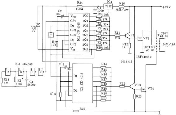
在日常生活中逆变器的使用十分普遍,但其输出波形多为方波,不宜用于感性负载。笔者制作的为输出波形近似正弦波的逆变器,在发电机机房控制换气扇一年的运行,效果较为满意。
该逆变器由波形形成部分和输出部分组成(见图1)。在波形形成部分,由CD4096组成环形振荡器,产生800H\(_{z}\)的时序脉冲,经两块CD4015双移位寄存器和电阻网络(R3~R10,R14~R21)产生两个频率相同、相位相反的近似正弦波的阶梯波。其过程是:上电时,C2和R2使IC2清零(C\(_{‘}\)3、R\(_{’}\)3使IC3清零)。D1端受IC1-e的作用而处于高电平,因此在时序脉冲送CP1时,其前沿使IC2输出端1Q0、1Q1、1Q2、1Q3的电平移位(见附表)。当1Q3为高电平时,D2端为“1”,此时IC2的另一半亦随时序脉冲的到来而使其另四个输出端2Q0~2Q3电平移位。由于各输出端接有电阻网络,只要阻值选择得当,即可得到近似正弦波的阶梯波,其频率为时序脉冲频率的1/16,即50Hz。


另一块CD4015的工作过程同上,只是IC3的D1从IC2的2Q3取信号而启动,所以IC3与IC2的启动点相差8个脉冲,即相位差180°,这样就得到了两个频率相同而相位相反的准正弦波的阶梯波。
输出部分由VT1和VT3接成射随器作为缓冲级。为使波形不失真,由缓冲级至前级增加了R24、R25和VD稳压管。缓冲级输出给VT2、VT4放大,经变压器T的作用,既达到升压目的,又使波形变得平滑,这样就得到了较为理想的正弦波输出,见图2。

本电路输出24V\(_{~}\)/48W,变压器T采用BK50铁芯(舌宽22mm、叠厚40mm),用1.09漆包线,初级双线并绕180匝×2,次级210匝。网络电阻选金属膜1W为宜,其它元器件参数见图1。
(周军 陆宗寰)