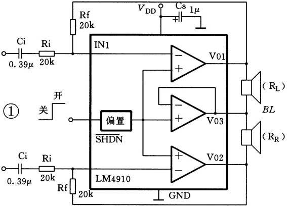
35mW立体声耳机放大器LM4910
LM4910是国家半导体公司今年1月推出的新器件,无需输出电容器、功率达35mW,是Boomer音频功放系列中的一种,是专为便携式设备设计的。
主要特点:
工作电压2.2V~5.5V;耳机放大器输出无需耦合电容和外接1/2V\(_{DD}\)的旁路电容器;开关机时无“爆裂”及“喀哒”声;有关闭控制(低电平有效),此时耗电0.1μA;单位增益稳定;贴片式MSOP及SOIC封装(8管脚);在V\(_{DD}\)=3.3V、R\(_{L}\)=32Ω、THD≤1%时,输出功率典型值为35mW;电源波动抑制率在f=217Hz时为65dB。
LM4910主要应用于移动电话、PDA、便携式电子装置,携带式MP3播放器等。
器件增益由外接输入电阻Ri及反馈电阻Rf来确定。典型应用如图1所示,此处增益为1。C\(_{i}\)为输入电容,与要求最低输入频率有关:f\(_{0}\)=1/(2πRiCi)

查询网址:www.national.com@
微功耗、超低压差、低噪声线性稳压器LP3982
LP3982是国家半导体公司今年2月推出的新器件,是一种有固定输出及可调输出的微功耗、超低压差、低噪声线性稳压器。主要特点:输入电压2.5V~6V;固定输出时有1.8V、2.5V、2.77V、2.82V、3.0V及3.3V,由外接两电阻来设定;输出最大电流300mA,此时压差为120mV;功耗低,静态电流为90μA;有关闭控制,此时耗电可忽略不计(典型值为1nA);电源波动抑制率为60dB;输出电容小,仅需2.2μF多层陶瓷电容器;输出噪声小,在10Hz~100kHz时仅为37μV;有过热、过流保护;输出电压允差±2%;有电源故障信号输出,此时FAULT端为低电平(内部为开漏结构,需外接上拉电阻);关闭控制时,在SHDN————端加低电平,输出关闭。不用关闭控制时,SHDN————与输入端连接。8脚MOSP封装。
LP3982主要应用于手机、DSP(数字信号处理器)的电源、电池供电的电子产品、便携式信号装置等。固定输出的应用电路如图2所示。

查询网址:www.national.com@
330mW超小型音频功率放大器MAX4366
MAX4366是美信公司推出的330mW、超小型、带关闭控制的桥式音频功率放大器。主要特点:单电源2.3~5.5V;工作电流2mA;输出330mW(32Ω负载)或200mW(16Ω负载);在1kHz、32Ω负载、输出120mW时,THD+N为0.02%;BTL结构,有内偏置电阻及确定增益的电阻(见图3),外部无需偏置电阻及增益电阻,仅需2个旁路电容器及1个输入电容器和扬声器;有关闭控制;上电及关闭时无“喀哒”声;输出无耦合电容器;内有过热保护;有多种封装:8焊球管芯式封装,8管脚SOT-23封装、μMAX封装及QFN封装;工作温度-40℃~+85℃。MAX4366主要用于蜂窝电话、无线通信设备、PDA;耳机放大器及音频放大电路等(图3)。SHDN端加高电平时,为关闭模式,输入电容Ci=0.39μF,扬声器(或耳机)取32Ω或16Ω。

查询网址:www.maxim-ic.com@
4/8通道差动输入、24bit ADC LTC2414/LTC2418
这是线性技术公司4/8通道差动输入、微功耗、24bit ΔΣ模数转换器。LTC2414为4通道而LTC2418为8通道。
主要特点:
4/8通道为差动输入,也可8/16单通道输入;工作电流200μA;积分误差2ppm,无漏码;全量程误差2.5ppm及0.5ppm失调误差;噪声0.2ppm;无等待时间;单电源2.7V~5.5V工作电压;内有振荡器;有抑制50Hz或60Hz的陷波器,最小抑制率为110dB;4线SPI接口。
该ADC主要用于传感器数字化,输出数字信号。如温度测量、气体分析、应变仪等;数据采集及工业过程控制系统等。
图4利用桥式传感器(如应变片、压力传感器等)及热电偶温度传感器等模拟信号输入,由4线SPI与μP接口。为防止50Hz或60Hz电源频率干扰,其可接V\(_{CC}\)(抑制50Hz)或接地(抑制60Hz)。

查询网址:www.linear.com。