应用领域:
16~22W小型荧光灯(CFL)电子镇流器。
主要特点:
STX83003 NPN型和STX93003 PNP型互补晶体管具有导通压降低、高增益、高速开关和参数对称性强等特性。其BV\(_{ceo}\)≥400V,在I\(_{C}\)=350mA和I\(_{B}\)=50mA下的饱和压降V\(_{CE(sat)}\)≤0.2V,在I\(_{C}\)=350mA下的电流增益h\(_{FE}\)=25,适合于在CFL电子镇流器中作为功率开关使用,打破了维持20年之久的在半桥式逆变器中使用两只NPN型功率晶体管或两只N沟道MOSFET作为开关的传统方案。
封装形式:
TO-92及SOT-32、I-PAK/DPAK封装。
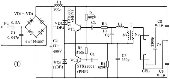
应用电路:
应用电路如图所示。其特点是在半桥电压馈电拓扑结构中使用STX83003/STX93003互补器件作为开关,R1作为启动元件,取代了传统的由电阻、电容和双向二极管组成的启动网络。同时,T的副绕组N\(_{S}\)为驱动电路提供激励脉冲,无需脉冲变压器,从而避免了磁环变压器所产生的不良驱动波形,提高了系统的可靠性。

生产厂商:
ST公司(http://us.st.com)。
(毛兴武)