MIC5233是一种高输入电压、低功耗的低压差(LDO)线性稳压器。该器件有两种不同的输出:后缀为-3.0BM5的输出固定3.0V;后缀为BM5的输出电压可设定,输出电压1.24V~20V。最大输出电流都是100mA。
器件特点:
输入电压范围宽,2.3V~36V;超低功耗,静态电流18μA;低压差,在100mA输出时,最小压差为270mV,最大压差为450mV;初始输出精度高,为±2.0%;为保证稳定性,输出电容仅需2.2μF陶瓷电容;线性调整率为0.04%,负载调整率为0.25%;有节能控制,在关闭状态时几乎不耗电(0.1μA);有完善的保护:电池接反保护、反向漏电流保护、过流保护及过热保护;小型SOT-23-5封装;工作温度(军用级)在-40℃~ +125℃,最大输出功率PD\(_{max}\)=319mW。
该器件适用于锂离子电池供电的系统、USB电源、汽车电子、便携式电子产品等。
管脚排列与功能
图1所示:①脚(IN)电压输入端;②脚(GND)地;③脚(EN)关闭控制端。低电平时为关闭(<0.6V),高电平(>2.0V)时工作正常。不用关闭控制时,此端接输入端;④脚(ADJ)反馈输入端,外接电阻分压器来设定输出电压;对固定输出器件此为空脚;⑤脚(OUT)电压输出端。

典型应用电路
固定输出的非关闭式电路如图2所示。输入电容C\(_{IN}\)采用1μF贴片式多层陶瓷电容。其耐压必须大于输入电压36V。若输入是有纹波的电压时,需要增大C\(_{IN}\)容量。为保证稳定性,输出电容C\(_{OUT}\)需要用2.2μF贴片式陶瓷电容。C\(_{IN}\)及C\(_{OUT}\)应选用X7R介质材料。

可调整输出的电路如图3所示。输出电压由下式决定:
V\(_{OUT}\)=V\(_{REF}\)(1+R1/R2)

例如,内部基准电压V\(_{REF}\)=1.24V,V\(_{OUT}\)=1.8V,R2为300kΩ,则R1=(V\(_{OUT}\)/V\(_{REF}\)-1)R2=135.48kΩ
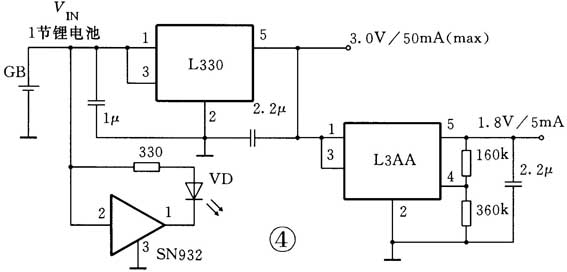
图4为双电源电路,采用两块MIC5233:一块MIC5233-3.0BM5输出3.0V/50mA,一块MIC5233 BM5输入3.0V,输出1.8V/5mA。由1节锂离子电池供电。为防上锂离子电池GB电压降到3.2V以下时造成输出电压不稳,采用电压检测器SN932(检测电压为3.2V)。GB降到3.2V时SN932①脚为低电平,VD亮,告知电池应充电。

(方佩敏)