自己动手QRP(小功率)电台设备不仅省钱,而且在技术方面可以获得精进。下面我介绍两个笔者曾经制作过并一直使用的QRP电台的简易附属设备,并试图让读者领略高频设备制作的要点。
无交流哼声的QRP电源
用78XX系列三端稳压电路做低频,电路用300mA以下的电源并不需要什么技巧。而QRP电源一般需要12到13.8V/1A以上输出电流。随着输出电流的增大,特别在高频电路场合,很多问题都会莫名其妙地“冒”出来:稳压电路的自激过热、电路走线的电压降、接收机严重的交流哼声(hum)等等。
交流哼声在DC(直变)接收机中比较容易发生。工作频率越高,此状况越普遍。在14MHz和以上频率可能很严重。产生机理主要是因为DC接收机的差拍频率与接收频率相同,可变差拍振荡器VBFO的高频能量串入电源,到达整流二极管。二极管是典型的非线性器件,也是很好的调制器,会以100Hz的哼声调制VBFO信号,然后被调制信号辐射到天线,被接收机再次接收。这个信号会在接收机的输出产生很大的哼声。如使用端馈的长线天线或鞭状天线状况更严重,这是因为天线与电源线距离近,而电源线正是这个能量的辐射体。如果使用电池就不会发生该状况。
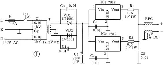
我们如何消除哼声呢?图1给出了无哼声的12V/1A直流电源电路图。注意整流二极管都并联了0.01μF瓷片电容,可以将串入的杂散高频信号旁路而不是将它调制。220V交流输入线也作了高频旁路,避免电源线拾取或辐射高频能量。电源的直流输出端使用了高频扼流圈。除了以上措施外,接收机和电源要以高质量的非感性的接地线妥善接地。使用同轴电缆作为天线馈线也能最大程度上降低哼声产生的可能。

为了避免7812自激,在贴近7812引脚处分别接0.01μF高频退耦电容。为了扩充电流,用了两个7812并联,并在输出端以0.5Ω电阻作为均流。
元件可如电路图1所示选择。交流电源插头选择三芯插头,需正确连接火线(L)、零线(N)和地线(E),地线需妥善连接大地。变压器T选用黑白电视机电源变压器。7812需使用同一批的产品,并且要实际测量空载输出电压,选择差别最小的两个备用。不然,此电源在空载时也能感觉到7812微微发热。7812上需安装较大的散热片,那种市场上买的薄薄的单片TO220散热片不行。散热片也可用铝合金角料自制,选择厚些大些的角料为好。如果散热片与7812之间不绝缘,散热片实际上是地线,因此切勿与其他线连接以免造成短路。0.5Ω电阻有时并不好买,可用相近的电阻代替,但是不要大过1Ω,也不要小于0.33Ω。如还是买不到,可以取两段等长的0.1mm左右的中周用漆包线在1W电阻上绕制,线的长度用电阻表测量决定,以电阻引脚引出。这个自制的均流电阻是一个低Q值的电感,起一定的高频扼流作用。高频扼流圈RFC可用0.8mm左右的漆包线在至少30mm外径的NXO-100高频磁环上双线均匀并绕20匝左右。如手头没有高频磁环,可不用,前提是察觉不到哼声。
图2a、2b给出了该直流电源的印刷电路板图供参考,可以非常方便地用小刀刻制。注意大电流流经的地方走线很宽,是为了降低走线电阻,减少不必要的电压降,也有助于电源的稳定工作。

找一个大的废金属机箱,把电路板和变压器稳固于其中。不要把变压器与电路板靠得太近,把变压器的金属外包、电路板的地都用粗线妥善连接到金属机箱。所有连接导线也要选择尽可能粗的软线。在变压器和7812散热器的上方最好钻一些供散热的小孔。如果读者愿意,可以加装电源指示LED或电压表。
带50Ω假负载的高频功率表
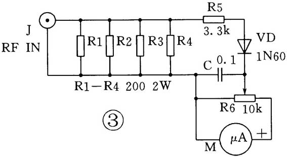
图3给出了一个简单实用的带50Ω假负载的高频功率表,能持续承受5W、瞬时承受10W高频功率,用来调试QRP发射机非常方便。

R1~R4为2W 200Ω无感电阻,如果只用于HF波段(最高为30MHz),也可用碳膜或金属膜电阻。R5为1/4W电阻。R6为线性碳膜电位器。M可以是0~100或0~200uA直流微安表,当然也能以指针万用表的最小电流挡代替,这里最好不要使用数字表。如手头没有1N60检波二极管,可采用1N4148或1N914开关管。J任由制作者选择,比如BNC、Q9、M或SL-16等50Ω插座。
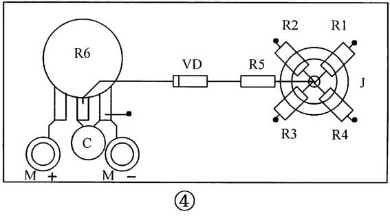
各元件在电路板的布局如图4所示。取双面敷铜板一块,正反面的大面积铜箔作为地线。除了J、R6和M+和M-接线柱需要钻孔外,其余元件无需钻孔,可在反面焊接或空中搭焊。插座J的外壳与大面积地相连。R1~R4一头焊接在插座的中心,另一头连大面积地。R5与VD通过空中搭焊,VD的一脚接于电位器R6的中间引脚。C直接在R6引脚上搭焊,并保持引脚最短。注意M+接线柱与大面积地绝缘。R6接地引脚用粗短的导线焊接于大面积地。最后用双面敷铜板焊一个屏蔽小盒,焊接时需要动用100W左右的烙铁。电路板可以作为小盒的一个面。屏蔽小盒也可采用现成的金属罐头。

高频功率表的校准需要使用示波器和可调幅度的高频信号发生器(或电台设备)。利用公式P=VP-P×VP-P/400通过测量正弦高频信号的峰-峰值VP-P计算高频功率。首先输入满刻度功率,调节R6使M满偏,然后逐步下调信号幅度,记录M读数与高频功率的对应关系。如果没有示波器,也可以用直流电压表和0~30V可调直流稳压电源作校准,利用公式P=V×V/50通过测量输入的直流电压计算直流功率。相同的高频功率与直流功率在M上的读数相近。调节校准电位器R6的位置,可以获得0~1W、0~5W和0~10W的测量范围。注意,由于二极管的作用,读数并不是线性的。
在调试QRP发射机时,用同轴电缆连接发射机的天线插座与本表的输入插座。把发射机置于等幅电报方式,逐步调节发射机电路的选频电路和阻抗匹配电路,以便获得最大的读数(输出功率)。正常情况下,读数应保持基本稳定。如发现发射一段时间后读数持续缓慢增大,则说明发射机存在热跑脱现象,应该马上予以解决,否则该发射机长时间工作容易烧毁发射管。
(荣新华)