T28sc手机漏电是其常见故障之一,笔者就该故障的维修经验介绍如下:
T28sc手机内部漏电故障最常见的现象有:不开机、手机充满电后使用时间很短、电池充不进电、不开机时手机机身会发烫等等。
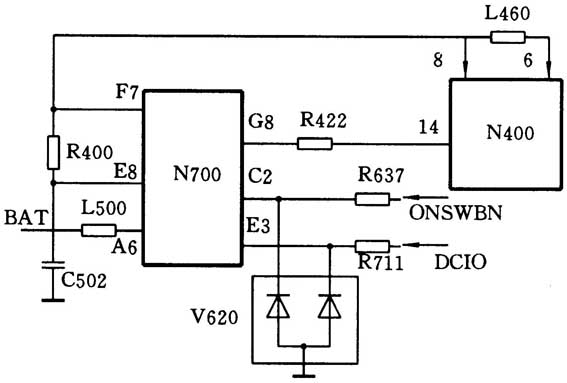
漏电主要源于发射功放N400、电源块N700、充电保护双二极管V620、电源滤波电容C502的损坏,发生在这几个元件上的故障率约占80%以上。现将这些元件在电路中的工作原理简述如下:
如图1所示,电池电压由BAT端输入电源模块N700,C502是电源滤波电容,实测为10uF,由N700及周边稳压模块产生各路电压。
功放N400由电池经R400直接供电,R400是一只功率取样电阻,电流经R400后,取得电压信号送至N700的F7、E8脚,在内部放大后,产生功率控制信号PA-CON,从N700的G8脚送至N400的,改变功放的放大倍数,R400实测为0.3Ω。
充电也由电源模块N700完成,V620在充电电路中起保护作用,当DCIO电压过高时,V620击穿,过高的充电电压则不能进入N700,从而起到对N700的保护作用。C2脚为充电控制信号端,ON-SWBN的作用是在外接电源和机内电池选择控制,当采用电池时,ONSWBN有3.8V的脉冲,外接供电时,ONSWBN为0,切断机内电池向手机供电。
易损元件在电路板上的实际位置见图2,漏电故障检测流程图见图3。
维修实例
故障一:不能开机。
分析检修:用万用表测量手机背面电池触点,正负极短路,电阻为0Ω。T28sc的射频功放采用的是墨西哥(MEXICO)生产的RM009-15P,黑色BGA塑封,不知是设计上有缺陷还是制造工艺不过关,在实际使用中发现其损坏率很高,常常会漏电或整个击穿,所以发生短路情况时,应首先检查功放模块。判断功放是否漏电有两种方法:一是用稳压电源供电后,不开机时以手背感觉其温度,如果发烫则说明功放必有问题;二是断开R400,若短路消失则说明功放已坏。本机即用这两种方法判断出功放有故障,更换后手机工作恢复正常。需要注意的是:由于功放模块采用了BGA封装,拆焊技巧要求较高,新功放在安装时千万要注意热风枪不能温度过高,否则很容易烫坏,笔者曾因此不小心损坏过两只崭新的功放,十分可惜。如果使用热风枪把握不大,建议先用细漆包线焊连各管脚,再用双面胶将功放块粘在主板上,效果也不错。
故障二:手机能正常工作,但电池使用时间很短。
分析检修:电池使用时间短,一方面可能是电池本身的原因,另一方面可能是手机存在漏电。用户将这台机器拿来时已打不开机,充电也充不进去,一查发现电池已经被深度放电,电压仅为0V;插上有电的电池,能正常工作,但微微感觉机背有点热。测电池端子,果然电阻只有6Ω,接上稳压电源,关机时漏电流达60mA。拆机,摸功放N400,发烫,断开R400,再测电阻恢复正常。拆下功放后,直接加电源于其VCC和GND端,从稳压电源的电流表可以看出确有漏电流。更换新的功放后,故障排除。
故障三:电池待机时间短。
分析检修:用稳压电源加电后,未开机就有小电流显示。先后断R400和V620,漏电依旧,断开电源块N700及升压电路,还是有漏电。拆下电池滤波电容C502,发现其已损坏,更换后故障消失。
(唐斌)

