开机触发信号线路
一、开机触发信号线路
开机触发信号线路是指电源开关键被按下时,产生的高电平或低电平脉冲信号传输线路。
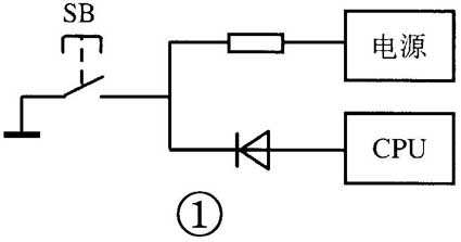
该信号线路通常有如图1、图2所示的两种形式。图1是低电平开机触发。在待机状态下,二极管的负极是高电平。这个电压是电源电路送出来的。图2是高电平开机触发。在待机状态下,电阻上的电压为“0”。


二、如何识别开机信号线
在维修工作中,我们最先要查找的通常是手机的开机信号线路。手机的开机信号线路通常都有一些明显的特点,通过它们可以方便地查找,如开关按键的图形符号、开机信号线的标识ON/OFF或PWR ON等。
开关按键图形符号通常是在手机的UI(用户模组)电路中。在手机电路图中,开机信号线路上都有英文标识。
图3所示的是在8110用户模组上查找开机信号线路,手机的开机信号线路通常分别绘在几张图纸上(用户模组及电源电路图纸),要把几张图纸中的开机信号线路连接起来才行。在查找时,注意两张图纸中的关键标识(图中的XPWRON与PWRONX)。“PWR”是英文“POWER”的缩写,表示电源;“ON”则表示开机信号(参见英文缩写)。该图也就是说用户模组中连接座X400的连接到电源模块N300的(PWRONX端口),整个线路构成一个开机信号线路,如图4所示。


总的说来,查找开机信号线路一是要查找电源开关的图形符号,二是要注意开机信号线路上的一些缩写。这些英文缩写通常都有一些规律,如摩托罗拉的通常用“PWR-SW”表示;诺基亚的通常用“PWRON”表示;松下手机通常用“POWKEY”表示;爱立信的用“ON/OFF”表示等。
开机信号线路通常是连接到电源模块上的,所以,一般只要能找到开机信号线路,就可以找到电源模块电路。
三、检测开机信号线路
可用示波器或万用表来检测开机信号线路。将万用表设置在电压挡的20V挡。将示波器的输入设置为DC输入,幅度调节旋钮调节到“1V”的位置。当检测低电平开机线路上的二极管正极时,将示波器的输入调节为AC输入。
开机信号线路的检测比较简单,图5为诺基亚3310手机的开机信号线路,在关机状态下,万用表所检测的测试点都是高电平。当电源开关键被按下时,这些测试点的电压变低,用万用表可以清楚地检测到。
如果当电源开关键被按下时,图5中的测试点处电压不变,为0V(或接近0V),则说明电阻R402、R224或电源开关键有问题。
但如果手机加电,电源开关键没有被按下,而图5中的检测点处无电压,说明N201电路有问题。

同样,当示波器的输入设置为DC输入时,也可检测以上信号测试点。
在关机状态下,电源开关键被按下时,图5中二极管正极处的信号只能使用示波器(AC输入)才能检测。对于其他类似的电路均可采用这种方法进行。
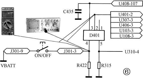
图6是三星SGH-600手机的开机触发信号线路。它属于图2所示的开机触发方式。从SGH600的电路图可知,D401是一个二极管组件,其内部结构如图7所示。所以,D401的②脚是一个关键的测试点。D401的①、③、④、⑤脚的信号是不同开机触发信号输入端。不论哪一个开机触发信号都是从D401的②脚输出。与之类似的如爱立信788手机等。这种线路中的信号都是直流信号,示波器和万用表都可以检测。

在图6所示的电路中,D401的②脚和④脚在关机状态下都是0V。当电源开关键被按下时,D401的④脚应有接近电池电源的电压,否则,说明电源开关键线路有问题。若D401的④脚有电压,从二极管的知识我们可以推断,D401的②脚也应该有电压输出。否则,说明D401损坏。对于类似图6所示的开机信号线路,均可按此方法进行检测。
另一方面,可用数字万用表的短路线检测挡进行线路跟踪,也可用电阻法对该线路进行检测。若电源电路由一个集成电路构成,则开机触发信号所连接的端口实际上是一个触发器端口,对地电阻应很大,否则,电源模块肯定不正常。
四、思维技巧
在图1及其类似电路中,电源开关键未接地一端的高电平通常是电源电路输出的,所以,只要在电源开关键处检测有高电平,即可判断出电源开关键到电源电路之间的线路没有问题。但在检测开机信号到CPU的线路时,则应检测CPU端口(BGA封装的应检测其线路上最近的元件)。
在图2及其类似电路中,高电平触发信号是电池电源经开关送到电源电路的,所以,应将检测点放在电源电路的开机触发信号输入端或开机触发电路的输出端。开机触发信号线路若出现故障,则手机不开机或自动开机等。
在关机状态下,任何手机至少都会有两种开机方式:一种是前面所说的电源开关开机;另一种是充电电源接入时开机。
如三星手机大多如图8所示。当充电电源连接到手机时,NPN与PNP管都导通,器件的④脚输出一个高电平,相当于电源开关键被按下,将电池电源接到电源电路的开机触发端。而摩托罗拉手机则是当充电器连接到手机时,充电开机触发端被短路到地,相当于电源开关键被按下,产生一个低电平触发信号,使手机开机,如图9所示。
在了解以上所述并掌握电路原理后,在进行开机故障维修分析方面有一些快捷的思路:
若开机触发线路断线或开机触发线路上的元件脱焊、损坏,手机肯定不开机,且按电源开关键时,手机无任何反应。一般来说,几条开机触发线路同时出现故障的几率是很小的。我们可以利用这一点来进行快速判断。
若手机不开机,按电源键时手机也无任何电流,将充电器连接到手机,如果手机能开机,可重点检查开机触发线路;如果手机仍不能开机,应重点检查电源电路。
手机供电电路
一、供电电路
手机电路中通常有两种电源供电电路,即电池供电电路和外接电源供电电路。这两个供电通道由一个控制电路控制切换,如图10所示。
两个供电电路实际上是一个开关电路。当只有电池供电时,电池供电电路导通,将电源送到电源电路。当外接电源连接到手机时,切换控制电路检测到这个变化,控制电池供电电路关闭。外接电源经外接供电电路到电源电路。
在有些手机中,电池电源是经电阻直接给电源电路供电的。
二、如何识别电池供电电路
电池电源通常用“VBATT”或“VBAT”表示。一般来说VBATT或VBAT所接的要么是电源电路,要么是功放电路。当然,也有用“VB”、“B+”来表示的。图11是NOKIA8110电源模块的一部分,从图中VBAT的英文缩写的信号线找下去,我们就可以找到电池供电端口。
有的手机电池电路中还有一个比较重要的电池信息信号线路,通常用BSI(诺基亚常用)、BID(松下常用)、BATT-SER-DATA(摩托罗拉常用)等表示。这个信号线通常与手机电路的开机有一定的关系。该信号线通常是手机厂家为防止手机用户使用非原厂配件而设置的,它也用于手机对电池类型的检测,以确定合适的充电模式。如图12所示8850电池供电电路中的BSI。
三、如何检查供电电路
供电电路若出现故障,则手机不开机。可用万用表或示波器来检查供电电路。将万用表设置在20V电压挡。将示波器的输入设置为DC输入,幅度调节旋钮调节到“1V”的位置。
1. 检测方法
供电电路的信号都是直流信号,可用电压检测法对电路进行检查。对供电电路的线路,可用电阻检测法进行。
若电源是直接经电阻给电源电路供电的,可用示波器或万用表直接检查跟踪供电线路。若电源是经电子开关给电源电路供电的,则需结合电压检查法和电阻检查法进行。
2. 与之相关的考虑
开机触发信号线路和供电电路都会引起手机不开机的故障,可用以下方法快速判断这两个电路是否有问题。
若手机用电池供电、按开机键不能开机,首先给故障机连接充电器,看手机是否开机?
若手机不开机,则故障应在电源电路。若手机开机,则故障应在电池供电电路或电源开关键的开机触发信号线路上。然后通过电源开关键关机、开机。若正常,说明故障应在电池供电电路上,否则检查开机触发信号线路。
上述只是一种考虑,也可按如下所述进行:
从电池连接点给故障机加上外接维修电源,按开机键,注意观察手机电流,若手机有工作电流,则说明电池供电电路和开机触发信号线路无问题。
若进行上述检查时无工作电流,则需根据不同的手机电路作不同的考虑。例如摩托罗拉手机和诺基亚手机,都有另一个开机端口。摩托罗拉手机是手机底部接口的⑨脚。诺基亚的则是手机系统接口中的WIDDS端口(连接在开机触发信号线路上)。将它们对地短路,若手机开机,说明电池供电电路无问题,应检查电源开关键到电源电路之间的线路。若仍无一点电流,需检查电池供电电路。
3. 电池电路的特别之处
许多手机有一个很特别的电池类型数据信号线路。该信号线路有多种名称,如摩托罗拉的BATTDAT、诺基亚的BSI、松下的BATT ID等。若该信号线路不正常,会导致手机用电池不能开机。
图13是NOKIA3310手机的BSI线路。R221、R220是该线路的关键元件。
每种手机的电池数据信号线的作用可能不同。
摩托罗拉手机的电池数据信号线主要是用于智能充电。但新出的V60等手机则会引起手机能开机,但不能进入正常工作状态。
NOKIA手机,不同种类的电池通过电池内的一个下拉电阻来区分。在话机内,有一个100kΩ的上拉电阻连接至VBB。手机系统可通过N100内的A/D转换器读取BSI信号线的直流电压,来获取电池数据信息。BSI信号上的最大电压时2.8V。电池连接口的BSI信号线还用于电池移走与否的检测。BSI信号线还连接到D200的SIM卡监测端口SIMCard-DetX。SIMCardDetX是一个门限值监测器,其控制信号为一个上升沿是0.85V、下降沿为0.55V的开关电平。当电池被取下时,产生一个触发信号,该信号使手机系统关闭SIM卡的所有操作。
(张兴伟)