二、二切换磁锁继电器开/关机电路
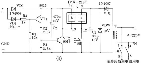
这里介绍采用二切换磁锁继电器JMX-218F-2C(见图3)来实现相线和零线同时切换的开/关机控制,如图4所示。该继电器线圈采用双线并绕,脉冲驱动,具有双稳态自锁功能,锁存后继电器不需要再耗电。图中有两个储能电容,其中启动储能电源由变压器T降压经VD1整流、VDW稳压、电容C1充电储能。按动按钮SB时,储能电流经过继电器线圈a组放电,使触点动作并锁存,给电脑提供220V交流电源,电脑得电后内部开关电源输出一路直流12V电压,经VD2给另一个电容C2充电储能,作为关机储能电源。此时VT1基极由VD3钳位而处于截止状态,VT2也同时截止。当需要关机时,按下键盘快捷键,电脑中的开关电源随即停止输出12V电压,此时VT1、VT2迅速导通,储能电流经过继电器线圈b绕组,使触点切断220V电源,电脑因失电而关机。


电脑的关机快捷键要事先设置好,可选择不常用的键位,具体设置方法也可参照无线电2001年第11期27页的介绍。有兴趣的读者欢迎与笔者交流,笔者的电话是:0574-87882685。
(许安良)