AV功放机要同时担负着多种音源的放大任务,若使用单一的输入插口,就会使设备之间的连接变得十分繁杂,所以目前AV功放机一般都设置了多路音源选择电路,这就可以把多路音源信号一次性地接入功放机的相应插口,而后就能方便地利用机内的电子开关进行切换。
该类电路一般都是通过一个控制电路控制电子开关的动作进行音源切换的,控制电路的主要形式就是由运算放大器或者“D”型触发器或者多路旋钮开关接成的自锁电路组成。为了便于读者更好地理解该电路的工作原理,本文以一些常见的机型电路为例,介绍该类电路的工作过程。
1. 绅士E1080功放的音源选择电路
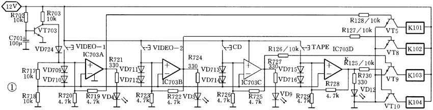
绅士E1080功放的音源选择电路如图1所示。这款音源选择电路是由4个运算放大器(IC703A~IC703D)接成4路互锁电路,通过4个三极管来控制相应继电器的开、闭动作,来达到切换音源的目的。

在图1电路中,R702、R703、C701、VT703组成开机复位电路。在刚开机时(即12V电压刚建立时),由于电容C701两端电压不能突变,故其上端电位在开机瞬间为低电平,此时三极管VT703因无基极偏置电流而保持截止,+12V电压通过VT703集电极电阻R703为运算放大器IC703A正相输入端供电,IC703A输出高电平,VT5导通使继电器K101吸合,将VIDEO-1输入插口的音源接入后级电路,同时发光二极管VD4点亮,指示所选择音源为VIDEO-1。而此时由于其他运算放大器正相输入端均处于悬空状态,而反相输入端则为10.6V电压(由+12V电压经过VD709、VD710降压而得),故其他运算放大器均输出低电平信号使三极管截止。随着C701充电的进行,约1.5秒后,C701上端电压上升为电源电压为VT703提供偏置电压,使VT703由开机瞬间的截止状态转换为导通状态,二极管VD724截止,完成开机复位动作。复位后,IC703A输出端的高电平信号通过R719、R720为IC703A正相输入端提供约5.8V的高电平,使IC703A输出端持续输出高电平信号(即锁定)。
在按下按钮“VIDEO-2”时,+12V电压直接接在运算放大器IC703B正相输入端,由于二极管VD711、VD712有1.4V的压降,使各运算放大器的反相输入端电压为10.6V,该电压高于IC703A正相输入端的电压5.8V(假定复位电路无问题且开机后没有按下其他音源选择按钮),IC703A输出端跳变为低电平,三极管VT5截止,继电器K101断开。此时IC703B正相输入端电压高于反相输入端电压,IC703B输出端跳变为高电平,三极管VT8导通,继电器J102吸合,将VIDEO-2输入插口的音源接入后级电路,同时发光二极管VD3点亮,指示所选择音源为VIDEO-2,同样IC703B输出端的高电平通过电阻R722、R723使其输出端保持高电平。
同理,在按下其他音源选择按钮时,也会使相应的三极管导通,接通相应的音源选择继电器,并且点亮相应的发光二极管,而此时其他运算放大器输出端跳变为低电平,保证只能同时接通一路音源到后级电路。
绅士E1080功放机输入电路继电器接线图见图2。

2. 中联F-9500A功放音源选择电路
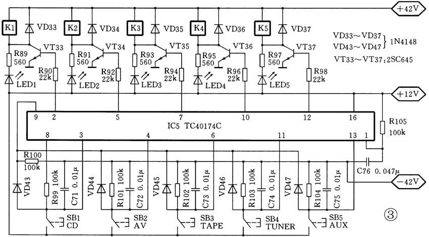
中联F-9500A功放音源选择电路如图3所示。该机的音源选择控制电路与绅士E1080功放有很大的区别。它采用了六D触发器TC40174C接成五位锁存器形式。

刚开机时,由R105、C76组成的清零电路使TC40174C(IC5)复位,第②脚输出高电平使VT33导通,继电器K1吸合,把CD输入端口与后级电路接通,同时LED1点亮,显示选择音源是CD。按动SB2时,TC40174的④脚得到高电平信号,同时高电平经过VD44使⑨脚(时钟输入端)得到一个脉冲,结果使⑤脚输出高电平,VT34导通使K2吸合,将AV音源接入后级电路,同时LED2点亮,显示选择音源为AV。同理,当我们分别按动SB1、SB3、SB4、SB5时,TC40174的②、⑦、⑩、就会输出相应的高电平,控制相应的继电器接通相应的音源,同时,LED1、LED3、LED4、LED5也相应点亮,指示所选择的音源。
该机输入电路继电器接线图见图4。
3. 奇声AV-757D功放机音源选择电路
奇声AV-757D功放机音源选择电路如图5所示。通过与以上电路的对比,也许细心的读者可以看出,该机的音源选择电路与以上两种机型的电路完全不同。该机没有采用容易引起噪音的继电器来作音源选择开关,而是采用了由4选2电子开关电路CD4052组成音源选择切换电路。
这类电路的工作原理就是通过音源选择开关S001(双刀双掷开关)改变CD4052控制端⑨、⑩脚的电平,从而控制CD4052内部的电子开关来接通不同的音源。CD4052的真值表如附表所示。
当把开关S001拨至位置1(即LD挡)时,CD4052的两个控制端⑨、⑩脚均为低电平,内部电子开关把与接通,①脚与③脚接通,将LD插口输入的音源信号接入后级电路。同理当把音源选择开关拨至其他位置时,就会改变CD4052控制端⑨、⑩脚的电平组合,从而接通相应的音源。
另外,有些采用电子开关电路CD4052作为音源选择的机型的控制电路可能不是单纯的拨动开关,而是采用由触发器或者运算放大器(如奇声AV-1700)来组成电平转换电路,不过其原理都是通过改变CD4052控制端⑨、⑩脚的电平组合来达到音源切换的目的,具体原理,读者可以参照上述电路自行分析。
(赵广林)