新的充电电池组合成串联块时,一般按常规容量0.1C的电流进行充、放电数次后再投入使用。但实际上不论采用多么先进的全自动充电器,经一段时间后仍会发现有个别电池出现反常现象,即电池组中有个别电池电压会变得很低(接近零伏),甚至有的电池还会出现电压极性倒置的现象。久而久之,这只电池必然失效,最后导致电池组中的其他电池也会逐个出现上述现象而损坏。究其原因,主要是这些电池的内阻不一致,在使用过程中又会出现不同程度的过放过充,使某个内阻增大的电池首先损坏。
图1为正常放电过程(即电池内阻基本一致并远低于负载电阻),设电池组由A、B、C、D四只电池组成,其放电电流方向如图中箭头所示。在放电过程中,假设B电池内阻增大,甚至超过负载电阻R,放电时就会出现图2所示的现象,即A、D、C三只电池对B电池进行反充电,时间稍久,B电池的极性就会颠倒而损坏。笔者在试验过程中,对图1所示的电池在线一一进行测量时发现,放电过程中各单只电池的电压大多不一致,而且总会有一只电池的电压首先加速降低,最后从零转为负值(即极性颠倒)。如果又换入一只新电池,由于内阻仍然不同,又会加剧上述现象的重复发生,给我们在使用过程中带来无尽的困扰。


笔者经过反复试验研究,对充电电池的组合使用总结了一点经验,供广大电子爱好者参考。
1.在使用组合电池时,要经常检测单个电池的电压,若发现明显偏低的电池要及时取下,单独进行处理。
2.在充电前进行放电时要随时监控每节电池的电压,若发现有急剧下降到0.8V以下的,要立即换下,单独进行处理。
3.电池组中凡能单个取出的最好全部单独进行处理:
(1) 单独放电:用1.5V电珠或5~20Ω可变电阻作放电负载,放至电压为0.9~1V时暂停,大多数电池在停止放电后数秒钟又会恢复到1.2V左右,要反复多次进行放电,直至用万用表500mA挡测其短路电流,质量好或放电不充分的电池表针会在某位置(如200~500mA)较长时间不动,而质量差的或放电充分的电池指针会很快降到数十毫安到偏零位为止。一般当指针快速降至数十毫安时说明电池电量基本放尽,可停放待充。
(2) 单独充电:内阻相差较大的电池不能组合串联进行充电,要单个独立进行,如勉强组合充电,既不能保证每个电池同时充足,更危险的是会出现个别内阻大的电池会被过充或反充而损坏。如图3所示,我们仍设B电池内阻r\(_{B}\)过大,由于串联电路电流处处相等,显然r\(_{B}\)两端电压降高于其他电池,故r\(_{B}\)上消耗的功率也偏大,且内阻相对越大,消耗的功率也越大,因此B电池就会被首先过充发热而损坏,而其他电池却不一定能充满。

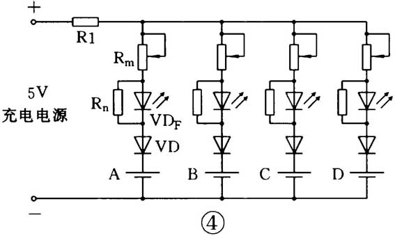
为了对质量和内阻不一的电池应逐个进行充电,笔者设计了一个简单的充电电路,如图4所示。因为电池都已放尽,故只要按0.1C电流充足10小时即可。
图4中R1、Rn分别为5Ω、20Ω/1W的电阻, Rm为5Ω~20Ω1W的可变电阻;VD\(_{F}\)为发光二极管,可用来指示充电状况,VD为防倒流二极管,防止电池互相影响。调节Rm可控制电流在30~100mA之间,一般5号电池可调在50~70mA,当需涓流充电时可调至20mA以下,达不到上述调节范围,可适当改变图4中R1的阻值或5V电源电压值。

4.充电后的检测
充电后单个电池电压一般在1.35~1.45V,放置后稳定在1.25~1.3V,稍放电后应较长时间保持1.25V。刚充完电的单个电池用万用表大电流挡(5A)测其短路电流,质量好的可稳定在3~5A(指5号电池),且指针数分钟不动,质量欠佳的可在2A以下稳定一段时间,如果你有很多电池,可挑选短路电流较接近的电池进行组合使用。
5.对于镍镉电池一般可不经放电直接进行上述的检验处理,但考虑到充电容量不好掌握,最好还是将余电放尽后再满容量充电较好。
(应苏生)