这次无线电小组的活动,同学们使用两块四运放集成电路TL084组装了“模拟环绕声处理器”(见2002年《无线电》第1期第61页),制作调试完成后,在老师的辅导下,大家进一步学习和研讨了集成运算放大器的应用原理和运算功能。
同学:
模拟环绕声处理器总共使用了8个运算放大器,分别用来组成加法器、减法器、缓冲器、反相器和频率补偿网络。通过制作和调试,我们已经了解了这些电路是怎么组成的,只是有一个问题百思不得其解。运算放大器和常用的多级放大电路到底有什么实质上的不同?为什么唯独运算放大器具有运算功能,并且具有很高的运算精度和稳定性呢?
老师:
你的问题提得很及时。这一阶段,大家已经应用集成运算放大器组装了很多不同类型的电路,对这种“万能器件”有了一定的感性认识,可是还不能说同学们已经了解了运算放大器的性能,也不能做到独立分析电路。所以,有必要在这个基础上再提高一步,深入了解它的应用原理。大家还记得运算放大器有哪些主要特点吗?
同学:
集成运算放大器实际上是一个多级直接耦合放大电路,它具有很高的开环电压放大倍数,在作放大器件使用时,都要引入深度负反馈,使它成为一个性能优良的放大电路。
老师:
对。正是因为集成运算放大器的开环电压放大倍数很高,输入电阻很大,输出电阻很小,所以把它看作是一个理想的运算放大器,等效电路如图1所示。理想运算放大器的主要特征是:开环电压放大倍数为无穷大(A\(_{O}\)→∞);输入电阻为无穷大(r\(_{i}\)→∞);输出电阻为零(r\(_{O}\)→0)。这样,我们就可以推导出理想运算放大器的两个重要特性:首先,根据开环电压增益A\(_{O}\)=U\(_{O}\)/U\(_{i}\)=U\(_{O}\)/(U\(_{-}\)-U\(_{+}\))=∞,可以得出U\(_{-}\)-U\(_{+}\)=U\(_{O}\)/A\(_{O}\)=0,这就是说,理想运算放大器两个输入端之间的电位差趋近于零;再者,由于输入电阻r\(_{i}\)→∞,所以输入电流I\(_{-}\)=I\(_{+}\)=0。请大家记住,紧紧抓住这两个特性,对分析运算放大器的各种应用电路是非常有用的。

同学:
可是实际的集成运算放大器,开环电压放大倍数都不可能是无穷大,这种理想化的分析不是有些脱离实际吗?
老师:
说实在的,理想运算放大器是不可能获得的,但是这种概念却十分重要。这是因为用理想运算放大器分析问题非常简单,实践也证明这样分析所得到的结果跟实际运算放大器相差并不大,应用它就很容易了解运算放大器各种应用电路的原理。
同学:
您能给我们举个例子说明它的具体应用吗?
老师:
可以。咱们就先来分析大家熟悉的反相输入负反馈放大器(图2)吧。假设放大器的开环电压放大倍数为无穷大(A\(_{O}\)→∞),那么放大器的输入电压U\(_{i}\)肯定是趋近于零,由于同相输入端直接接地,所以R1与R\(_{f}\)节点处的电压U\(_{A}\)也近似等于零。根据理想运算放大器的特性,I\(_{+}\)=I\(_{-}\)=0,于是i\(_{l}\)=i\(_{f}\),运用欧姆定律分别算出i\(_{l}\)和i\(_{f}\),i\(_{l}\)=(U\(_{i}\)-U\(_{A}\))/R\(_{l}\)=U\(_{i}\)/R\(_{l}\),i\(_{f}\)=(U\(_{A}\)-U\(_{O}\))/R\(_{f}\)=-U\(_{O}\)/R\(_{f}\),这样,U\(_{i}\)/R\(_{l}\)=-U\(_{O}\)/R\(_{f}\),可以得到A\(_{f}\)=U\(_{O}\)/U\(_{i}\)=-R\(_{f}\)/R\(_{l}\),这不就推出了反相输入负反馈放大器计算闭环电压放大倍数的公式来了吗?

同学:
您这么一讲我就明白了。原来只是硬记这个公式,现在知道它是怎么来的了。我再问您,R\(_{f}\)=R\(_{l}\),就可以得到A\(_{f}\)=-1,也就是输出电压U\(_{O}\)与输入电压U\(_{i}\)大小相等,相位相反,这是不是就是由运算放大器组成的反相器呢?
老师:
说得很对。结合反相输入负反馈放大器的电路,我再给大家一个重要的概念——虚地。刚刚说过,反相放大器(图2)A点的电位U\(_{A}\)→0,接近于接地点的电位,但又不是真正的接地,如果A点真的接地,输入信号就被短路了,所以我们把它称为“虚地”点。“虚地”就是指的A点电位小到可以忽略。利用“虚地”的概念,可以使分析问题大大简化。
同学:
模拟环绕声处理器电路中,用运算放大器组成了产生中置声道的加法器和左、右声道加法器,这两个加法器分别从运算放大器的同相输入端和反相输入端输入相加的信号。请问您,它们是怎么进行加法运算的呢?
老师:
好。先来分析反相加法器电路(图3)。这里有两个输入信号U\(_{1}\)和U\(_{2}\),它们分别通过电阻R1和R2接在运算放大器的反相输入端。大家知道,A点为“虚地”(U\(_{A}\)→0),理想运算放大器的输入电阻为无穷大,所以i\(_{f}\)=i\(_{1}\)+i\(_{2}\),根据欧姆定律又可以写成-U\(_{O}\)/R\(_{f}\)=U\(_{1}\)/R1+U\(_{2}\)/ R2。如果取R\(_{f}\)=R1=R2,可以得到U\(_{O}\)=-(U\(_{1}\)+U\(_{2}\)),再经过一个反相器,就成为U\(_{O}\)=U\(_{1}\)+U\(_{2}\),这就是说输出信号U\(_{O}\)是两个输入信号U\(_{1}\)、U\(_{2}\)之和,实现了加法运算。实际上加法器输入电压的个数可以扩展到任意个,这时U\(_{O}\)=U\(_{1}\)+U\(_{2}\)+……+U\(_{n}\)。同相加法器(图4)的原理也是一样的,我就不再多说了。减法器的电路(图5)也很简单,我想请一位同学给大家分析一下。

同学:
我们还是有点看不明白,您再给我们提示一下吧。
老师:
为了简化电路的分析,我们先取R1=R\(_{f}\)=R2=R\(_{P}\),然后再分别算出U\(_{A}\)和U\(_{B}\),再求U\(_{1}\)-U\(_{2}\)等于什么,这就好推导了吧?
同学:
我来试试看。因为I\(_{-}\)=I\(_{+}\)=0,所以i\(_{l}\)=i\(_{f}\),也就是(U\(_{l}\)-U\(_{A}\))/R1=(U\(_{A}\)-U\(_{O}\))/Rf,得到U\(_{A}\)=1/2(U\(_{l}\)+U\(_{O}\));根据电阻分压原理U\(_{B}\)=R\(_{P}\)/(R2+R\(_{P}\))U\(_{2}\),得到U\(_{B}\)=U\(_{2}\)/2。由于A点为虚地点,U\(_{A}\)=U\(_{B}\),分别代入U\(_{A}\)和U\(_{B}\)的值U\(_{2}\)/2=1/2(U\(_{1}\)+U\(_{O}\)),可以解出U\(_{O}\)=U\(_{2}\)-U\(_{1}\)。这就是说,输出信号U\(_{O}\)是输入信号U\(_{2}\)与U\(_{1}\)的差值,U\(_{1}\)是减数,U\(_{2}\)是被减数,实现了减法运算。我说得不知道对不对?
老师:
你分析得很好。只要掌握了理想运算放大器的概念,分析集成运算放大器的应用电路不是很容易吗?好了,最后请同学们再来分析电压跟随器,电压跟随器的特点就是输出电压U\(_{O}\)与输入电压U\(_{i}\)大小相等、相位相同,也就是闭环电压放大倍数A\(_{f}\)=1。
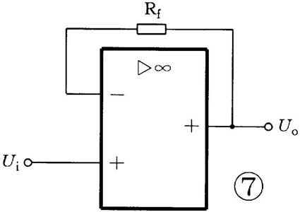
同学:
计算同相输入负反馈放大器(图6)闭环电压放大倍数的公式为A\(_{f}\)=R\(_{f}\)/R1+1,只要让R\(_{f}\)/R1=0,就可以得到A\(_{f}\)=1。一种办法是使R1=∞,就是断开R1(图7);另一种办法是使R1=∞、R\(_{f}\)=0,就是断开R1并把R\(_{f}\)短路(图8)。模拟环绕声处理器所用的缓冲器就是后一种电路。


老师:
很好。同学们今天收获不小,下一次活动我们一起进行集成运算放大器参数的测试。
(宋东生)