利用随处可见的380V或220V低压电力线传递模拟和数字信号进行有线通信,无需专门架杆、拉线,可广泛应用于遥控、遥测、抄表、防盗报警、工业控制、楼宇安全控制等。
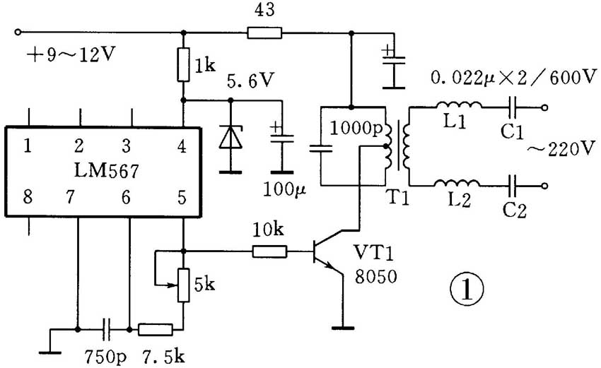
图1是单路电力线发射板的电路。它的核心是一片音频锁相环LM567,③脚输入大于25mV、频率在器件带宽内的信号时,⑧脚由高电平变为低电平,②脚输出经过频率/电压变换的音频信号;如果②脚输入音频信号,则⑤脚输出受②脚输入音频信号调制的方波信号。⑤、⑥脚外接的阻容决定其内部压控振荡器的频率。

在图1中,LM567只是个方波振荡器。⑤脚馈至VT1基极,由VT1、T1谐振放大后经LC耦合至电力线上。
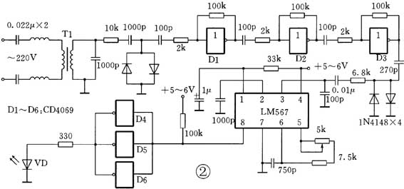
图2是单路电力线载波接收板。载波信号经T1耦合、D1~D3放大送LM567③,若载波频率与LM567振频相同,则⑧脚由高电平变为低电平,经D4~D6后点亮VD,表示接收成功。将VD换成别的驱动接口,便可完成相应的任务。

图3是DTMF发射板电路。DTMF是双音多频的意思,能发送代表0~9、*、#、A~D共16组信号,每组由两个频率信号合成,此处只用到1~9和“D”。按下对应的按键,DTMF就输出相应的音频编码信号,由LM567调制后,经8050放大耦合至电力线上。

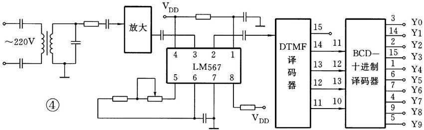
图4是DTMF接收板电路。由电力线传来的DTMF调制信号经耦合放大后进入LM567解调,后送DTMF进行译码,译码输出是4位BCD数据,再经BCD—十进制译码,产生高电平有效的Y0~Y9分别代表发射端的“D”、1~9,由此可形成多路控制。

由于电力线上干扰甚多,普通的调制方法抗干扰性能不理想,尤其是距离较远时更为突出。由此产生了扩频调制方法,其抗干扰性能大大提高,其主要原理是牺牲频宽而改善性能。图5是扩频载波数据收发板电路,核心是电力线载波专用芯片PL2000,在单片机控制下可发射、接收串行数据,已成功地应用到电力线载波抄表项目中。功能特点:(1) 专为电力线载波抄表而设计;(2) 直接序列扩频;(3) 内建数/模转换器,发送波形频谱纯度高;(4) 同步及跟踪特性良好;(5) 应用电路成熟;(6) 外部接口齐全,具有测试功能。在此板上的接口包括:载波检测、数据输入/输出、同步输出、自测试、电源等。用户不需对单片机二次开发,接上电源,输入数据就可使用。

编者注:有关本文的供货消息请见本期第72页邮购广告。
(安泰)