宽带、FET输入运算放大器THS4601
THS4601是德州仪器公司推出的一种高速、FET输入运算放大器。该器件设计用于需要宽带工作、高输入阻抗及高工作电压的场合。其主要特点是:增益带宽积180MHz;压摆率100V/μs;最大输入偏置电流100pA;输入电压噪声5.4nV/\(\sqrt{Hz}\);最大输入失调电压4mV;输入阻抗10\(^{9}\)Ω//10pF;工作电压±(5~15)V;单位增益稳定。
该器件的主要性能与OPA627、OPA637、OPA655相近,如附表所示。

该器件主要应用于宽带光电二极管放大器、高速互阻抗增益级、测试系统、电流DAC输出缓冲器、有源滤波、高速信号积分器及高阻抗缓冲器等。
图1是用THS4601组成的宽带光电二极管互阻抗放大器电路。

查询网址:www_s.ti.com/sc/ds/ths4601.pdf。
降压式DC/DC变换器MAX1920/1921
MAX1920/1921是一种输出低电压、输出电流400mA的降压式DC/DC变换器。MAX1920输出电压可调(1.25~4.0V),而MAX1921输出固定电压:1.5V、1.8V、2.5V、3.0V及3.3V。此两器件主要特点:输入电压2.0~5.5V;内部有同步整流,转换效率大于90%;开关频率高达1.2MHz,外部可用小尺寸的电感器及电容器;静态电流小:50μA;有关闭控制(逻辑电平控制),在关闭控制状态时耗电0.1μA;输出初始精度为±1.5%;有软启动可限制启动电流;工作温度为-40℃~+85℃;6管脚SOT23封装。
该器件主要应用于手机、PDA、电池供电设备、CDMA功率放大器电源等。
典型应用如图2所示。由于采用同步整流技术,外部无需肖特基二极管。由于有数字软启动及电流限制电路,可降低输入电容的容量。在SHDN————端加低电平时关断电源,若不用此控制时,此端可接输入端。该器件为MAX1921-1.5,输出1.5V/400mA。

查询网址:pdfserv.maxim-ic.com/arpdf/MAX1920-MAX1921.pdf。
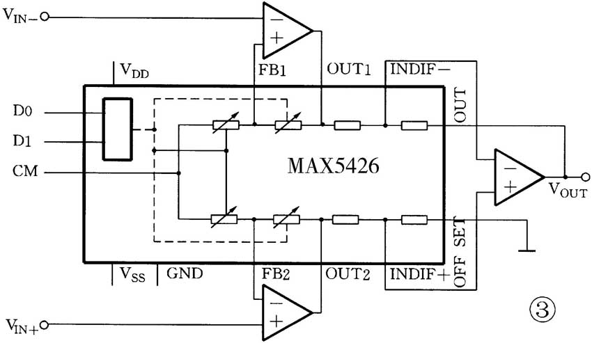
用于可编程仪器放大器的精密电阻网络MAX5426
MAX5426是一种应用于可编程仪器放大器的精密电阻网络。主要特点是:由D0、D1端口电平设定,使仪表放大器的差动增益A\(_{V}\)=1、2、4、8(见图3);增益精度有A、B、C三挡(由后缀A、B、C表示),分别为0.025%、0.09%及0.5%;双电源±(5~15)V供电;工作电流为36μA;工作温度范围为-40℃~+85℃;14管脚TSSOP封装(尺寸6.4mm×5mm)。
该器件主要应用于可编程仪器放大器,也可用于RF功率放大器的增益控制,精密双衰减器等。
典型应用如图3所示。

查询网址:pdfserv.maxim-ic.com/arpdf/MAX5426.pdf。