通常汽车车门关闭时,车内的照明顶灯随即熄灭,有时会令人觉得不大方便。本文介绍的电路可以使你的车内照明顶灯在车门关闭后自动由亮慢慢变暗,最后完全熄灭。晚上,这种慢慢变暗的车灯给你的感觉会很特别,甚至有点浪漫。下面介绍这个电路的工作原理和制作方法。
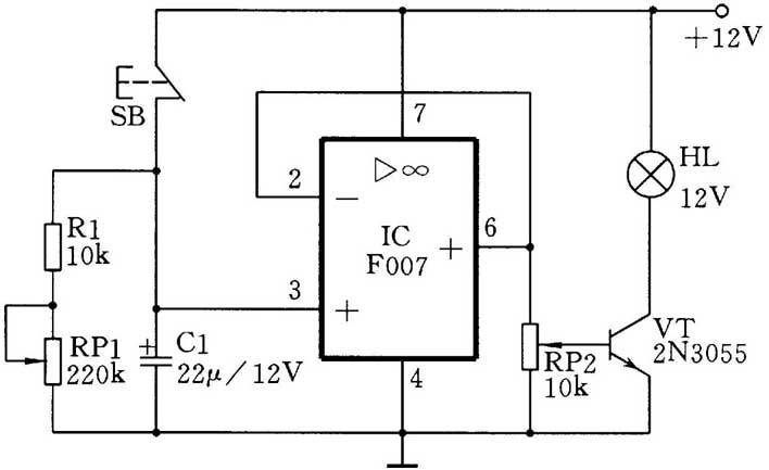
汽车照明顶灯调光器的电路如附图所示。当车门开着时,汽车电瓶(12V)通过车门开关SB(车门打开时闭合,反之断开)对C1快速充电。运算放大器IC(F007)的输出端(⑥脚)电压随C1两端电压变化。当C1充电结束时,IC的输出端电压也近似12V。这时三极管VT饱和导通,车内照明顶灯最亮。
当车门关闭时,SB断开。这时C1上的电压通过R1和RP1开始放电,C1两端电压逐渐下降,IC的输出端电压也随之变化,故车内顶灯的亮度也逐渐变暗,直至全部熄灭。
按图制作完成,检查电路无误后即可进行调试。打开车门,调节RP2使车内照明顶灯为最亮。然后关车门,调节RP1可控制由亮到暗的时间。三极管VT(2N3055)需加散热片。

(傅劲松)