MAX6654是MAXIM公司新近推出的新器件,是一种精密数字温度传感控制器。它可以外接一个PN结温度传感器实现温度遥测,内部也有一个PN结温度传感器可检测本地的温度。两种温度信号由ADC转换成11位数字温度信号,由两线串行接口(SMBus)与μC连接,能读出温度信号及写入报警阈值温度。温度测量是自动地和自主地实现,转换率由用户设定,以满足系统的需要。
器件特点:
精度高,在70℃~100℃时,遥测温度精度可达±1℃;温度信号转换为11位数字,其分辨率可达0.125℃;可测量远地及本地温度(两通道);无需校正;可设定欠温及超温报警阈值;I2C兼容/SMBus接口;工作电压3V~5.5V;工作温度-55℃~+125℃。
该器件主要应用于各种计算机,检测CPU温度以实现有效的冷却(减少能耗、延长风扇寿命);另外,也用于工作站、服务器、测试设备及一些功率模块的冷却控制。
封装与管脚功能
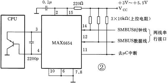
典型应用电路
电路见图2。CPU中的PN结温度传感器,用于检测CPU内部温度以控制其冷却风扇转速。SMBDATA、SMBCLK两端与μC相接以实现温度的读出及报警温度的写入,超温时,ALERT端输出低电平报警信号,触发μC的中断。

MAX6654内有遥测温度数据寄存器、本地温度数据寄存器、高/低温阈值寄存器(遥测及本地)及其它功能的寄存器。
编者注:
有关MAX6654更详细的原厂资料可上网查询:www.pdfserv.maxim-ic.com/arpdf/MAX6654.pdf。
(江海洋)

