飞利浦公司生产的SA58603单片IC,是一种内含高精度运算放大器、比较器和参考电压源的组合型器件。该IC可采用单节锂离子电池或两节碱性电池工作,适于微弱信号放大。其典型应用之一就是利用温差电偶作温度传感器,组成燃气加热器火焰温度检测与精密放大电路。
一、封装、芯片电路组成及引脚功能
SA58603采用8脚SO封装,引脚排列如图1所示。

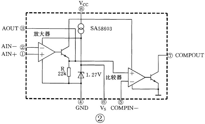
SA58603芯片电路主要由运算放大器、比较器和1.27V的参考电压组成,如图2所示。

SA58603的引脚功能如附表所示。

二、主要参数指标
1. 电源与参考电压:电源电压V\(_{CC}\)为1.8~6.0V(典型值是3V),电源电流I\(_{C}\)典型值为100μA;参考电压(V\(_{S}\))为1.27V±50mV,温漂为±100ppm/℃,输出电流I\(_{OVS}\)≥0.3mA。
2. 运算放大器:输入电压为-0.2 ~0.3V,输入失调电压为±100μV(温漂是±1μV/℃),输入偏置电流是50nA,输入失调电流为1nA,开环增益为100dB。
3. 比较器:输入失调电压为±1mV(温漂是±10μV/℃),输入偏置电流是25nA,输出灌电流不小于5mA,输出饱和电压为200mV。
三、典型应用电路及元器件选择
由SA58603组成的一种燃气加热器火焰温度检测与放大电路如图3所示。SA58603运算放大器输入利用热电偶作为传感器,输出作为模数转换器(ADC)的输入。放大器增益为40dB,由电阻R1、R2和R3共同设定。若设R2=1kΩ,由于放大器增益是40dB(即100倍),即AV=(R3+R2)/R3=100,由此可以求出:R3=10.1Ω。由于R3=R1‖R2=R1·R2/(R1+R2),因此:R1=R2·R3/(R2-R3)=10.1×1000/(1000-10.1)=10.2Ω。

比较器在IC⑦脚上的输出上拉电阻R6由V\(_{CC}\)、最大饱和压降V\(_{SAT(max)(4}\)00mV)和最小输出灌电流I\(_{o(sink)(min)(5mA)}\)共同决定,亦即:
R6=(V\(_{CC}\)-V\(_{SAT(max)}\))/I\(_{o(sink)(min)}\)
当选择V\(_{CC}\)=3V时,R6=(3V-0.4V)/5×10\(^{-}\)3A=520Ω。
比较器的门限电压可由R4和R5进行编程。由于V\(_{S}\)脚输出为1.27V,故比较器在⑤脚上的反相输入电平为:V\(_{COMP}\)=1.27V×R5/(R4+R5)。
检测和模拟放大电路的输出作为ADC输入,V\(_{S}\)同时为ADC提供电压参考。
编者注:
有关SA58603更详细的原厂资料可上网查询:www-us9.semiconductors.philips.com/acrobat/datasheets/SA58603-1.pdf。
(毛兴武 祝大卫)