LM4819是国家半导体(NS)公司新推出的带有关闭控制的桥式音频功率放大器。它是NS公司Boomer\(^{音频功率放大器系列之一,只需少量外围元器件,尤适于便携式设备。}\)
技术指标
在1kHz、THD+N为10%、负载电阻为16Ω时,可输出连续平均功率350mW;有省电关闭控制(高电平有效),耗电0.7μA;开、关机时有抑制“喀哒”声;单位增益稳定;贴片式SOP及MSOP封装;工作温度-40℃~ +85℃。工作电压2.0~5.5V;5V供电时静态电流1.5mA(典型值),输出功率350mW;3V供电时静态电流1mA(典型值)可输出功率110mW。
管脚排列及功能
如图1所示。①脚(SHDN)关闭控制端,高电平(>0.8VDD)有效;②脚(BYPASS)接旁路电容C\(_{B}\)端,可抑制开机、关机“喀哒”声;③脚(+IN)同相输入端;④脚(-IN)反相输入端;⑤脚(V01)第一放大器输出端;⑥脚(V\(_{D}\)\(_{D}\))电源正端;⑦脚(GND)地;⑧脚(V02)第二放大器输出端。

内部结构与外围元件
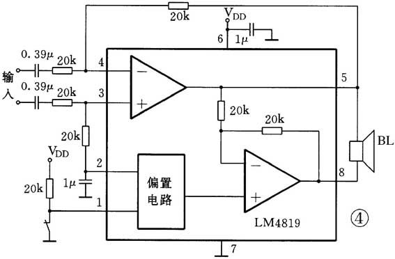
如图2所示。由放大器A1及A2组成桥式放大器,外部电阻Ri及Rf决定A1的增益,A2由内部两个20kΩ电阻组成增益为-1的放大器,扬声器接在两个放大器的输出端V01与V02之间。

A1的输出作为A2的输入,负载接在两输出之间,通常称为“桥式结构”,差动增益A\(_{V}\)\(_{D}\)为
A\(_{V}\)\(_{D}\)=-2(R\(_{f}\)/R\(_{i}\))
桥式放大器与单端放大器的差别在于负载的连接,单端放大器将负载接在输出端与地之间。在相同的电源电压下,桥式放大器有明显的优点:无需输出电容(电容容量较大,尺寸较大);通过负载的差动输出电压是两倍单端输出电压,其输出功率为单端放大器的4倍。当然,桥式放大器的最大功耗也为单端放大器的4倍,在5V供电、8Ω负载时,其最大功耗达633mW,但无需加散热器。
内部偏置电路保证单电源工作时放大器的同相端电压为1/2V\(_{D}\)\(_{D}\)。
LM4819的外围元件有输入耦合电容C\(_{i}\)、输入电阻R\(_{i}\)及反馈电阻R\(_{f}\)、电源旁路电容C\(_{S}\)、抑制开、关机“喀哒”声的C\(_{B}\)及扬声器BL。
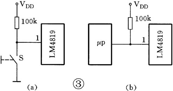
关闭模式控制
在SHDN端加高电平时为关闭模式,加低电平时为工作模式,SHDN不能悬空。图3(a)是用开关控制(可以是模拟开关);图3(b)是由μP控制。

应用电路及参数选择
典型应用如图2所示。该放大器的输入阻抗等于输入电阻Ri,Ci与Ri确定所需的带宽(-3dB)为100Hz~20kHz ±0.25dB,最低频率f\(_{L}\)及最高频率f\(_{H}\)分别为
f\(_{L}\)=100Hz/5=20Hz
f\(_{H}\)=20kHz×5=100kHz
C\(_{i}\)=1/(2πfL×Ri)=0.39μF
由于LM4819的闭环增益带宽积是900kHz,可以保证要求的带宽。
C\(_{s}\)选1μF多层陶瓷电容,并尽可能靠近VDD端。C\(_{B}\)选1μF,对抑制开、关机噪声效果显著。
R\(_{i}\)与R\(_{f}\)组成放大器差动增益,按图2数值
Rf=Ri=20kΩ,则AVD为
AVD=-2(R\(_{f}\)/R\(_{i}\))=-2(20kΩ/20kΩ)=-2
另一种差动输入电路如图4所示。

编者注:
有关LM4819更详细的原厂资料可上网查询:www.national.com/ds/LM/LM4819.pdf。
(方佩敏)