二、分机工作原理
分机可分为手柄机和警点监测分机两种。
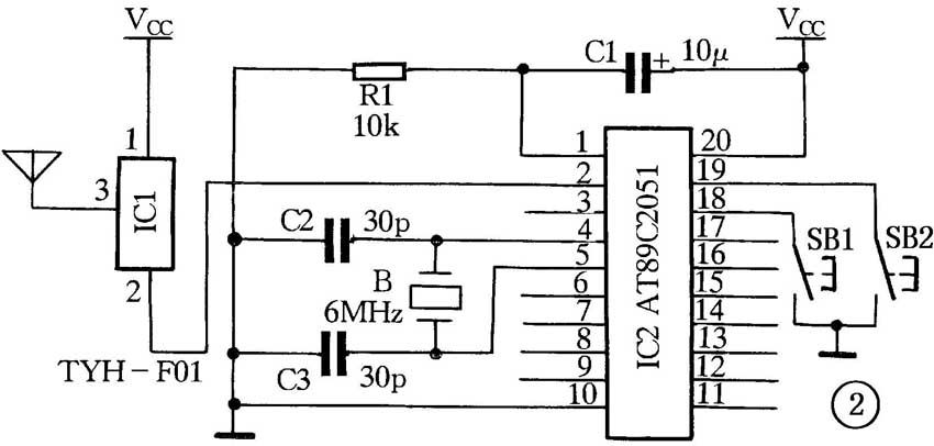
手柄机电路图见图2,主要由AT89C2051和TYH-F01等组成。TYH-F01是一个超小型高频发射头,其电源正端与VCC相接,其电源负端直接接在AT89C2051串行口的输出端TXD(P3.1)上。当AT89C2051的串行口不工作时,TXD(P3.1)呈高电位,发射头不工作。当有数据从AT89C2051的串行口输出时,TXD(P3.1)即可以输出低电位,发射头就会得到电源而工作,以一定的波特率辐射无线信号。手柄机设有两个按钮开关SB1和SB2,SB1为执警状态进入键,SB2为执警状态退出键。

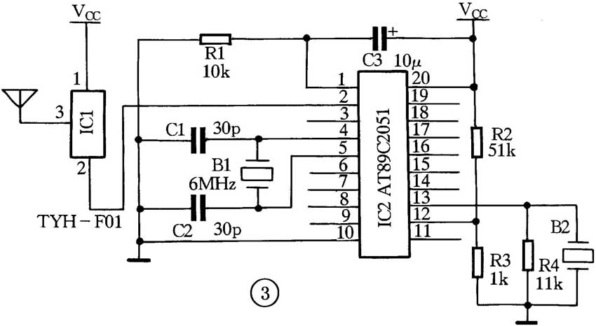
警情监测分机见图3、图4、图5。图3所示电路是一个能够监测振动和移动信号的小的智能系统。它能够通过P1.0和P1.1将B2检测到由于振动、移动信号产生的电信号输入至片内比较器整形成方波脉冲,并对方波脉冲宽度进行鉴别,准确地区别是强声波引起的振动还是由于被监测点发生触动而引起的振动、移动,还能够通过对振动、移动信号发生的频次来区别是偶发的振动、移动,还是由于发生警情而引起的持续的振动、移动,使得对警情的判断准确无误。得到警情后,系统即将本监测点的地址码和本次警情的级别码打成数据包,通过串行口以约定的模式和一定的波特率送出,推动无线发射头TYH-F01,将调制有上述数据信息的高频无线载波发射出去。


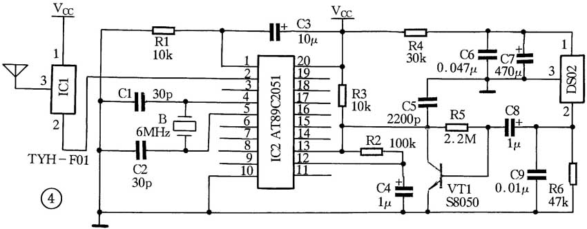
图4、图5的基本工作原理与上述振动、移动监测系统大致相同。所不同的就是警情信息的采集方式不同。图4电路构成的监测分机的警情信息是通过对人体红外线的探测而获得的;图5电路构成的监测分机的警情信息是通过由激光脉冲组成的光栅是否被切割,也就是激光光栅是否被物体遮挡而获得的。如前所述,本系统警情测控点可多达255个,其他的警情输入方式,可根据不同的需要而设计。
三、主机使用方法(主机原理图见本刊上期第36页)
本系统上电后,首先发出发“嘀嗒”声提示,液晶显示屏即出现“TYH-110-BJXT-OK!”字样提示。此时,4×4薄膜键盘中只有一个“F”键是合法的。敲击“F”键,系统进入功能选择状态,液晶显示屏显示“GongNXZ——〈Y/N〉?”字样进行提示。此时,若敲击“E”键即可退出功能选择状态,返回初始化状态。进入功能选择状态后,敲击“A”键即可进入号码输入状态,敲击“B”键可进入报警模拟状态,敲击“C”键可进入预警状态,敲击“D”键可进入录音状态。
进入号码输入状态后,液晶显示屏显示“HaoMaShuRu〈Y/N〉?”字样进行提示。在此状态下,敲击“E”键可退回到功能选择状态,敲击“F”键进入号码输入状态。进入号码输入状态后,LCD首位显示“1:”,后面14位全为0。首位的“1:”字,表示该状态下输入的电话号码为第一组被叫号码。在此状态下,利用薄膜键中的0~9这10个数字键即可完成第一组电话号码的输入。当输入号码输至14位或者输入号码输入完毕不足14位并敲击“E”键时,系统先将第一组号码存在E\(^{2}\)ROM(IC4),然后进入第二组号码输入状态,LCD的首位将显示“2:”字样,后面14位全为0。按照同样的操作方法,可依次输入后面各组电话号码。
进入警情模拟状态后,系统立即进入报警程序,摘机分别拨出3组电话号码,并在每次拨号后,播放相对应的语音信息。利用此功能可以检验系统的可靠性,以及输入的号码和录制的语音信息是否正确。
进入预警状态后,系统只对“E”键和串行口进行监测。如果在此状态下,敲击“E”键,系统将退出预警状态,返回初始化状态;如果在此状态下,IC1收到的数据信息,是来自手柄机的执警状态进入命令,系统就进入警情监测状态;如果IC1收到的信息是来自手柄机的执警状态退出命令,系统也将退出预警状态,返回初始化。
在预警状态中,系统不处理来自各监测布控点的警情信息。当系统进入警情监测状态后,即可接收和处理来自各个布控点的警情信息。接到警情后经过分析,进入不同的程序,进行拨号和播放录音的操作。在警情监测的状态中,仍可接收手柄的执警状态退出命令。收到此命令后,系统立刻从警情检测状态中退出,返回预警状态。
进入录音状态中后,IC3的P3.1也呈高电位,使VT2导通从而建立VDD,为IC2提供电源。此时VD7被点亮,作为录音状态指示。同时IC2通过P3.2、P3.4和P3.5为IC2提供录音状态控制字。此时,按S2,VD6发光,录音准备全部就续。然后按动S3,VD7熄灭,就可开始录制第一段语音信息。录制完毕后,按动S3录音停止,VD7点亮。再次按动S3,VD7熄灭,可以进行第二段语音信息的录制。依次可录制以后各段语音信息。如果录音超长,录音片便溢出复位,VD5和VD7同时点亮。
四、元件参数
本系统除谐变压器T1、T2外,其他皆为通用元件,没有特殊要求。
T1、T2为超小型音频变压器,主要参数为:铁芯窗口面积3.5×5mm\(^{2}\);初级线圈用直径0.07mm的漆包线绕600匝;次级线圈用0.2mm的漆包线绕80匝。
五、安装调试
此系统主机线路已简化到少一个元件也不能正常工作的程序,体积小,故障率低,可靠性高,按照本线路将电路焊接起来,通电即可工作,无须调整。本系统是当前类似产品首选的优化方案。
(滕世进 宋健)