二、 仿真应用
下面我们用电路实例来说明TINA的仿真方法。这些例子都是在TINA Pro 5.5简体中文DEMO版中实现的。限于篇幅,本文所介绍的是TINA的一些最有特色的功能。
计算电路中各节点的电位(电压)、各支路的电流、各元件的功耗、电路的阻抗等。如果在电路中还有信号源(电压发生器,电流发生器),则它们的直流电平参数也被计入。
在图5电路中,我们放入了一个直流电压源VS1,电压为5V、3个电阻R1~R3、2个电压指针VP1和VP2,以及3个电流箭头AM1~AM3。画好该电路图后,先调用菜单命令“分析/ERC”检查电路是否有错。然后在主工具栏中按下DC交互式模式开关,在电压指针和电流箭头处即显示电压和电流的值和单位。需要注意的是,不同的参数分析要选用对应的交互式模式开关选项。如交流分析用AC、数字分析用数字、瞬态分析用瞬时或瞬时单触发。
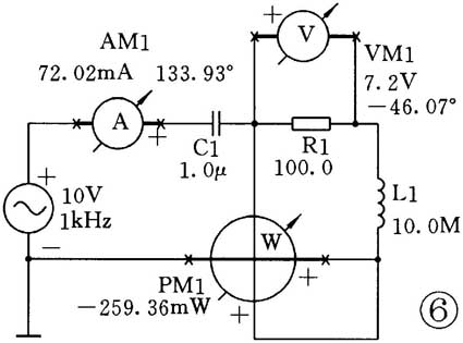
如果电源为交流电,应采用交流节点电压计算。TINA算出电路中各种交流量数据,如电压、相位、有功和无功功率等。图6中电压发生器电压设为10V,频率设为1Hz。按下AC交互式模式开关,仪表将显示各电量的数值和相位。
关闭交互式模式,执行菜单命令“分析/AC分析/计算节点电压”,出现“节点电压/仪表”对话框和探针样的光标。将光标移动至感兴趣的地方并按鼠标左键。这个节点的电压等参数会显示在“节点电压/仪表”信息框中。用探针点击各仪表,可得到更详细的电路信息。如在功率表上得到如图7所示的数据报告。

符号分析是以表达式显示电路分析的结果。符号分析得到某一输出点的元件标签运算表达式;半符号分析得到输出点的一个电学量数值或数值表达式。
如图5电路中的VP2经符号分析得到的表达式为:

在交流电路中,符号分析的结果将是一个复数表达式。
用于计算和显示直流传输特性。程序按定义的采样数计算电路直流传输特性。默认值是20。如要获得较精细的曲线,则应增大采样数。程序平均地划分从起始值到终止值之间的数值。对于每一个输入点,程序计算输出值。通常输入值是按递增的顺序产生的。如果你喜欢按递减的顺序计算,可将输入范围的上限赋值到输入的起始值,下限赋值到输入的终止值。
如图8所示的一闭合电路,其电源的内部阻抗已被设为2Ω。试验证当负载电阻R1与电源内阻相等时,负载R1获得最大功率。
必须步进改变负载R1的阻值才能得到直流传输曲线。所以要把电阻R1定义为输入端。点击主工具栏上的输入端按钮,将输入端符号加到电阻R1上。执行菜单命令“分析/DC分析/DC传输分析”,随后弹出DC传输特性对话框,将起始值设为0,终止值设为6,采样数设为1000。确定后,得到同时显示的电流、电压和功率的3条曲线如图9所示。作者已在图中加上了自动标签、标记和图例,对横轴和纵轴也做了修饰。
5. 最优化分析
最优化分析的作用是:为使电路达到我们预定的一个输出目标(如输出电压)时,电路中的对象(如某一电阻)的值应如何变化。执行最优化分析后,程序计算工作点并连续改变所选对象值,直到达到目标值为止。得到结果后,新的对象值以及与对象相关的目标数值灵敏度会显示在信息框中。我们以图5电路为例来说明最优化分析的过程:如果要使VP2的输出电压为4V,则R1应怎样变化?
(1) 选定最优化目标。最优化的目标应为电路响应,如电压、电流、阻抗和功率等。必须先插入相应的仪表。点击主工具栏上的“选择最优化目标”按钮(或执行菜单命令“分析/最优化目标”),光标变为带一个电压表。点击拟最优化的目标仪表,在本例中为电压指针VP2。弹出如图10所示最优化目标设定对话框。输入最优化的目标数值4。
(2) 选择最优化控制对象。最优化控制对象是元件的某一个参数。在本例中为电阻器R1的电阻值。点击主工具栏上的“选择控制对象”按钮(或执行菜单命令“分析/控制对象”),光标变为带一个电阻器。点击控制对象元件,在本例中为电阻R1。弹出电阻属性对话框,按框中“选择”按钮,然后在最优化范围栏中输入电阻的阻值范围,起始值为0,终了值为12。
(3) 执行“分析/DC分析/计算节点电压”命令。如程序分析得到解答,则弹出最优化信息框。如图11所示。
用TINA来对模拟电路进行瞬态分析、交流传输特性分析、温度分析和傅里叶分析等常规分析也很简便。在进行上述分析前一般先要设置分析模式。执行“分析/设置”命令,打开分析模式选择对话框,确定分析选项。TINA的另一个特色是对数字电路的仿真,既可以一步一步地观察电路各节点的电平变化情况;也可以进行数字计时分析,以显示脉冲或时钟信号按时序历经的电路状态顺序。当数字电路按时钟运行时,在每一个节点都有一个小方块指示相应的逻辑值(红为高,蓝为低,绿为高阻,黑为未定义)。读者可参照软件中文帮助和样例文件进一步深入研究。
对TINA软件感兴趣的读者可以到网站http://www.gsltech.com.cn上下载TINA PRO 5.5简体中文试用版。当然也可以到DesignSoft公司的中文网址www.designsoftware.com/index-ch.htm下载。
(甘雨)



