电源是计算机的重要组成部件,它是计算机正常工作的基础。当今微机绝大多数配置ATX电源,它是AT电源发展而来,主变换电路和AT电源相似,并增加了一些辅助电路,除给主机提供稳定可靠的工作电源外,还可配合ATX主板实现软件开关主机的功能。ATX电源的除经常发生和AT电源共有的故障外,还有一些特有的故障。下面简要介绍ATX电源的常见故障,仅供参考。
1. ATX电源的工作原理方框图
ATX电源方框图如图1所示。

从图1可以看出,ATX电源的主变换电路和AT电源相似,采用双管半桥它激式电路。整个电路的核心是脉宽调制(PWM)控制芯片,多数ATX电源都采用TL494(或其替代芯片),利用TL494的④脚“死区控制”功能来实现主变换电路的开启和关闭。
2. 如何判定故障范围
由于微机电源都设置了过压、过流保护电路,电源发生故障时,大多表现为主机加电无任何指示,主机不启动,显示器无任何显示,电源风扇不转。由于ATX主板上有一部分电路称为“电源检测模块”,它可以控制电源的开启和关闭,这部分电路出现了故障,也表现为上述故障现象。那么,怎样判定是ATX电源故障还是主板故障呢?
ATX电源和主板之间是通过一个20脚长方形双排综合插件连接的,如图2所示,其中(绿色线)为PS-ON信号,主板就是通过这个信号来控制电源的开启和关闭的。当主板电源的“电源检测部件”使PS-ON信号为高电平时,电源关闭;当主板使PS-ON信号为低电平时,电源工作,向主板供电。当ATX电源不和主板相连时,电源内部提供PS-ON信号高电平,ATX电源不工作,处于待机状态。当计算机通电后无法开启时,可将所有供电插头拔下,将和地线(黑色线)用导线短接,若电源风扇转动,各路输出正确,即可判定电源是正常的,否则是电源故障。

3. ATX电源常见故障维修
(1) 无300V直流电压。
这种故障,首先从交流输入插座查起,保险管、整流二极管(桥)、滤波电容是常坏的元件。找到损坏元件后,还要检查主变换电路大功率开关管及其附属电路,在保证其正常时,才可以加电,因为这种故障通常是由大功率元件损坏后引起的。大功率管多采用MJE13007(400V/8A/75W),是故障率最高的元件,更换时要选用性能参数等于或高于原参数的管子,最好选用原型号的管子,还要注意两个管子的参数应一致。
(2) 通电后辅助电源正常,启动电源各路主电压无输出。
这种故障有两种可能,一是主变换电路有故障,二是控制部分损坏。首先静态检查半桥功率管及其附属电路和驱动电路,若无故障,检查TL494④脚在PS-ON信号为低电平时是否变为低电平,若无变化,是PS-ON处理电路故障,有变化,再检查⑧、有无脉冲输出,若无则TL494损坏。
(3) 有300V直流电压,辅助电源不工作。
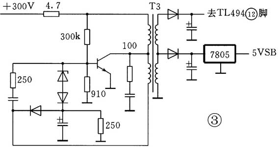
这是最常见的故障,表现为+300V正常,无+5VSB电压,TL494无电压,可以判定辅助电源有故障,辅助电源常见电路简图如图3所示。

这是典型的单管自激式开关电源电路,变压器T3次级有两路输出,一路经整流滤波再由7805稳压,输出5VSB电压;另一路整流滤波后,直接加在TL494的,作为TL494的工作电源,由于TL494的可工作电压范围较宽(7~40V),这一路没有稳压措施。TL494的输出基准+5V(VREF),提供给保护电路、P.G产生电路和PS-ON处理电路,作为这些电路的工作电压。由于电路简单,没有完善的稳压调控及保护电路,使辅助电源电路成为ATX电源中故障率较高的部分,常损坏的元件是功率管和功率电阻(4.7Ω),特别是功率管的启动电阻(300kΩ)。另外,辅助电源出现故障,输出电压过高时,也可能造成由其供电的电路元件损坏,如TL494等。这是由ATX电源的特点决定的。当计算机软关闭后,市电并没有断掉,辅助电源一直在工作,特别在夜间,市电有可能很高,并且辅助电源也较为简易,所以极易损坏辅助电源电路。一般在没有特殊情况时,软关机后若较长时间不用,应切断市电。
(4) 各路电压正常,无P.G信号。
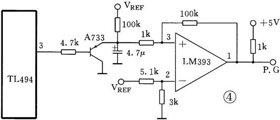
ATX电源的P.G(也称PW-OK)信号的形成电路常如图4所示。

在电源加电后,辅助电源首先建立VREF(LM393的工作电源也为VREF),TL494的③脚提供较低电压,三极管A733导通,LM393的①脚输出低电平。当ATX电源开启主变换电路工作,TL494的③脚维持较高电平,使三极管A733处于截止状态,VREF通过电容(4.7μF)充电,延迟一段时间后,输出+5V的P.G信号,主机开始工作。当电源输出电压降低时,检测电路送到TL494的检测电压也随之降低,如果电压降低超过额定范围,TL494的③脚电平将降为低电平,三极管A733导通,使LM393的①脚输出低电平,主机停止工作。
出现上述故障,一般是LM393集成电路坏,P.G信号恒为低电平,也有可能是三极管A733短路,将P.G信号钳位在低电平。这部分电路由于工作电压较低,阻容元件很少发生故障。将损坏的元件更换后,即可排除该故障。
(齐邦强)