一机多病故障是彩电维修中的难点之一。对于这些故障,有的修理者一筹莫展,一时不知该从何处开始检修为好。有的修理者则越修越糟,不但排除不了故障,甚至还扩大了原有故障的范围。那么,对于一机多病的彩电故障如何修理为好呢?下面通过一个具体例子加以分析。
故障现象:
一台福日HFC-2125H型彩电无光、无图、机内有异声。
分析与检修:
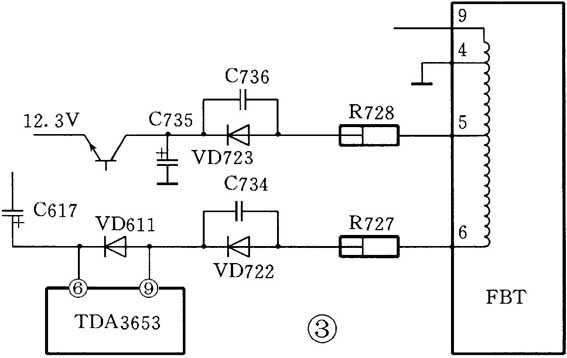
打开机壳,接通电源进行检查,发现响声是显像管尾座聚焦极与视放板地之间打火放电响声和ABL电路的R733、R734燃烧发出的混杂响声,R735也发黑变值。显像管尾座被修理者新换过。经询问用户,得知该机是修理店修理过,并怀疑显像管已损坏。由于有明显的打火和燃烧现象,首先排除显像管损坏的可能。根据现状分析,故障原因可能有3个:ABL电路有短路故障;由于聚焦极在视放板对地打火,引起110V→R733→R734→行输出变压器⑦脚支路电流过大(见图1);高压包⑦脚内部有故障或以上故障并存。然而,这些故障的起因可能是聚焦极对地打火引起,这是该机维修应抓的一个重点。先断开R735,再开机试验,显像管座聚焦极与地间仍然放电打火,R733、R734仍然燃烧。看来前面的分析和判断是正确的,应该首先从处理聚焦极与地打火入手进行维修。此机聚焦极与地打火的主要原因:一是因当时天气连阴、雨水多、空气潮湿;二是从视放板现状看,有人为损坏现象(损坏部分如图2的U形部分),使得聚焦极与地之间离得太近。因购不到新的视放板,只有修理。将视放板损坏处已被烧焦的部分刮净,用云母片补修缺少部分,并在云母片与视放板之间涂上绝缘硅脂,重新换上一个新管座。焊接时,用管座将云母片与视放板压紧,以隔绝聚焦极与地之间的打火通路。处理完毕后,进一步检查ABL电路,查出VD311击穿短路。将VD311、R733、R734、R735一并换新后重新试机,聚焦极对地打火现象没有了。而视放板上加速极与地之间的放电间隙发出劈劈啪啪的放电声,同时R727、R728烧断(见图3),R733、R734有过热现象。



根据新的故障现象分析,高压包⑦脚内部也有故障,证明了前面分析几种故障并存的正确性,高压包必须换掉,同时,场电路和12V回路也有短路故障存在。将高压包换新,进一步检查场电路和12V电路。场供电整流二极管VD722击穿短路,场输出集成块TDA3653烧坏,12V整流二极管VD723击穿短路。
将以上损坏元件换新后开机,并调整加速极电压和聚焦电压,图声均出现,但满屏回扫线,且屏幕上半部比下半部回扫线清楚。图像线性较差,上部拉长,下部压缩,屏幕下边有一条2cm宽的黑边,交界处很亮,换台和自动搜索时没有字符显示。
根据上述现象进一步分析,故障可能有以下4个方面:场供电27V电压偏低;场消隐电路有故障;场反馈电路有故障(因场集成块已换新);遥控字符形成电路有故障。遥控字符必备条件为有适当的场脉冲和行脉冲信号供给微处理器,而目前屏幕上又满屏回扫线出现,说明场脉冲的有无是当前故障应检查的主要症结。仔细分析图纸,此机字符形成电路的场脉冲和场消隐脉冲果然取自同一点(见图4A点),此通路接地二极管VD613已被击穿短路。进一步查找场反馈电路,C618有明显漏电现象,外观已明显变形了。将VD613、C618换新后试机,故障均被排除。

小结:
此机原始故障只是聚焦极对视放板地打火,而原修理者误判为显像管尾座内部漏电,将管座换新后仍然不能排除故障,在找不到打火主要原因的情况下,长时间开机,导致高压包损坏,在维修过程中引发了其它故障。此机聚焦极对视放板地打火,是原始故障和扩大后故障的主要症结,原修理者接修时没有抓住这一主要症结,维修中扩大了故障范围。维修一机多病故障的彩电时,接到机器后,首先要摸清机器现有的故障现象,其次反复问明白故障发生的前后经过,最后再认真进行分析,从抓故障的主要症结入手,理顺维修思路,步步为营,一个故障一个故障地排除。这是检修一机多病故障彩电的一个有效途径。
(张天发)