天逸AD-8000是成都亚迪实业有限公司近年来推向市场的新型AV功放,具有杜比定向逻辑解码、杜比数字或DTS解码输出后的5.1声道输入接口、频率直选可存储20个台的FM/AM数字调谐器、8种声场模式的DSP、数码卡拉OK、高清晰荧光显示屏、100W×5大功率功放、全功能红外遥控等先进功能。该机还首创了中文操作界面(OSD),即整机的所有功能设置及调节均能以中文显示在电视机屏幕上,且能以逐层菜单的方式对所有功能及参数进行设定。由于AD-8000采用了微电脑控制,因此它还具有其它一些功放所没有的智能化工作方式,如断电记忆、开机时音量淡入、出厂参数复位等。5声道大功率功放的设计,引入了亚迪公司多年来在Hi-Fi放大器方面的成功经验,使之不仅能播放影视片的火爆场面,也能重放一些优美的古典乐曲。
1. 影音输入切换电路
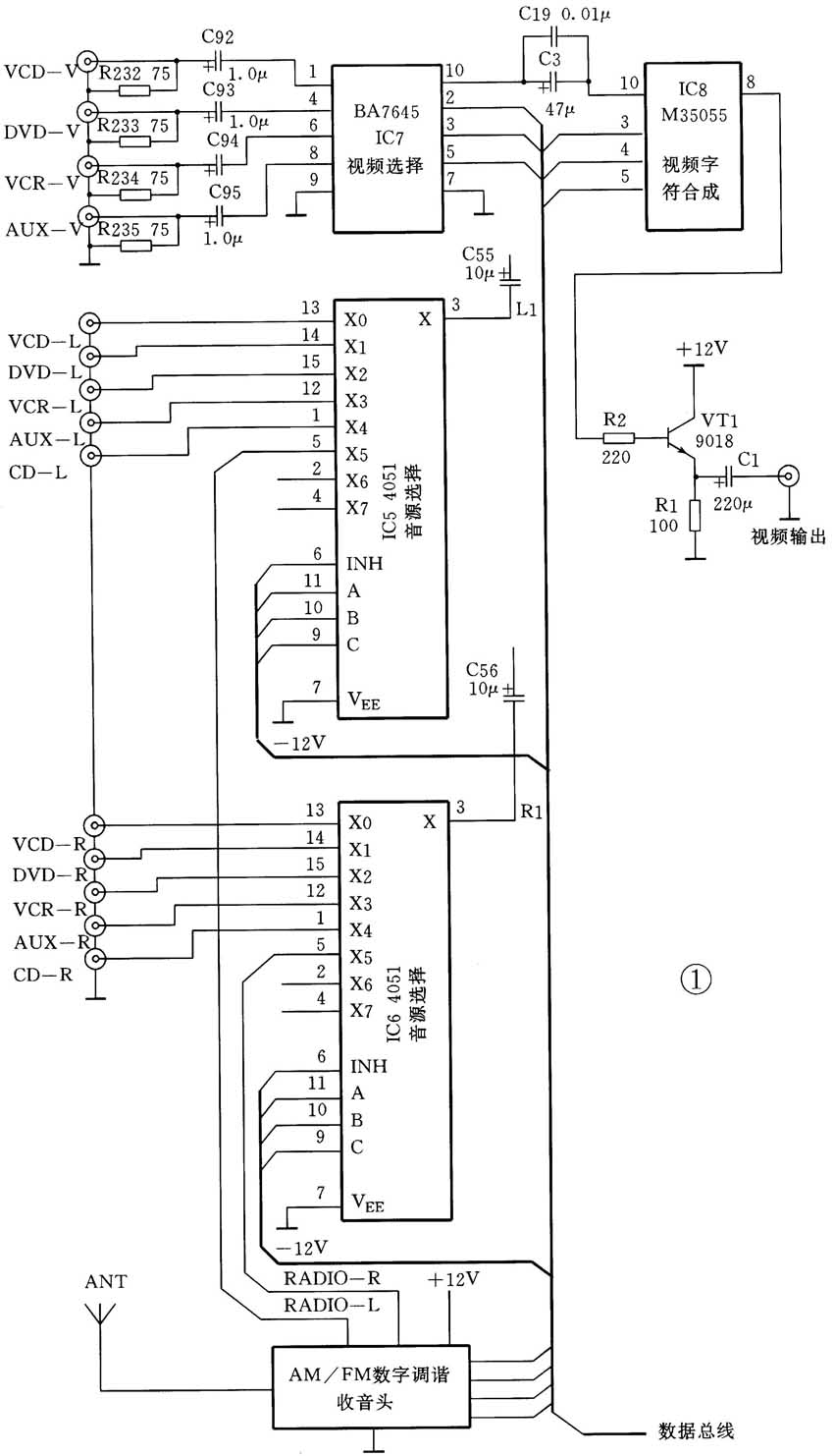
AD-8000共有5组音频输入、4组视频输入端子(见图1),另外还备有5.1声道的杜比数字或DTS接口,以便与内置杜比数字或DTS解码器的DVD机配接。音频输入信号由IC5、IC6模拟开关选通后送入IC1(M62460)进行杜比定向逻辑解码或DSP声场/卡拉OK处理。视频信号由专用视频选择电路IC7(BA7645)选通后,加至IC8(M35055)上,进行视频字符合成,然后再由VT1跟随后输出。

2. 杜比解码电路及卡拉OK电路
由IC5、IC6选择获得的音频输入信号经C55、C56后加至IC1(M62460)杜比定向逻辑解码专用电路中(见图2)。M62460是三菱公司最新开发的杜比定向逻辑解码电路,该电路采用80脚扁平封装、单片机串行数据控制接口,内含16KRAM,外围电路非常简单,省去了外接延时电路。M62460有4种工作方式:
(1) 杜比定向逻辑解码方式。在此模式下,M62460可实现杜比定向逻辑系统的所有功能,延时时间为15.4ms、20ms、28.6ms三挡可调,中置声道和环绕声道的电平0~31dB可调。
(2) 空间环绕模式。有迪斯科、大厅、现场三种模式供选择。
(3) 卡拉OK模式,其延时有147.5ms和196.6ms两挡可调,音量延迟从-∞~ +3dB可调。
(4) 直通模式。此模式对输入信号不作任何处理,直通输出。
3. 音量音调控制电路及话筒输入电路
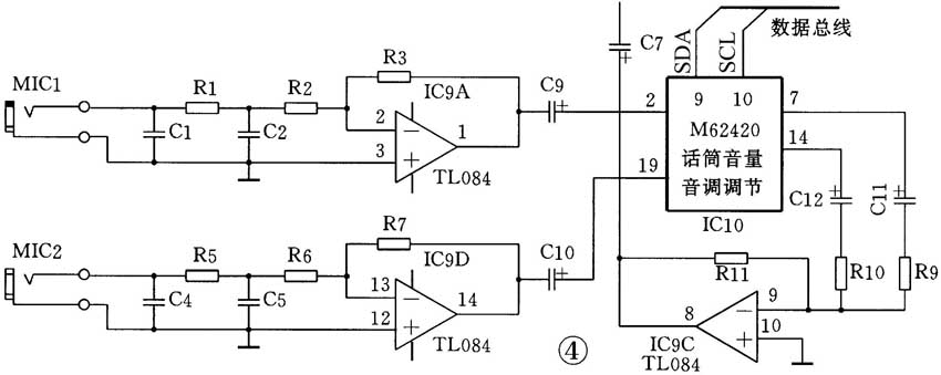
经M62460杜比定向逻辑解码后所获得的4声道环绕声信号,其中环绕声道由R29、R30并联后输出(见图2)。另外,从图3看出主声道及中置声道的信号经R31~R33混合后加入IC9B低通滤波器,以3D方式从中取得重低音信号,这样处理后得到了准5.1声道信号,加至由IC3、IC4组成的音源选择电路。由5.1声道接口输入的信号也加至IC3、IC4音源选择电路上。由IC3、IC4选择的信号再加到IC11(M62446)音量/音调控制电路中。M62446为三菱公司最新推出的带音调控制的6声道电子音量调节器,具有2路直通功能,音量调节电平为0dB~-79dB(1dB/每步),低音/高音控制电平为0dB~±10dB(2dB/每步),M62446具有6声道音量/音调电子调节功能,采用CPU串行数据方式控制。6路音频信号经同步调节后,主声道由IC13A、IC13D缓冲放大后输出到功放,而中置、环绕及重低音声道则直接输出到功放。M62460的为信号延迟输出端,由它控制IC13A、IC13D延迟接通工作。话筒输入经IC9A、IC9D缓冲放大后(见图4),加到低噪声、低失真的由I\(^{2}\)C总线控制的音量/音调电路IC10(M62420)上,进行话筒音量/音调控制,随后经⑦、输出,由IC9C混合放大并经C7送入M62460的处理。


4. 功率放大电路
AD-8000的功放电路为分立件构成的5声道独立放大器(见图5),大量采用了Hi-Fi甲类名机AD-66A的设计思想,保真度极高。输入级为射极恒流源差动放大器,具有良好的稳定性与较强的共模抑制比。第二级是恒流源负载共射放大器,增益大、线性好。输出级采用PCM达150W的东芝发烧音响对管,音色细腻甜美,输出功率强劲达100W。
5. 电源及系统控制
AD-8000在电源电路中采用优质的大型环形变压器保证其动力充沛(见图6)。主电源经整流后由两只10000μF/63V大电容滤波,供应5声道功放。副电源分-28V、±12V、+6V三组,它们均由三端稳压器稳压后提供,其中-28V供荧光显示电路用,+6V供单片机、遥控接收器等使用,±12V供其它部分(调谐器、数字电路及运放等)使用。CPU为三菱公司的新型单片机M3885(见图7),采用80脚四面引出外形,I\(^{2}\)C总线控制,功能强大,它外接有E2PROM 24C02,因此具有断电记忆功能。AD-8000采用智能方式协调控制整机的工作,使得该机可实现智能化操作。如断电记忆功能:即将最新设定的参数在断电时记忆下来,下次开机时即自动恢复;开机音量淡入功能:即开机后音量由小逐渐加大,防止大音量突然冲击;出厂参数复位功能:按动出厂参数复位键能使你在参数状态调乱后回到出厂状态。
6. 评析
天逸AD-8000质优价廉,功能较完善。用它不仅能欣赏到环绕感极强的音视片,也能很好地重放古典音乐。另外该机还有高质量的数码卡拉OK功能,AM/FM频率合成收音机,并且当配接带有杜比数字或DTS解码器的DVD机时,能很好地欣赏当今最先进的环绕声音效,因此具有较高的性价比,值得广大工薪阶层用户在配置家庭影院时考虑。
(周兴华)