由三菱公司在90年代后期推出的TV信号处理集成电路M52340SP组成的I2C总线控制的单片彩电,在国产彩电得到了应用,如康佳的T2131F/T2136F/T2133F等机型。该TV处理集成电路不仅可用于普及型彩电,也可以用于中档彩色电视机,若与SECAM制色度解码器M52325AP配合,也可以处理SECAM制电视节目信号,因而该芯片能自动识别目前世界上任何一种电视制式。
一、TV信号处理集成电路M52340SP的概况
1. 主要性能
M52340SP是三菱公司生产的用于彩电信号处理的大规模集成电路,它的主要性能:
(1) 内部设置有I\(^{2}\)C总线控制电路,既简化了许多外部元器件和电路,也使生产线安排更加合理。
(2) 该电路设置有各类滤波器,如陷波器、高通滤波器、亮度信号延时线、RGB钳位电路等。
(3) 采用PLL检测系统,能处理图像中频和伴音中频,无需AFT线圈。
(4) 实施延时线时间控制。
(5) 能自动识别各种制式彩电信号频率和场频。
(6) 采用行、场分频系统。
(7) 行、场脉冲输出和RGB信号输出。
(8) 该集成电路主要适用于PAL/NTSC制彩电。
2. M52340SP内电路组成及引出脚功能
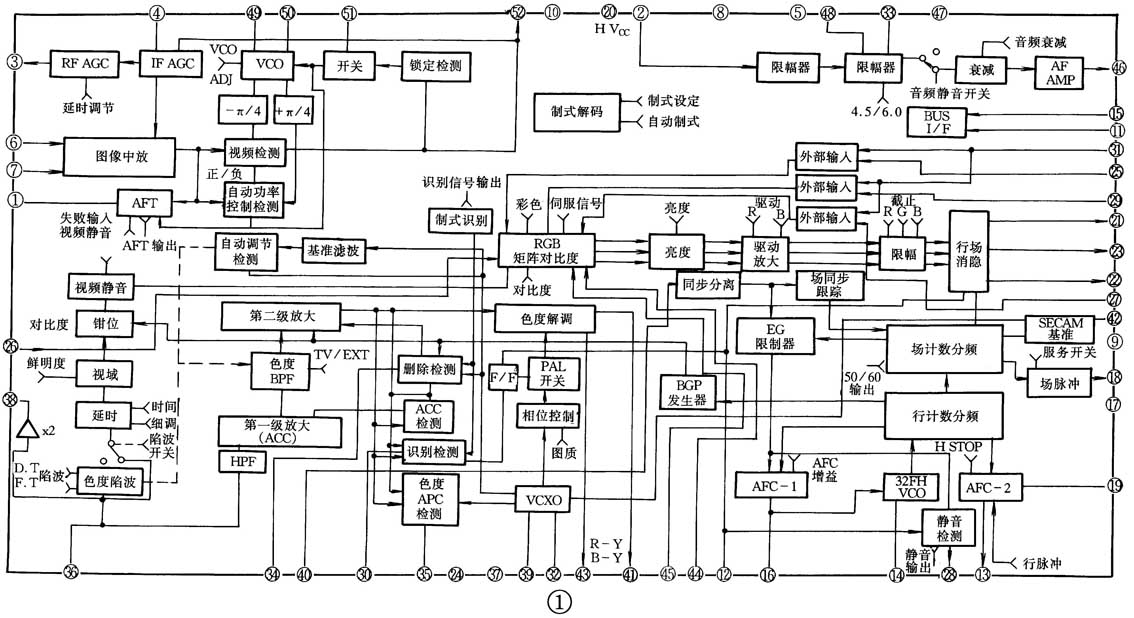
M52340SP的内电路组成方框图如图1所示。图中,M52340SP的内电路包括图像中频、伴音中频、彩色信号解码、偏转小信号处理、I\(^{2}\)C总线电路以及数模(A/D、D/A)变换等电路。

M52340SP采用52脚双列塑封的外形结构,为了方便检修者,本文附表给出M52340SP各引出脚符号标识、功能说明及在康佳F2136F型机上在线电压与电阻的实测数据。
二、由M52340SP主芯片组成的单片彩电的工作原理
这里以康佳T2131F型机为例来说明由M52340SP主芯片组成的彩电的功能、电路组成和信号流程。
T2131F型机可接收PAL、D/K电视广播制式节目和有线电视Z1~Z35频道的节目,具有两个扬声器、影碟机及录像机输入端子、红外线全功能遥控、电脑自动搜台、自动记忆、中英文菜单、全功能屏幕显示、定时关机、100个节目电脑预选记忆、随意选择预选节目、快速回看以及关机前频道、音量、色饱和度、亮度、对比度、色调、清晰度记忆。该机性能指标先进、安全可靠,灵敏度高,图像清晰,色彩鲜艳,音质优美。图2给出了该机的功能内容和程序,即菜单显示的中英文格式。
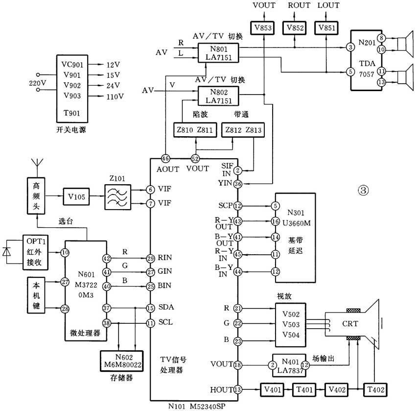
该机的电路组成及信号关系如图3所示。

注:实测数据用 MF-47型万用表测量。所示。
图中的高频头采用具有增补频道(470MHz)的全频道高级调谐器,其图像载频的调谐频率从48.25MHz到869.25MHz,分三段(VHFL、VHFH、UHF)连续可调,可以覆盖标准电视频率和有线电视台播放的增补频道Z1~Z7、Z8~Z36。中频信号从调谐器输出,通过预中放V105、声表面波滤波器Z101、平衡等输入到N101(M52340SP)⑥、⑦脚。
M52340SP是彩电专用单片集成电路,它可以完成图像中频信号(放大、同步解调)、伴音中频(放大、锁相环鉴频解调)、多制式色度信号解码(自动识别、放大、色度解调、制式解码、RGB矩阵)、亮度信号处理(延时、鲜明度、钳位、视频静噪)以及行、场扫描小信号处理等功能。
N301(U3660M)为1H基带延迟线集成电路,它是应用开关电容切换技术,实现一行(64μ\(_{s}\))延迟的双路梳状滤波器。对PAL制的两个色差信号实现几何相加;对NTSC制信号它起到梳状滤波器作用,降低串色干扰;对SECAM制信号它作为一行存储器,完成SECAM制信号解码对色差信号的存储复用。
N801(LA7151)为4×2电子切换开关,该机用作音频信号的选择开关,以实现AV/TV的伴音切换。
N802(LA7151)电子切换开关,该机用作视频信号的选择开关,以实现AV/TV的视频切换。
N601(M37220M3)是8位单片CMOS微处理器,它与TV信号处理器M52340SP相配套,用于电压合成调谐系统,也可以接收TV/CATV信号,具有全自动搜索选台、半自动选台、手动微调功能,彩色制式(NTSC/PAL)和伴音制式(D、I)自动识别的功能,图像品质的选择(色度、亮度、对比度、清晰度、色调)与调节,伴音的音量控制和静音切换,定时关机和无信号关机,蓝屏切换以及中、英文菜单显示等功能。
N602(M6M80022P)是4096位(256字×16位)CMOS E 2PROM电子可擦式只读存储器。
N201(TDA7057)为双声道音频功率放大器,它内部具有按对数曲线变化的直流音量控制电路、控制范围可达73dB,当直流控制电压低于0.4V时,放大器处于静态状态。
由M52340SP输出场频锯齿波电压进入N401(LA7837)场输出电路②脚,经块内的斜波发生器和场激励、场输出电路,从N401输出场频偏转电流送到场偏转线圈。
由M52340SP输出的行频开关脉冲,通过行推动管V401、行推动变压器T401、行输出管V402、行输出变压器T402和行偏转线圈,得到行偏转激励电流,在行偏转线圈产生行扫描磁场,使显像管的电子束沿水平方向扫描,同时在行扫描电路中,产生显像管的阳极高压、聚焦极电压、加速极电压、灯丝电压等为显像管提供合适的偏置电压。
由M52340SP输出的RGB三基色信号,加到显像管尾座板上的视放末级电路。该电路由中功率高频三极管V502、V503、V504和其它元器件组成。它对三基色(RGB)信号进行放大,电路的形式采用串联电流负反馈的宽带共射放大电路,输出电压的动态范围达90V\(_{p}\)-p以上,3dB带宽达5MHz。
该机的开关稳压电源采用变压器耦合并联自激式开关稳压电源,由VC901整流器、V901开关管、V903、V902控制管、T901开关变压器等元器件组成。该电源线路独特,输出的电压有110V、24V、12V和15V多挡稳定的直流电压。分别为行输出级、场输出级、行激励级、伴音功放电路提供电源。
下面对电视信号在整机中的流程作一简述:
由天线接收的射频电视信号,经高频调谐器放大、变频后输出38MHz中频信号(IF),经预中放管V105放大、声表面波滤波器Z101选频送到N101(M52340SP)⑥、⑦脚,在N101内部进行图像中频(VIF)放大、PLL视频检波、视频信号从N101输出并分两路:一路信号经Z812(6.5MHz)、Z813(6.0MHz)带通滤波器,选出第二伴音中频信号(SIF),送入N101②脚,经M52340SP内的限幅放大、鉴频及低放从输出音频信号(A·OUT),送入AV/TV切换电路N801(LA7151)、与从AV端子输入的R、L音频信号进行切换,选出音频信号(R、L)直接加到音频功率放大器N201(TDA7057)③、⑤脚,再经音频功率放大,分别从⑧、⑩、输出R、L信号加到两只扬声器上。另外,从N801输出的R、L信号,分别经V852、V851射随管缓冲,从发射极输出到AV端子的ROUT、LOUT端。另一路从输出的视频信号,经Z810(6.5MHz)、Z811(6.0MHz)陷波器陷波后,把视频信号送到AV/TV切换电路N802(LA7151),与从AV端子进来的视频信号进行切换,经切换后分两路输出:一路经V853射随管缓冲,从发射极输出送到AV端子的V·OUT端。另一路把视频信号,送入M52340SP。进入块内的视频信号分三路分别进行信号处理:一路经彩色解码电路后,由输出(R-Y)、(B-Y)基带色差信号,该信号经N301(U3660M)1H基带延迟后,再送入N101内,进行色差矩阵处理,形成三个色差信号(R-Y)、(B-Y)、(G-Y),再经基色矩阵输出R、G、B三基色信号,从输出R、G、B三基色信号。另一路经色度陷波、延时、钳位得到亮度信号(Y),也送到基色矩阵处理,产生R、G、B三基色信号。第三路信号经同步分离,得到的行、场同步脉冲可以保证行、场同步。同时,再经激励后分别从N101输出,送到块外的行、场扫描输出电路。
(王锡胜)