随着智能卡技术的成熟和推广,智能卡在我国已逐渐普及,而能够辩识、读取智能卡内加密数据信息的读卡机具(用来读取以及写入智能卡片信息的设备),也越来越受到人们的重视,为此,本文向读者介绍几种应用较为广泛的非接触式智能卡的读卡模块,型号分别为 RF01、RF01A、RF01D、RF02、RF03、GP8以及0.5m中长距读卡模块等。
读卡模块是读卡机具的心脏,用户可用它开发出各式各样的智能卡控制产品,例如:考勤机、门禁机、餐饮收费机、停车场管理、机车防盗器、巡更机、动物辩识、商品防伪等,以下分别介绍:
1. RF01~03读卡模块
RF01、01A读卡模块均为同一尺寸,带A字母为微功耗型,主要区别为工作电流与读卡距离不同,其外形见图1A。
RF02读卡头已内置有精细匹配的微型感应线圈和读卡电路,外观见图1B, 采用Φ38mm、厚度仅14mm的塑壳封装,并具有两个中心距46mm的紧固安装孔,可将读卡头任意固定在非金属材质的内表体上,用作智能卡片的隐蔽型读卡头使用,例如智能卡汽车防盗器等。
RF03读卡头内置64cm2的方形天线线圈、读卡电路、LED红/绿指示灯以及有源讯响器,设计有相距68mm的两个安装孔,适合于物件、家具、门窗或墙壁上安装,其外形见图1C。

由图2、图3可知,EM/TK4001等晶片共有64位存储区,分5个部分记录全部信息,其中9个“1”位被用作引导头使用,P0~P9是10位行校验,PC0~PC3是4位列校验,D00~D93是40位数据,1位停止位设置为逻辑0。
2. RF01D、GP8F读卡模块
RF01D及GP8F为一多格式转换输出的智能卡读卡模块,利用开关或跳线设置高、低电平,即可实现Weigand 26、RS232输出格式的转换,还可根据用户需要,订制 Weigand 26、 ABA格式或RS232格式,外观见图1D。
RF01D、GP8F读卡模块是一种可选择输出格式的读卡模块,其中RF01D采用外接开关或跳线来设置输出格式,而GP8F则以型号后缀如“R5”、“W12”、“A5”等来区分输出格式,“R5”是指供电电压为5V的RS232输出格式,“W12”是指供电电压为12V的WG26输出格式,“A5”是指供电电压为5V的ABA输出格式模块。
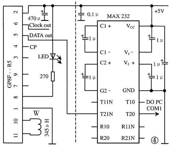
用户可根据需要,选择ABA、WG26、RS232输出格式,这两种型号的外观分别见图1D、1E,主要参数见附表。图4是GP8F后缀号为R5的典型应用电路。

3. 中长距读卡头
当使用非接触式卡片刷卡要求读卡距离较长时,例如车场管理系统,把智能卡贴在汽车挡风玻璃上,利用长距读卡机可以不用停车即可辨识车辆身份;又如在一些机关单位、工厂学校的门禁、考勤场合使用长距读卡机时,相关人员只需将形像智能卡片挂于胸前进出,即可完成其身份验证。因此可选用图1F所示中长距读卡头。该读卡头在使用远距离的标准智能卡(尺寸为54mm×85.6mm)时,有效读卡距离也可达0.4米以上。该读卡头的输出格式与上述GP8F系列读卡块一致,亦是依型号后缀确定和选择输出格式,典型应用电路可参考GP8F。
注意事项:
1. 读卡模块或读卡头的直流供电,均要求其电源的纹波系数小于5mV,纹波过高将影响读卡灵敏度。
2. 读卡模块最好选配原厂的匹配天线线圈,如果自行配制,请按附表所给的天线线圈电感值和线圈所在平面取值范围内确定。
3. 读卡模块匹配天线或已带天线的读卡头,均不能安装使用在金属屏蔽网、箱内,亦不能将天线线圈贴近金属体安装,否则会严重影响读卡距离。
4. 上述几种读卡电路只适用于EM或与EM兼容的低频制125kHz非接触式感应卡信息的读取。
(蔡凡弟)

