本期再向读者介绍4款实用的触摸开关电路,它们都是用于白炽灯的开启与关闭,图1~图4电路中,虚线左部是普通照明线路,右部是触摸开关电路。由图可见,开关与照明线路的连接只有两根引线,因此可以直接取代普通机械拨动式开关,而不必更改室内电源布线。前三个电路的触发原理都是利用人体的泄漏电流,最后一个电路则是利用人体感应的杂波信号触发电路工作。
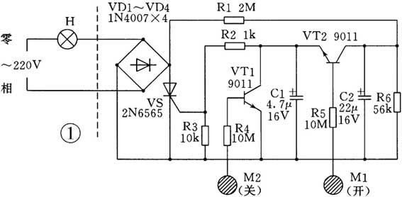
图1是双触摸电极开关,其中M1为“开”电极片,M2为“关”电极片,通过触摸M1与M2可以方便自如地开灯与关灯。

平时晶闸管VS关断,电灯H不亮,220V交流电经VD1~VD4桥式整流,R1、R2分压,在C2两端储存8V左右的直流电压。当人手触摸电极片M1时,人体泄漏电流经高值电阻R5注入VT2的基极,使VT2迅速导通,C2储存电荷经VT2向C1充电,并经R2为VS提供正向触发电流,VS开通,灯H点亮发光。VS开通后,由于R2取值较小,VS门极的漏电流可经R2向C1充电,所以人手离开M1后,虽然VT2恢复截止,但C1两端电压不会跌落,所以VS仍能保持导通态,H仍点亮发光。此时220V交流电压主要降落在H两端,VS两端电压仅几伏,由于VS采用微触发单向晶闸管2N6565(最大通态电流为0.8A,最高反向耐压为400V),所以VS仍能维持工作(下面三个电路均是如此)。
如果用手摸一下M2电极片,人体泄漏电流经R4注入VT1基极,使VT1导通,C1储存电荷将通过VT1迅速放电,降至0.3V左右时,VS因失去正向触发电流,在交流电过零时,VS即关断,灯H熄灭。本触摸开关与220V交流电源相、零线连接时,必须按图正确连接,如果相、零线接反了,则只能开灯而无法关灯。图示接法符合开关串接在相线的电工接线规范。
图2是一个触摸延迟开关,可用于楼梯走道照明灯控制,目前市售的各种触摸延迟开关,其电路与此大同小异。

发光二极管VD5在电灯H未点亮时可发微光指示开关的位置,方便在夜间寻找开关。平时VT3的集电极被VD6钳位在8V左右,VT1~VT3均处于截止态,VS因无触发电压处于关断态,故电灯H不亮。需要开灯时,只要用手指摸一下电极片M,因人体泄漏电流经R5与R4分压后注入三极管VT3的基极,使VT3迅速导通,8V直流电就经过VT3向C2充电,并经R2使VT2导通,VT1也随之迅速导通,VS因门极获得正向触发电流而开通,灯H即被点亮。人手离开电极片M后,因C2储存的电荷通过R2向VT2的发射结放电,所以仍能维持VT2、VT1及VS的导通,电灯H依然点亮。直至C2电荷基本放完,VT2由导通转为截止,VT1也随之截止,VS因失去触发电流在交流电过零时即关断,灯灭。改变R2、R3及C2的数值能调节电灯每次被点亮的时间长短。采用图示数据,每触摸一次电极片M,电灯H约能点亮60s。
R4的作用是使三极管VT3平时处于反偏状态,以减小VT3的漏电流,确保在无触摸信号时VT2始终处于截止状态。若取消R4,往往因VT3管子质量不佳其漏电流可使电容C2两端电压不断上升,最终会导致VT2误导通使电灯H点亮。本电路在接线时可以不考虑交流电的相、零线位置,都能正常工作,下面两个电路也具备此特点。
图3是一个新颖的触摸渐暗延迟开关,其特点是开灯时只要摸一下触摸片,灯即亮,延迟数十秒后,灯不是马上熄灭,而是逐渐变暗,最后熄灭。迎合人眼的视觉特征,故适宜夜间关灯就寝用。

VD1~VD5、R1组成开关的电源电路,输出约12V脉动直流电压供开关使用。平时晶闸管VS处于截止状态,灯H不亮,整个开关耗电仅2mA左右,可认为不消耗电能。此时VD6发微光用于夜间弱光照明指示开关位置
VT3构成触摸电子开关,开灯时人手只要摸一下电极片M,人体泄漏电流经R8注入VT3的基极,使VT3迅速导通,12V脉动电压经VT3向C2充电,并使C2两端电压充至12V左右。电子变阻管VT2得电导通,12V脉 动电压就经R4向C1充电,使VT1组成的弛张振荡器起振。单结晶体管VT1就输出尖脉冲加至晶闸管VS的门极,使VS迅速开通,电灯H就被点亮。由于R4取值较小,且VT2的导通压降又小,弛张振荡器振荡频率较高,晶闸管VS导通角较大几乎全压开通,灯H处于全亮状态。人手离开电极片M后,C2经R5向VT2放电,维持VT2继续导通。随着时间推迟,C2放电电流减小,VT2就退出饱和态而进入放大态,其管压降加大,相当于在C1充电支路里串联了一个大电阻,故使VT1输出尖脉冲时间后延,VS导通角减小,灯H亮度变小。这时节电开关就进入了渐暗阶段,随着C2放电电流不断减小,VT2的等效电阻逐渐变大,VS的导通角不断减小,灯光就越来越暗。当C2放电电流减小到一定值时,VT2就由放大态转为截止态,VT1就停振,VS关断,灯H熄灭。
由于电子元件的离散性,本开关每触摸一次电灯可点亮45~60s,若想更改延迟时间,可以调整电阻R6的阻值,R6阻值大,延时时间长,反之则短(调延迟时间请不要调R5和C2,因为它们数值还影响变光时间长短,所以以调R6为佳)。开关渐暗阶段时间由电容C1调整,C1容值大,渐暗变光的时间就长,反之则短。
图4是一个很特殊的触摸延迟开关,实际使用时人手是通过绝缘塑料板触摸,而不是直接碰到电极片M,就能使灯点亮,延迟60s左右,灯H自动熄灭。
平时VT1~VT3均处于截止状态,晶闸管VS处于关断态,电灯H不亮。此时发光二极管VD6点亮发光,指示开关位置。需开灯时,手指靠近电极片M(实际上是隔着塑料面板摸M),人体感应的杂波信号电压注入场效应管VT4的栅极,使漏源极间电流减小,漏极电位即VT3的基极电位升高,VT3导通,C2即被充电,当VT2因基极电位升高而导通,VT1也随之导通,VS获得触发电流开通,电灯即点亮发光。人手远离M后,VT4栅极恢复低电平,VT3截止。此时C2贮存电荷将通过R2向VT2发射结放电,维持VT2的导通状态,电灯仍被点亮。当C2上的电压降到0.7V以下时,VT2、VT1相继截止,VS关断,电灯H就熄灭。
开关面板结构见图5,可采用86系列开关全塑面板,在上部适当位置开一小圆孔,以便嵌放发光二极管。电极片可用马口铁皮剪成Φ30mm的圆片形,用不干胶带纸将它粘贴在开关面板的背面,然后用屏蔽线连接到VT4的栅极,屏蔽线不宜太长,一般应控制在40mm以内。开关的电路板就固定在面板的背后。本开关的延迟时间主要取决于电阻R2、R3及电容C2的数值,调整其数值可以改变开关的延迟时间。

(陈有卿)