1. 金属探测器
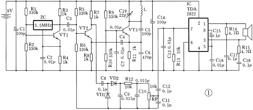
金属探测器的电原理图见图1。图的左边是由陶瓷滤波器ZC和三极管VT1等组成的一个固定频率振荡器,三极管VT3和检测线圈L及周围电容器组成了一个LC振荡器,三极管VT2等为混频器,二极管VD1和VD2等组成检波器,集成电路TDA2822为功放电路。使用金属探测器时首先调节可变电容器C19,使LC振荡器的工作频率与固定频率振荡器的工作频率一致,此时混频器基本没有输出,扬声器无声。当金属探测器的检测线圈L接近金属物品时,线圈L的电感量会发生变化,LC振荡器的工作频率也会变化。这样混频器就会输出一个差拍信号,经过功放电路的放大,使扬声器鸣叫。

电路中的三极管为BF494,也可用9018等高频管。可变电容器C19也可使用小型的微调电容器。线圈L可用Φ0.51的漆包线在直径为10cm的骨架上绕15匝(如果频率不合适可适当增减)。陶瓷滤波器ZC为电视机中的5.5MHz伴音中频滤波器。如果找不到5.5MHz陶瓷滤波器,也可使用6.5MHz陶瓷滤波器,此时要将线圈L的匝数适当减少。检波二极管可选用2AP9等锗材料二极管。RP是调节音量的电位器。
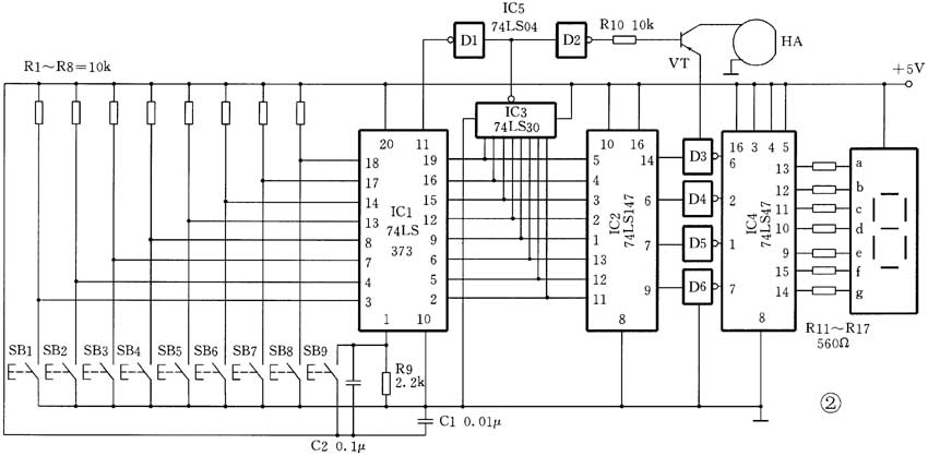
2. 八路抢答器
图2是八路抢答器的电原理图。电路共用了5只74系列TTL集成电路,其中IC1是八D锁存器74LS373,IC2是10线—4线优先编码器74LS147,IC3是八输入端与非门74LS30,IC4是BCD—七段译码驱动器74LS47,IC5(D1~D6)是六反相器74LS04。数码管为共阳极的TL542,三极管可用9015等,HA是有源蜂鸣器。

按钮开关SB1~SB8分别为1~8路抢答开关,SB9是复位按钮开关。此电路用的集成电路多了一点,电路不太简练。
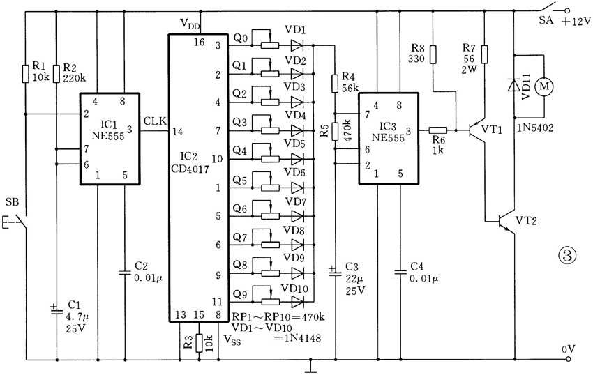
3. 雨刷控制器
雨刷控制器的电原理图见图3。集成电路IC1作为脉冲源来控制十进制计数分配器IC2(CD4017)的输出状态,由于CD4017的十个输出端的微调电阻器的阻值各不相同,因而使由IC3组成的振荡器的工作频率发生变化。这样电动机的工作时间可在1s~10s之间变化。当按动一下按钮开关SB,电路的工作状态就变化一次。

由于电动机M的工作电流较大,所以三极管的工作电流也较大。VT1为BD242(45V、3A、40W),VT2为2N3055(100V、15A、110W)。如果用这个电路控制其它的电动机,可根据需要自行选择三极管。
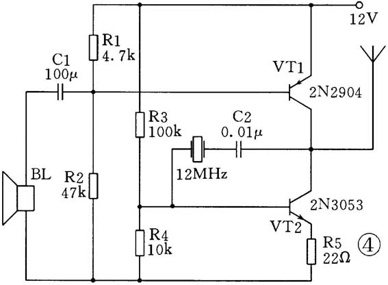
4. 短波发射实验电路
图4是一个简单的短波发射实验电路,电路中使用了一个12MHz的晶振来确定它的工作频率。电路的发射距离只有30m左右。

(周海)